摘要:本文主要介绍了西门子LOGO!在自动调直切断机中的应用,借以阐示西门子LOGO!虽体积小巧,但功能齐全,诸多控制领域中,西门子LOGO!在满足电气控制功能,降低成本,提升产品档次方面拥有不可替代的优势。
一、应用简介
我公司是主要以生产、研制、开发建材机械产品为主兼M74系列立轴圆台平面磨床产品的企业。应客户及市场需求,我公司采用西门子LOGO!230RC智能逻辑控制器对目前正在生产的自动钢筋调直切断机进行电气技术改造。
钢筋调直切断机可用于调直Φ4-Φ14盘圆钢筋与Φ4-Φ12级螺纹钢筋,适用于各种建筑工地的钢筋加工,市场广大。该机调直速度快,定置灵活,可根据用户数量、长短等不同要求进行相应设置。该机电气控制以前一直采用继电器—接触器控制,然而由于现场环境恶劣,分立元件多,元器件质量参差不齐等原因,导致切断机电气故障频出,严重影响了公司声誉及客户效益。2013年中华工控网掀起西门子LOGO!智能逻辑控制器免费体验热潮,于是萌生了用西门子LOGO!改造调直切断机电气控制系统的想法。
二、应用说明
自动调直切断机大体由导入装置、送料装置、调直装置、牵引装置、切断装置、传动装置、机架、承料架和电控系统组成,结构示意图如图1所示。
钢筋由牵引机构带动由盘料架进入调直筒进行调直。调直筒内用螺钉固定着五个不在一条轴线上的位置可以调整的调直模。调直筒高速旋转,穿过调直筒的曲折钢筋,经反复弯曲变形而被调直,同时也清除了钢筋表面的锈皮。
钢筋经过调直后进入切断机构。切断机构主要由锤头和方刀台组成,锤头上下运动,方刀台水平运动,内装上下切刀,当方刀台移动至锤头下面时,上切刀被锤头砸下与下切刀形成剪刀,钢筋被切断。承料架的上部装有拉杆定尺机构,保证被切钢筋定尺切断,承料架下部可承接被切断的钢筋。系统运行流程图如图2所示。
图2 自动调直切断机系统流程图
无论哪种控制,自动调直切断机都必需接触器及必要的保护元件,然而为实现落料延时和计数控制,在以前的传统解决方案中还需要在控制板上安装一个中间继电器、一个时间继电器和一个计数器,这将导致额外的花费。本次改造关键就在于,西门子LOGO!能否集这些元器件的功能?如是,本次改造将在成本、体积以及档次上的优势特别是凭借德国老牌西门子产品较同行业极佳的可靠性方面那都是非常可观的。
三、应用的设计与实现
1. 系统组成
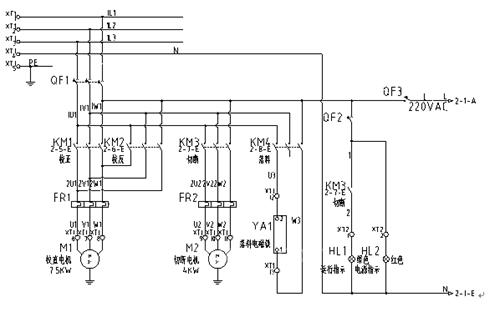
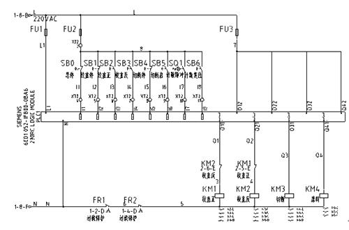
利用西门子LOGO!设计原理图,主电路原理图如图3所示,包含一台调直电机、一台切断电机、一落料电磁铁以及一运行指示灯和一电源指示灯。本LOGO!控制方案共有8个输入点,4个输出点,且输入输出量全部为开关量信号,所以选用一块8入4出的230RC本机模块。LOGO!控制接线图如图4所示,I/O分配表如表1所示。

图3 主电路图

图4 LOGO!控制接线图
数字量输入地址 符号 定义 数字量输出地址 符号 定义
I1 SB0 急停(常闭) Q1 KM1 校直正
I2 SB1 校直停(常闭) Q2 KM2 校直反
I3 SB2 校直正 Q3 KM3 切断
I4 SB3 校直反 Q4 KM4 落料
I5 SB4 切断停(常闭)
I6 SB5 切断启
I7 SQ1 计数触发
I8 SB6 计数复位
表1 数字量输入/输出地址表
2. 利用LOGO!对自动调直切断机控制方案分析
1) 校直程序:按下SB2按钮,校直正运行开关I3闭合,Q1置位,接触器KM1得电自锁,调直电机正转;同理需要调直电机反转时,按下SB3按钮,校直反运行开关I4闭合,Q2输出,接触器KM2得电自锁。为安全考虑,I3与I4之间,Q1与Q2之间都加有软件互锁,并在输出Q1与Q2上加有硬件互锁。无论何时当按下急停按钮SB0时,使输入I1闭合, Q1与Q2立即停止输出,调直电机M1停止运行。
图5 校直程序
2) 切断程序:按下SB5切断启按钮,输入I6闭合,Q3置位,接触器KM3得电自锁,切断电机启动运行。按下SB4切断停止按钮,输入I5闭合,Q3复位,接触器KM3失电断开,切断电机停止运行。无论何时当按下急停按钮SB0时,使输入I1闭合, Q3立即复位,切断电机M2停止运行。

图6 切断程序
3) 落料程序: Q4输出驱动接触器KM4控制落料电磁铁的动作,实现受料架翻转落料。在切断电机M2运行的情况下,Q4的置位端是由计数触发标志位M2触发的。计数到标志位M3、急停I1或落料延时时间到标志位M1(落料动作需预留一定的时间,一般设置在3~4秒)都可使Q4复位。
图7 落料程序
4) 计数程序:计数触发标志位M2由接在输入端I7的接近开关SQ1触发。在切断电机M2运行前,需对调直的钢筋的尺寸和数目进行一个预置,切成预置尺寸的钢筋达到预置数目时,触发标志位M3,进而使系统全线停车。

图8 计数程序
3. 系统离线仿真与在线测试
西门子LOGO!兼具离线仿真与在线测试功能。程序在PC机里编写好后,点击左侧工具栏中的离线仿真按钮,或按下F3功能键进行离线仿真,如图9所示。在确认程序离线仿真无误后,还可打开工具/在线测试功能进行在线测试。如图10所示。在执行在线测试前需首先将在PC机里编写好的程序下载到LOGO!,随后将下载到LOGO!的程序上传至PC机里,当然 只有这个上传至PC机里的程序才可以进行在线测试的哦!

图9 离线仿真

图10 在线测试
四、应用体会
此次体验虽然与西门子LOGO!还只是短暂的亲密接触,但已让我感到它神奇之处了。它体积小巧,但功能齐全。它集成了8种基本功能和30多种特殊功能,进而可以替代从时间继电器一直到接触器数以百计的开关设备,另外它还集成有可用来编程和显示用的显示器。这些不但为我们缩短了开发设计时间,省去了大量的电柜空间,更省去了各种继电器、计数器,以至于各种信号指示灯、文本显示器等的成本费用。本例用西门子LOGO!本体实现钢筋切断计数设置与显示如图11所示。不仅如此,LOGO! 还有很强的可靠性,有很好的抗振性和很强的电磁兼容性(EMC),完全符合工业标准,能够应用于各种气候条件。所有这些都有效地提高了产品的档次,提升了产品市场竞争力。

图11 西门子LOGO!计数显示设置及现场示例
综上所述,我们坦言,应用在目前各个领域,西门子LOGO!在继电器与PLC之间是一个功能强大且价格实惠的最佳解决方案。自动调直切断机自改造投入使用至今已有两月余,运行情况稳定良好,屡屡受到用户以及同仁们的广泛好评。
(转载)



