摘要:本文主要介绍了利用西门子LOGO!控制器来完成快速安全提升门的设备升级改造工作,大门具有提升快速,运行可靠,具备多重安全保护,门体坚固耐用,外观简洁大方。本文就工作原理,电气元件布置及程序编写仿真方面做了详细介绍。
一、应用简介
1. 在某些特定的应用场合,要保持工作车间内温度,我们不可能将车间门一直打开。流行的做法是采用的卷闸门,虽造价较低,但不具有频繁开闭功能,故障率很高。针对这一要求我们研制了一种可以快速提升的安全门,不仅强度高,而且独创有安全锁闭装置,大大提高了大门的安全性。
大门的电控部分主要有控制盒,拖动电机,指示及报警灯和分布在门梁上的接近开关组成。如图1所示,大门在关闭完成、提升过程及门开启锁闭完成后三种情形下的接近开关状态,所有的限位开关均采用常开接法。

图1 接近开关布置及运动过程示意图
2.公司介绍
公司主要从事:机电一体,舞台特效制作,计算机控制,高科技产品的开发、研制、生产、销售。
产品范围主要覆盖:铁路检测自动化装置,舞台特效工程等。
本公司有一批工程经验丰富的工程师,曾主持设计制作国庆60年山西彩车以及承包过北京残奥会闭幕式的智能草坪工程。

图2 大门实体图
二、应用说明
1.应用功能描述(请配合图片说明)
如图9所示,大门的开合通过响应的控制盒来完成,在工作过程中,设有报警灯,提示人员注意安全,并在大门提升到位后有安全锁装置来保证意外发生时大门不会失控落下,安全性高。
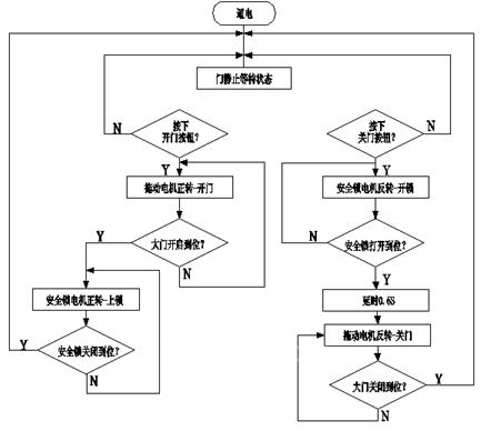
2.工艺流程说明:(请配合图片或者流程图加以说明)
大门的提升过程:按下开门按钮,大门迅速提升,开门指示灯亮,同时报警灯闪烁;“大门上限位组”接近开关任意一个复位为0,大门停止上升,同时自动启动安全门锁控制电机,趋动安全锁芯向指定方向运动,直到“安全锁闭”接近开关置1时结束一个完整的开门过程,开门指示灯与报警灯同时熄灭。
大门的关闭过程:按下关门按钮,安全锁首先打开,关门指示灯亮,同时报警灯闪烁;当“安全锁开”限位开关置1时,安全锁电机关闭,延时0.5S后启动大门关闭,直到门下限位组接近开关任意一个复位为0则大门关闭完成。

图3 大门开闭流程图
3.系统需要分析:结合该应用的特点阐述控制系统的基本要求,技术难点。分析如何采用西门子的LOGO! 产品实现这些需求,相比其他控制方案。选择LOGO! 产品可以带来的好处等。
该运用要求有足够的机械强度保证大门的使用寿命,在冬季时大门全天要进行多次起落,为保证室内温度,大门开闭要迅速。主要的技术难点在于如果保证电控系统的耐用性与可靠性,原先采用接触器-继电器回路虽造价较低,但由于接线复杂,器件寿命不高等原因导致售后成本过高,要是采用PLC来作为控制单元未尝不可,但考虑到成本控制及应用较为简单的实际情况,希望采用西门子LOGO!作为控制单元。除其具有足够的性价比外,还看中了它比PLC更大的带载能力,这在实际运用中可以省去很多继电器,工作可靠的同时又节约了成本,再用就是对西门子产品的多年使用,让我们更有信心。
三、应用的设计与实现
1.电气控制原理图说明(包括硬件配置以及安装图,如采用CAD绘制图请全部使用黑色线条,不接受彩色线条)

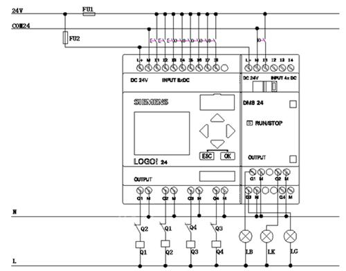
图4 LOGO!外部接线图
2.I/O分配表(包含LOGO!所有输入输出的地址以及功能说明,如下图)
表1快速安全提升门输入输出信号表
I1 (12/24RC) 开门按钮
I2 (12/24RC) 关门按钮
I3 (12/24RC) 停止按钮
I4 (12/24RC) 门开启接近开关1(NO)
I5 (12/24RC) 门开启接近开关2(NO)
I6(12/24RC) 门关闭接近开关1(NO)
I7(12/24RC) 门关闭接近开关2(NO)
I8(12/24RC) 安全锁闭限位(NO)
I9(DM8/24R) 安全锁开限位(NO)
Q1(12/24RC) 开门接触器
Q2 (12/24RC) 关门接触器
Q3 (12/24RC) 安全锁锁闭接触器
Q4(12/24RC) 安全锁打开接触器
Q5(DM8/24R) 报警灯
Q6(DM8/24R) 开门按钮指示灯
Q7(DM8/24R) 关门按钮指示灯
! 控制程序说明

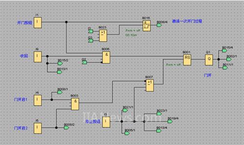
图5 开门程序之大门提升

图6 开门程序之安全锁关闭及开门指示
图7 关门程序之安全锁打开

图8 关门程序之大门关闭及关门指示

图9 报警提示程序

图10 程序仿真图之开门过程
1. 应用设备图片展示

图11安全提升门整体图

图12 电控柜内部结构图
四、应用体会
1. 应用开发过程中使用西门子LOGO! 产品的体会,包括满意的地方,遇到的困难,解决的方案,对该产品的改进意见。
在使用西门子LOGO!的过程中,程序编写少有些不适,软件的仿真功能很方便。接线与程序下载速度快,上手容易。希望可以有针对特殊运用的向导功能。
2. 如果熟悉其它品牌的相应产品,可以与西门子LOGO!产品进行比较。
就点数来所,LOGO!与三菱FX-1S属于同类产品,相对于后者来说 ,LOGO!的程序下载更加方便,主要体现在存储卡的使用及自带控制面板的功能配置。硬件方面,LOGO!带负载能力更高,电源等级种类更丰富。总体来说,性价比更高。
3. 系统的投入时间,运行情况。
截止当前,改造后的设备安全运行时间达14天,各项功能均正常。
(转载)



