摘要:本文介绍Siemens LOGO!12/24RC在水电站阀门控制器中的应用,因其小巧简洁的外型和高效的性能备受青睐。
一、应用简介
1. 应用简述:目前我国水利行业发展迅速,而水电站对智能控制器的要求是较高的,因水电站现场潮湿,灰尘多,噪音大,震动大,故水电站现场环境是相对恶劣的。这样对控制器在恶劣环境工况下工作的稳定性有很高的要求。
2. 公司介绍:江能自控设备有限公司主要负责水电站阀门以及调速器的相关工程承包任务,故阀门控制器一直是公司生产制造的重点,而在选择阀门控制器时将重点落在体积小,可靠性高,抗干扰性强上,公司也用过其他厂商的PLC控制器,而大多数的PLC在体积上并不太令人满意,设计制造出来的控制柜尺寸比较大,而本次采用siemens LOGO!的PLC后,控制柜体积减小到传统控制柜提及的1/3。且能满足几乎所有的电站阀门控制任务。
二、应用说明
1. 应用功能描述:

图1 :控制柜及液压部分

图2:重锤阀门
图1所示:电气控制柜面板有一个急停按钮以及指示灯还有LOGO!TD文本显示器在面板上做相应的操作(如:开阀,关阀,急停,远程与现场切换等),则油泵电机和相应电磁阀会动作,相应油路导通动力传送到油缸相应油腔。在油泵电机,电磁阀等执行器件动作的过程中,电气控制柜的面板指示灯以及TD文本显示器会做相应的状态显示。
图2所示:液压缸内如果进油则油缸杆伸出举起重锤,阀门开启,达到限位位置后油泵电机停止,且将系统压力把持在6MP至8MP之间;反之,电磁阀动作后液压油在重锤的压力作用下被压出油腔,执行关阀动作,达到限位位置后停止。在动作的过程中控制柜面板指示灯以及TD文本显示器会做相应的状态显示。
2. 工艺流程说明:

图3:重锤阀门控制流程图
3.系统需要分析:本方案属于纯开关量控制,对于模拟量等并不做要求,而阀门控制器对于环境的适应性要求颇高,这必须保证控制柜在潮湿,灰尘多,噪音大,震动大,的场合能保证稳定工作,且本次设计要求尽量缩小控制柜体积。在I/O上面Siemens LOGO! 24RCo配上一个DM8模块就能满足控制点数的要求,小巧精悍。
三、应用设计与实现
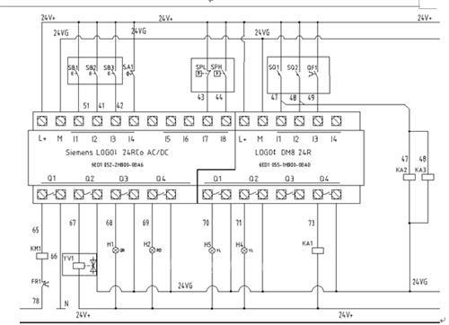
1. 电气控制原理图说明:
图4:Siemens LOGO!在水电站阀门控制器的应用电气图
2. LOGO! 24RCo AC/DC I/O分配表:
输入 输出
I1:远程开阀 Q1:油泵电机
I2:远程关阀 Q2:关阀电磁阀
I3:停止 Q3:主阀全开灯
I4:紧急停止 Q4:主阀全关灯
I7:油压下限 Q5:远程指示灯
I8:油压上限 Q6:故障报警灯
I9:主阀全开 Q7:(预留)
I10:主阀全关 Q8:故障报警中继
I11:油泵热过载
3:LOGO! 控制程序说明:
首先检查各行程开关输入点是否正确(阀门全关行程开关到位),当阀门处于全关位置,按开阀按钮则会进入开阀动作状态,在阀门开启过程中,主阀开启灯会闪烁,并且会有相应文本显示,当开启完成后主阀开启灯常亮;关阀过程为:当阀门处于全开位置时按关闭阀门有效,则阀门会进入关闭过程中,在关阀过程中,主阀关闭灯会闪烁,并且会有相应的文本显示。主阀全关时,按关阀按钮无效;同样,主阀全开时,按开阀按钮无效。

图5:阀门控制器的LOGO!程序
待动力线结好以后,分别投入QF1、QF2、QF3空气断路器,PLC得电自检通过并开始运行。默认状态下为远程状态,此时按操作面板无效,只有按一下TD文本显示器的F4按钮使远控指示灯熄灭,方可进入现场操作状态。
若当前阀门状态为关闭状态,按压开阀按钮(F1),油泵电机得电,压力油进入开阀腔,带动蝶阀蝶板脱开阀座,阀门开始开启,开发过程中面板会显示“阀门开启中……”,并且开阀指示灯会以1HZ闪烁;当蝶阀运行至15度位置,驱动SQ3行程开关动作,输出信号给远程DSC;中间也可以随时按停止按钮将阀门停止在任何位置;继续开阀至全开后,阀门全开行程开关SQ1动作,阀门全开指示灯点亮,无需人工干涉,开阀过程自动完成,阀门进入自动保压状态(停止按钮会解除保压状态);
按关阀按钮(F2),关阀电磁阀得电,压力油回油箱,带动阀门门板开始关闭,同时面板会显示“关阀过程中……”,并且关阀指示灯会以1HZ闪烁;当阀门关闭到15度位置驱动SQ3行程开关动作,输出信号给远程DSC;阀门继续关阀至全关后,阀门全开行程开关SQ2动作,阀门全关指示灯点亮。
若出现油泵电机过载或者相关的报警,控制面板上会显示相应的提示,此时现场人员根据提示排除故障或做相应的操作,以使阀门正常运转。
4. 应用设备图片展示:
图6:Siemens LOGO!安装在控制柜以后的图片以及产品的整体图
相比以前公司的电气控制柜而言,这次的控制柜在体积上可以说是一大亮点,柜体尺寸为:500*300*200。可以算的上是小巧玲珑了。在今年的阀门行业展会上面我的这款控制柜也在公司展台上亮过相,关注度颇高。如果客户倾向度高的话,以后同类产品的控制方案均可按照该方案来实施。当然了目前为止公司已经量产了48套该方案为核心的控制柜(当然了发往新疆等气候恶劣地区以及工业环境恶劣的工厂的控制柜加装了防爆以及温湿度控制装置在这里就不赘述)。
四、应用体会
1. Siemens LOGO!最令我满意的地方是资源紧凑,用在我公司的设备上正好能够满足控制要求,没有产生I/O点的浪费或者不够用的现象,且体积和价格上都有何大的优势。在实际应用的过程中遇到过问题不过也解决掉了。
2. 公司用的PLC种类繁多,三菱,AB,ABB,LS,施耐德,台达,西门子都是公司的常用PLC,但是西门子中的LOGO!在阀门控制中应用很合适。
3. 在2013年5月份公司的LOGO!控制柜就已经批量生产了,目前已将部分控制柜送达各水电站投入使用。
(转载)



