1、 引言
随着我国城市化进程的加快,建筑机械行业也迎来了其发展的黄金期。建筑提升机作为建筑施工必不可少的机械设备,产能逐年递增。
普通升降机的上升、下降、停机功能都是通过接触器-继电器控制来实现,而且速度不易控制、起停机瞬间冲击大,对机械结构和机构的损坏较严重;运行速度不可调,影响施工企业效益,停车稳定性差。
采用变频控制,可实现施工升降机的启动加减速、制动过程的无级调速,减小了起停机时电机对机械系统的冲击,提高了施工升降机运行过程中的平稳性和舒适感,延长了施工升降机的使用寿命,极大地提高了工作效率。
本文以某公司采用英威腾CHF100A变频器控制的建筑升降机为例,详细分析了该建筑升降机的控制原理与电气系统。
2、 升降机参数与电气系统
升降机结构简图如图1所示,最大起升重量为3.5T,其中最大载重量2T,自重1.5T,最高升降速度为35m/MIN,最大加速度为0.3G。

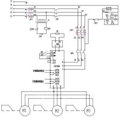
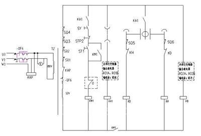
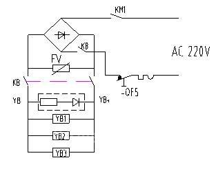
升降机电气系统主要由主电路和控制电路组成,主电路电气原理图如图2所示,控制电路电气原理图如图3所示,抱闸控制电气原理如图4所示。
电气传动部分由三台异步电机组成,三台电机由一台CHF100A变频器控制,其中每台电机额定功率为11KW,额定频率为50HZ,额定转速为1390 R/MIN,额定电流为24A,变频器额定输出功率为45KW,制动电阻阻值为4欧姆、功率为30KW。
为提高起停时电机输出的扭矩,变频器采用开环矢量控制模式,并配置制动单元与制动电阻。变频器采用端子控制方式,通过带有上升、停机、下降功能的手柄控制变频器上升、停机、下降输入信号。变频器有两路输出继电器RO1、RO2,其中RO1设置为故障输出功能,RO2设置为变频器输出频率检测功能以控制电机制动器的抱闸接触器。

图2:升降机主电路

图3:控制电路

图4:抱闸制动电路
当主电路空气开关闭合时,在电路无故障情况下KM1吸合,主电路上电;在空气开关QF3和QF4闭合的情况下,控制电路上电;中间继电器KA1的状态由变频器输出继电器RO1控制,RO1A与RO1B之间为常闭触点,只有在变频器通电且发生故障的情况下RO1A与RO1B之间才断开;控制电路上电时,KA1吸合,如果变频器启动按钮触发,则KM2吸合且自锁,变频器输入电源由交流接触器KM2控制;变频器设置成端子控制方式,上升与下将命令由继电器KD与KH控制,且KD与KH在电气接线图上形成互锁,如此设计主要是考虑方便操作;在升降机工作中变频器出现故障时,RO1A与RO1B之间断开,KA1断开,从而KM1断开,变频器输入电路断开,RO1A与RO1B之间重新闭合,如操作者再按下变频器启动按钮ST1,则KM1重新吸合,变频器重新上电,可查阅变频器上一次故障及时排除故障,在故障没有排除的情况下,即使重新触发变频器启动按钮ST1,启动上升或下降开关,升降机也无法上升或下降。这样,通过变频器输出继电器与外围电气设计,使系统强制性的在安全范围内工作,控制流程如图5所示

图5:控制流程
抱闸控制继电器KB通过变频器输出继电器RO2控制,RO2A与RO2C之间为常开触点。变频器启动且变频器上升或下降端子接通时,变频器直接以0.3HZ频率启动,且持续保持0.3S,0.3S后变频器输出频率以设定的加速度上升,当变频器输出频率达到0.31HZ时,RO2A与RO2C之间接通,抱闸控制继电器KB吸合,电机制动器松闸,电机处于可运行状态,如此设置目的是使升降机在上升或下降启动时电机输出足够的扭矩防止“溜钩“,同时也防止在上升启动时电机冲击机械系统而产生振动甚至损坏整个机械系统。
当变频器控制升降机在上升过程中减速时,变频器处于第二象限工作状态,当变频器输出频率低于或等于0.31HZ时,RO2A与RO2C之间断开,抱闸控制继电器KB断开,电机制动器立即抱闸。为保证抱闸稳定,变频器输出频率继续按设定的减速度下降,当输出频率为0.3HZ时,变频器输出直流制动电流,使电机提供100%的制动扭矩,且持续时间为1S,如此设置目的是为保证电机在低速至停机过程中具有足够的扭矩防止“溜钩“,同时也使升降机在上升过程中停机时不产生抖动,且能实现准确的定位。
当变频器控制升降机在下降过程中减速时,变频器处于第四象限工作状态,当变频器输出频率低于或等于0.31HZ时,RO2A与RO2C之间断开,抱闸控制继电器KB断开,电机制动器立即抱闸,为保证抱闸稳定,变频器输出频率继续按设定的减速值下降,当输出频率为0.3HZ时,变频器输出直流制动电流,使电机提供100%的制动扭矩,且持续时间为1S,如此设置目的是为保证升降机下降过程中电机在低速至停机过程中具有足够的扭矩防止“溜钩”,同时也使升降在下降过程中停机时不产生抖动,且能实现准确的定位。
当运行过程中变频器出现故障,如变频器过流、电机过载等故障时,由控制电路将变频器输入电路立即切断,RO2A与RO2C之间断开,抱闸控制继电器KB断开,电机制动器立即抱闸,整个系统处于安全状态,如此在整个系统处于非运行状态时,电机制动器均处于抱闸状态,保证了整个系统的高度安全;电机制动器抱闸与松闸控制流程如图6所示。

图6:抱闸与松闸
3 、变频器设定参数值
4 、系统调试
在确保主电路及控制电路接线正确的情况,系统开始上电调试。按照建筑提升机行业的实验规则,将调试分为空载调试、1/2额定负载调试、额定负载调试及125%额定负载调试几个阶段。
考虑到低频转矩问题,变频器采取开环矢量控制模式,故调试前需对电机参数进行自学习。参数自学习有静态与动态两种。在负载及减速机无法脱开的情况下,需进行静态参数自学习。鉴于该行业的机械特征,通常采取静态参数自学习。自学习前必须正确输入电机的铭牌参数(P2.01-P2.05),自学习后可检测出电机的定子电阻、转子电阻以及电机的漏感。电机的互感和空载电流调节规律如下:
互感调节规律:1/2额定频率运行时,变频器输出电压需为190V左右,若偏低则适度提高互感值,反之亦反。额定频率运行时,变频器输出电压需为380V左右,若偏低则适度提高互感值,反之亦反。
空载电流调节规律:空载电流一般为电机额定电流的1/3,小电机的空载电流占额定电流的比例会高一些,有的会达到50%~60%。
经现场调试验证,该升降机在运行过程中,电机的松抱闸逻辑健全,没有发生溜钩现象,起停时无明显的冲击,在性能上完全达到用户要求。
5 、结束语
采用英威腾CHF100A变频器,不仅使建筑升降机整个电气系统的设计简单、可靠,整个系统始终处于安全运行状态,而且可以通过变频器故障查询功能迅速排除系统故障;在起停过程中,几乎感觉不到机械系统之间的冲击,大大提高了升降机运行过程中的平稳性和舒适感,同时也极大地提高了工作效率。
(转载)



