传统的汽车尾气检测方法采用底盘测功机测试法。该方法的工作原理是:在室内,结合底盘测功机和气体分析仪,在预设机动车行驶工况下来测试机动车的尾气排放量.但由于这种方法必须在室内,且要求按固定行驶工况对机动车进行测试,因此不能真实反映实际道路上的尾气排放,且排放测试系统体积过于庞大,使用时操作困难,被检测的车辆往往需花费大量的时间才能得到检测结果。
上述缺点的存在,表明传统的汽车尾气检测系统无法有效的监管汽车尾气的排放,有必要研制出一种可检测汽车行驶在实际道路时尾气成分的系统,并且该系统能根据检测结果立即判断汽车尾气是否超标,有效节少检测时间。
利用RFID技术可自动识别的特性,本文基于RFID技术介绍了一种汽车尾气检测系统的设计方案。
1.系统的总体设计
本文设计的汽车尾气检测系统电路包括检测模块和判断模块,汽车尾气检测系统可通过检测模块准确检测行驶在实际道路的汽车尾气成分,并将检测结果发送至检测路段的判断模块,判断模块对汽车尾气是否超标作出判断并发送相应的信号给报警模块。可在多个路段设可有判断模块,随时接收经过该检测路段汽车的尾气排放数据,可实现无需人工操作便可准确测试机动车尾气成分,大大减少了检测时间,汽车尾气检测系统的原理图如图1所示。

该系统要实现以下任务:
(1)系统完成对汽车尾气的检测及对汽车尾气是否超标作出判断。电路包括检测模块和判断模块,检测模块安装在汽车上,判断模块安装在检测路段的附近。
(2)判断模块完成控制检测模块是否开始检测汽车尾气,并根据检测的数据是否超标,对报警模块发出相应的信号。
(3)检测模块完成对汽车尾气的检测,并将检测结果及汽车车牌号发送给判断模块。
2.系统硬件电路设计
根据汽车尾气检测系统的功能要求,设计了基于RFID技术的汽车尾气检测系统。
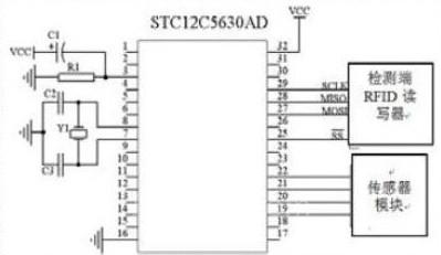
2.1 检测模块
检测模块由中央控制模块、传感器模块和检测端RFID读写器构成,传感器模块中至少包括氮氧化物传感器、一氧化碳传感器及碳氢化合物传感器,传感器模块安装在汽车排气管内部,中央控制模块与检测端RFID读写器电连接,传感器模块与中央控制模块电连接。
检测模块的部分电路原理图如图2所示,中央控制模块采用单片机STC12C5630AD,单片机的P3.7端口与传感器模块电连接,用于控制传感器模块是否工作,单片机的第P1.0、P1.1和P1.2引脚与传感器模块电连接,用于接收传感器模块采集的信号。单片机SPI接口的4个引脚: MISO 、SCLK 、MOSI 和S 分别与检测端RFID读写器的SPI接口电连接,用于接收检测端RFID读写器读取的可读写标签的UID,并可将传感器模块采集的数据及汽车车牌号发送给检测端RFID读写器。

2.2 判断模块
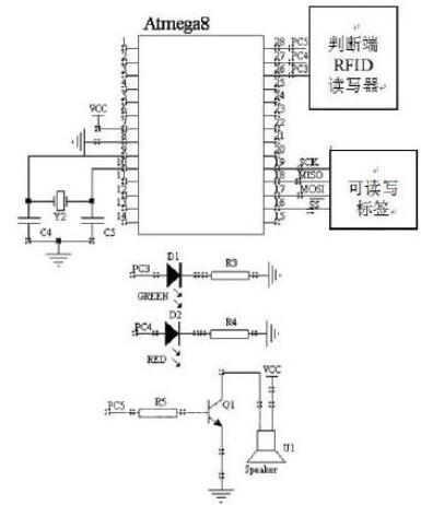
判断模块由判断端RFID读写器、可读写标签、处理模块和报警模块构成,处理模块与判断端RFID读写器电连接,处理模块与报警模块电连接。

判断模块的部分电路原理图如图3所示,处理模块采用单片机Atmega8,其SPI接口的4个引脚: MOSI 、SCK 、MISO 、MOSI 和S 分别与判断端RFID读写器的SPI接口电连接,用于读取判断端RFID读写器中的数据,该数据是判断端RFID读写器读取可读写标签存储的数据。
报警模块采用彩色LED作为指示灯、扬声器作为发生装置,单片机Atmega8的第PC3、PC4端口分别与绿色指示灯D1、红色指示灯D2电连接,PC5端口通过电阻R5与扬声器U1电连接。若被检测的汽车尾气超标,则红色LED亮,且扬声器发出警报;若未超标,只有绿色LED亮。
判断模块可分别设在多个路段,不同路段可随时接收检测经过该路段汽车的尾气排放成分,并可立即判断出汽车尾气是否超标,有效节约检测时间。
3.系统软件设计方案
汽车经过尾气检测的路段时,系统的检测端RFID读写器通过无线电波读取该检测路段判断模块的可读写标签UID,并将UID发送至中央控制模块,中央控制模块发送信号至传感器模块,传感器模块接收信号后开始检测汽车尾气,中央控制模块接收传感器检测到的信号,并将采集的数据及汽车车牌号发送给检测端RFID读写器,检测端RFID读写器通过无线电波将数据写入判断模块的可读写标签,判断端RFID读写器读取可读写标签的数据并发送至处理模块,处理模块根据检测到的数据是否超标,对报警模块发出相应的信号。

4.总结
本文先介绍了汽车尾气检测系统的研究现状,提出了一种汽车尾气检测系统的设计方案。本方案通过检测模块测试行驶在实际道路上汽车的尾气成分,并通过检测路段的判断模块立即作出是否超标的判断,实现了无需人工操作便可准确测试汽车尾气成分是否超标的功能,有效减少了检测时间。
(转载)



