2014年4月1日,致力于亚太地区市场的领先电子元器件分销商---大联大控股宣布,其旗下世平推出基于ADI、ON Semi、TI的电动汽车电池管理系统方案。
电动车未来将以锂电池为主要动力驱动来源,主因在于锂电池有高能量密度优势,但锂电池也具有大量生产时质量不易掌握等劣势。因此BMS (Battery Management System)电池管理对于电动车而已则尤为重要。
BMS (Battery Management System)电池管理系统主要分为两部分,第一部分是前端模拟测量保护电路 (AFE),包括电池电压转换与量测电路、电池平衡驱动电路、开关驱动电路、电流量测、通讯电路;第二部分是后端数据处理模块,就是依据电压、电流、温度等前端计算,并将必要的信息通过通信接口回传给系统做出控制。
因此,透过BMS能准确量测电池组使用状况,保护电池不至于过度充放电,平衡电池组中每一颗电池的电量,以及分析计算电池组的电量并转换为驾驶可理解的续航力信息,确保动力电池可安全运作。电池管理系统广泛应用于电动工具,电动自行车,电动汽车,储能电站,UPS等产品的电池中,预测2013年至2015年全球BMS市场产值成长幅度将大幅跃升至25%~35%。针对这一市场趋势,大联大控股世平推出ADI、ON Semi 、TI 电池管理系统方案。
一、ADI全隔离式锂离子电池监控和保护系统
1. 方案特点
锂离子电池组包含大量的电池单元,必须正确监控才能提高电池效率,延长电池寿命确保安全性。方案中的 6 通道 AD7280A 器件充当主监控器,向系统演示平台评估板提供精确的电压测量数据,而 6 通道 AD8280 器件充当副监控器和保护系统。
AD8280 是一款用于锂离子电池组的纯硬联机安全监控器,配合 AD7280A 使用时,可提供具有可调阈值检测和共享或单独报警输出的低成本、冗余、备用电池监控器。它具有自测功能,因此适合混合动力电动汽车等高可靠性应用或者不间断电源等高压工业应用。AD7280A 和 AD8280 均从监控的电池单元获得电源。
ADuM5404集成一个DC-DC转换器,用于向ADuM1201和ADuM1401隔离器的高压端供电,以及向AD7280ASPI接口提供VDRIVE电源。这些4信道、磁性隔离电路是安全、可靠、易用的光耦合器替代解决方案。

图示-方案框图
2. 芯片参数:
2.1 ADI AD7280A 参数
单颗处理 4 - 6 s 前端
12 Bit ADC 采样,平均每信道采样时间 1 us
能够对 6 个信道的电压和温度进行监测,典型
精度达 ±1.6 mV (典型值)
多个 AD7280A 可采用菊花链连接,单个电路
板最多可监控 48 个电池单元,转换只需 7 μs
提供被动式电池单元平衡控制功能
转换模式下功耗小于 6 mA
断电模式下功耗小于 1.8 uA
SPI 通信提供 CRC 校验保证数据的可靠性
2.2 ADI AD8280 参数
电压范围:6.0 V – 30 V
多路输入可监控 3 - 6 路电池电压和 2 个温度
可调监控阀值:过压、欠压、过温
报警选项:单独或者共享报警
可通过菊花链方式连接
二、ON Semi 电池监护方案

三、TI推出电池主动式均衡负载技术
1.方案特点
TI推荐电动车所采用的主动均衡方式:每个电池芯藉由矩阵开关控制变压器与充电线路的组合,形成一个有调整功能的电压/电流「蓄水池」的功能,当电池芯由于多次充放电后产生不一致性而导致整组电池充放电容量下降,可藉由后端连接蓄水池的线路做调整,充电时不会因为监控到某个电池芯内压过高而停止充电,放电时也可以完全的100%的释放能源,进而延长电动车的行驶距离。
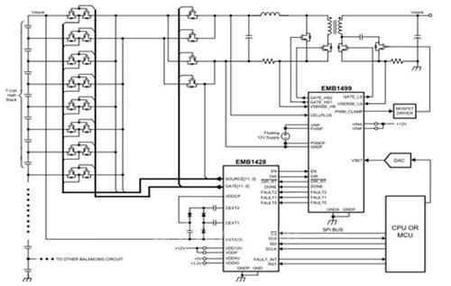
TI在隔离式DC-DC主动均衡技术的能源转换效率高达87%。像EM1410芯片组由5颗核心芯片加上5颗电源供应芯片所组成,其中最主要的EMB1432为十四信道AFE芯片、EMB1428为七信道闸控制器芯片,与EMB1499为七信道电压控制芯片等,来建构十四通道双向主动式电池芯均衡功能,串联14颗电池芯与最高60V工作电压,提供5V双向均衡电压与最大750V堆栈输出电压能力,并满足AECQ-100车用电子验证标准。

2.芯片参数:
2.1 EMB1432Q
单颗处理 14S前端模拟
最高输入耐压60V
输出电压误差为+/- 1mV
SPI 通讯支持1MHz
符合ACE-Q100汽车规范
2.2 EMB1428Q
最高输入耐压60V
SPI 通讯支持1MHz
最低待机功耗(<100uA)
符合ACE-Q100汽车规范
2.3 EMB1499Q
最高输入耐压60V
SPI 通讯支持1MHz
最低待机功耗(<30uA)
符合ACE-Q100汽车规范
更多的产品及方案信息,请联系世平。世平版权所有,转载请注明出处!
如欲访问大联大控股网站获得更多信息,并说明我们分享给更多人,请关注大联大官方微博(@大联大)。
关于大联大控股:
大联大控股是亚太区市场份额领先的电子元器件分销商,总部位于台北(TSE:3702),旗下拥有世平集团、品佳集团、诠鼎集团及友尚集团,员工人数近6,000人,代理产品供应商超过250家,全球超过130个分销据点(亚太区约80个),2013年营业额达136亿美金(自结)。
大联大控股开创产业控股平台,持续优化前端营销与后勤支持团队,扮演产业供应链专业合作伙伴,提供创造需求(Demand Creation)、交钥匙解决方案(Turnkey Solution)、技术支持、仓储物流与IC电子商务等增值服务,满足原始设备制造商(OEM)、原始设计制造商(ODM)、电子制造服务商(EMS)及中小型企业等不同客户需求。国际化经营规模与本地化销售渠道,长期深耕亚太市场,连年获得专业媒体评选为「亚洲最佳IC分销商」,稳踞全球第三大电子元器件分销商。
为提高大联大的本土化服务质量,满足大中国区服务区域客户的差异化需求,大联大(中国)服务六大领域包括中资(China Based Manufacturers)、台商(Taiwan-Based Manufacturers)、外商(Electronic Manufacturing Service)、日商(Japan-Based Manufacturers)、韩商(Korea-Based Manufacturers)及港商(Hong Kong-Based Manufacturers)客户。大联大除提供客户最佳的交钥匙解决方案(Turnkey Solution),并为满足客户小批量器件采购需求,特别成立专责的小批量服务团队(SQS, Small Quantity Service)。大联大已分别于内地及香港成立大联大商贸、大联大商贸(深圳)及大联大电子(香港),以「产业首选.通路标杆」为企业愿景,全面推行「团队、诚信、专业、效能」之核心价值观,以专业服务,实现供应商、客户与股东互利共赢。
(转载)



