一、引言:
引风机是依靠输入的机械能,提高气体压力并排送气体的机械,它是一种从动的流体机械。 引风机广泛用于工厂、矿井、隧道、冷却塔、车辆、船舶和建筑物的通风、排尘和冷却;锅炉和工业炉窑的通风和引风;空气调节设备和家用电器设备中的冷却和通风;谷物的烘干和选送;风洞风源和气垫船的充气和推进等。
二、公司介绍:
龙岩某红砖厂拥有标准化的生产车间和仓库,引进全球最先进的意大利全自动设备生产线及意大利制砖技术,采用环保、稳定的高热卡天然汽做燃料,公司拥有专业的产品研发队伍、生产管理团队和市场营销团队,从原料选择、配料球磨、坯料干燥到窑炉烧成、成品检测到包装入库,每一道工序都精密控制、严格把关、确保生产出广大用户最欢迎的产品。
三、用现场及设备:


四、应用现场工艺要求:
引风机的工作原理与透平压缩机基本相同,只是由于气体流速较低,压力变化不大,一般不需要考虑气体比容的变化,即把气体作为不可压缩流体处理。现场要求风机软起,能有效保护电机等开关元件,提高效率,节约电能!启动时要稳,风力不要太大,也不要太小,调至35HZ , 60S启停。
五、利用何种功能解决此应用要求:
利用欧科变频器进行控制,电机可平滑启动,对电网无冲击,内置转速追踪功能,掉电能正常再启动,强大的过流能力,能保证设备正常运行,独立散热风道,能保证变频器在40℃高温环境下正常工作。
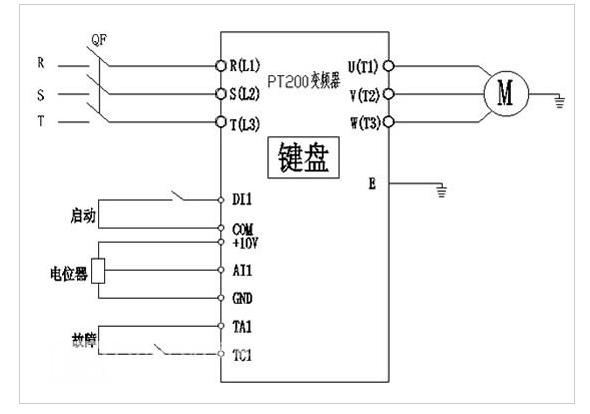
六、电气接线图,参数设置:
接线图

参数设置如下表

七、此工况变频器的日常保养和维护、注意事项等:
1. 注意电磁干扰。
2. 注意环境温度。
3. 注意灰尘、粉尘的进入。
4. 注意雨天防水漏入、流入设备内部。
(转载)



