一 智能阀位指示器简介
美国StoneL公司是专业生产工艺过程中阀门监控和通信设备的厂家。它把高度可靠的固态阀位传感器和现场总线技术相集成,研制生产了低成本、高可靠的智能阀位指示器。控制系统通过现场总线可以监视和控制设备(开关阀或调节阀等)。它使现场总线控制系统不但能实现模拟量的控制,也能实现开关量的控制,应用范围大大扩展。根据使用范围不同,StoneL公司的产品有多种防护等级和通信协议可供选择,其中通信协议有:AS-i(执行器传感器接口)协议,Modbus协议,DeviceNet协议,Foundation Fieldbus协议;另外,通过网关可实现与Profibus或者Ethernet及其他协议的通信。
StoneL阀位指示器分为6个系列,分别为Eclipse,Visual Indicator,Quartz,SolaR,Onxy,Hawkeye。其中,紧凑、一体型的Eclipse适用于ISO标准的Namur执行器;独立的可视显示器(Visual Indicator)在75英尺的范围内可清楚地观察阀门位置的状态;环氧树脂涂层镀铝的Quartz是防爆/防火环境的最理想选择;防腐和防水的SolaR产品是在过程应用中满足一般用途的理想产品;完全气动型的Onxy是腐蚀性和/或阻燃环境的理想选择;完全密封的316不锈钢壳体和热塑聚碳酸酯检测探头的一体式Hawkeye适用于阻燃环境。
针对石化领域,StoneL推出了FF总线的阀位指示器,这种阀位指示器可选购配套的低功耗防爆电磁阀。电磁阀的电流消耗为2mA@7.5V,低电压低电流启动,防爆等级为Eexia IIC T6。这样就极大地提高了总线上可带阀位指示器的数量。一根总线最多可带16个阀位指示器,节省了布线。
常州化工厂的聚氯乙烯(PVC)料仓控制系统使用了28台DeviceNet协议智能阀位指示器(SolaR系列),系统控制器采用了OMRON的C200HG,通信主站C200HW-DRM21-V1将28个阀门通信终端挂在一个4线干线网络上,实现对阀门的远程监视和控制。
二 DeviceNet总线功能
DeviceNet可将多达63个设备连接在一个网线制的干线网络上,它可直接与普通的PLC连接,包括国内较流行的A-B、GE、OMRON等公司的PLC产品。
DeviceNet可使你直接添加简单的数字量和复杂的模拟量设备,供应电源的两芯线和带有数据的两芯线组成了4线制的总线。DeviceNet网络经设计与验证,证明其适合于危险场合使用,像防制动、空气吹袋等场合。同时它可以很好地消除噪音,适合于工业如过程工业环境使用。
带DeviceNet协议的一般用途型(SolaR系列)智能阀位指示器的功能介绍如下。
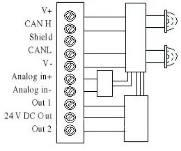
结构:两个数字量输入(阀位的开和关)。
两个带24V DC的数字量输出(控制电磁阀)。
1个两线制模拟量输入(8位分辨率)可直接带两线制4~20mA仪表。
通信波特率:软件选择125k、250k或500k。
接线图见图1所示。

三 常州化工厂PVC料仓控制系统简介
1. 工艺流程及控制说明
工艺流程见图2所示。

TK-1-1、TK-1-2两只料仓存放1#PVC装置的PVC成品粉料;TK-3-1、TK-3-2两只料仓存放3号PVC装置的PVC成品粉料。PVC粉料分别由两套装置送料单元的称量罐交替定量通过压缩空气将粉料输送出去。
UV-6、UV-13、UV-20、UV-27分别为TK-1-1、TK-1-2、TK-3-1、TK-3-2的进料阀;UV-7、UV-14、UV-21、UV-28分别为TK-1-1、TK-1-2、TK-3-1、TK-3-2的出料阀;UV-1、UV-2、UV-3、UV-4、UV-5为TK-1-1料仓的吹风混料总阀和分阀;UV-8、UV-9、UV-10、UV-11、UV-12为TK-1-2料仓的吹风混料总阀和分阀;UV-15、UV-16、UV-17、UV-18、UV-19为TK-3-1料仓的吹风混料总阀和分阀;UV-22、UV-23、UV-24、UV-25、UV-26为TK-3-2料仓的吹风混料总阀和分阀。PT-1为料仓吹风压力变送器,PV-1为料仓吹风压力调节阀。
进料控制:TK-1-1、TK-1-2料仓为一组,TK-3-1、TK-3-2料仓为一组。以TK-1-1、TK-1-2料仓为例说明如下:程序开始后,自动打开一只进料阀(系统默认UV-6),料仓进料阀设手动、自动和开关按钮,一组料仓进料阀不能同时打开,若人工误开第二只进料阀时,系统报警提示,而不执行。
程序先判断料位是否正常。如测量值低于量程下限的5%(3.2mA)和高于量程的105%(20.8mA)即为料位计出错,失常报警。料位计正常时,进料的料仓的料位大于设定值LL时(卸料时进料阀关闭不执行吹风程序),启动该料仓的吹风混料程序,将吹风阀打开(TK-1-1的吹风总阀为UV-1,循环吹风阀为UV-2、UV-3、UV-4、UV-5),执行吹风混料程序。此时总阀打开,4个分支按每个Tset分钟循环吹风,直至料仓达到高位设定值LH后关闭该料仓进料阀(UV-6),开本组另一只进料阀(UV-13)进料;满料的料仓(TK-1-1)经Tset小时吹风充分混料后自动关阀停止吹风动作。
出料控制:流程画面出料阀只设手动开关阀按钮,4个料仓只能打开一只出料阀,若人工误开第二只出料阀时,系统报警提示,而不执行。当该料仓料位低于下限LLA或剩余量W1小于设定值WLA时,且此时该料仓出料阀为开,则报警并提示换仓包装、更换包装袋或更换批号。
吹风阀可程控和人控。程控:如上所述。人控:每组只设开始和停止,开始时,该组打开总阀,分阀自动按Tset循环;停止,则关闭所有阀。
吹风压力PID控制:设压力高低报警。PID的参数调正,作用方向改变,手动、自动按钮,设定值设置;MV设置;
画面:流程总视图,分流程图,料位趋势曲线,吹风压力趋势曲线,参数表设定。
2. 控制系统硬件简介
控制系统采用了OMRON C200HG PLC,人机接口采用了OMRON NT631触摸屏。使用了16点数字量输入模块C200H-ID212一块,16点数字量输出模块C200H-OC225一块,8通道模拟量输入模块C200H-AD003一块,两回路PID控制模块C200H-PID03一块,DeviceNet协议网络主站C200H-DRM21-V1一块。系统组成如图3所示。

四 应用效果
由于采用了DeviceNet总线技术,从经济效益角度来看,比采用传统点对点的阀位指示器要节省30~40%的施工安装和硬件配置费用。
这个项目节省了敷设电缆800m、电缆穿线管500m、电缆穿线盒50个和其他一些施工材料,包括施工安装的人工费用在内共节省了7万元人民币;PLC硬件配置节省了16点开关量输入卡4块、16点开关量输出卡两块、扩展箱1个,计1.08万元人民币。以上两项共计节省了8.08万元人民币,节省比例达到40%,同时大大降低了施工量,减少了施工时间,为新厂开车赢得了宝贵的时间。
从现场几个月的使用情况来看,工作安全可靠,维护量几乎降为零,达到了令人满意的效果,为工厂平稳运行创造了一定的经济效益。
(转载)



