应用介绍
1、公司介绍:我公司是以生产、销售、研发除盐水、污水处理工艺及设备为主并且从事水处理设备安装的股份制企业,建设项目及销售网点遍布全国各地。
2、应用简述:本项目是比较典型的一个脱盐水处理项目,该系统工艺简单,所用设备较少,根据项目具体情况,采用西门子LOGO!智能逻辑控制器进行设备的自动化运行。
二、应用说明
1.功能描述
反渗透是反其自然渗透过程的一种科学方法,渗透和反渗透均是通过半透膜来完成的,当用半透膜隔开两种不同浓度的溶液时,稀溶液中的溶剂就会透过半透膜进入浓溶液一侧,这种现象叫渗透。当在浓溶液侧施加一外来压力时,渗透过程即停止,即达到所谓渗透平衡,平衡状态所需要的外加压力称为渗透压差。渗透压是溶液本身的一种性质,其值与膜无关。当继续增大浓溶液一侧的压力,即所施压力大于渗透压力时,溶剂会反其原来的渗透方向,由浓溶液侧通过半透膜进入稀溶液侧,这种现象称为反渗透,如图1。

图一 反渗透原理
此项目只有一套反渗透系统,由保安过滤器、增压泵、反渗透装置组成。电气控制设备包括两套电动阀分别为反渗透浓水排放阀和冲洗进水阀,一台增压泵,一台高压泵,三台加药计量泵,浓水池有两个液位开关,每台增压泵进出口各一个压力开关,如图2所示。

图二 系统组成
2.工艺流程
工艺流程如图3所示。

图三 系统流程图
自控说明:
1)反渗透装置开机自动低压冲洗:装置操作时,将模式控制旋钮置于“自动”位置,如浓水箱液位高于设定值(暂定1.5m),则顺序启动增压泵,打开反渗透浓水排放阀进行低压冲洗,冲洗5min左右,先关闭浓水排放阀,再启动高压泵,装置进入运行状态。
2)反渗透装置自动停机,停机低压冲洗:浓水箱液位低于设定值时(暂定0.3m),执行停机程序。先停止高压泵、增压泵,再打开冲洗进水阀、浓水排放阀,启动冲洗泵进行低压冲洗,冲洗15分钟后,先关闭浓水排放阀,再关闭冲洗进水阀,关闭冲洗水泵进入待机状态。
3)阻垢剂计量泵与高压泵联锁启停。
4)絮凝剂计量泵、加酸计量泵与增压泵联锁启停。
5)高压泵入口设低压开关,当泵入口压力低于0.05MPa时,压力开关动作,使高压泵停止运行,保证高压泵的安全(手动/自动状态均连锁控制)。高压泵停止后,即使泵入口压力恢复也不能立即启动高压泵,至少持续1min方可再启动高压泵,以避免频繁启动。
6)高压泵出口设高压开关,当泵出口压力高于1.8MPa时,压力开关动作,使高压泵停止运行,保证高压泵、膜元件、膜壳的安全(手动/自动状态均连锁控制)。高压泵停止后,即使泵出口压力恢复也不能立即启动高压泵,至少持续1min方可再启动高压泵,以避免频繁启动。
3、系统需求分析:该系统控制比较简单,步序少,但是逻辑性比较强,若使用继电器控制,需要大量的继电器和延时继电器,电路复杂,故障发生率较高,选用一块LOGO!就可以解决以上问题,而且价格合理,比使用S7-200及其他厂商PLC成本低,编程简单易上手,既有价格优势又有技术优势。
三、应用设计与实现
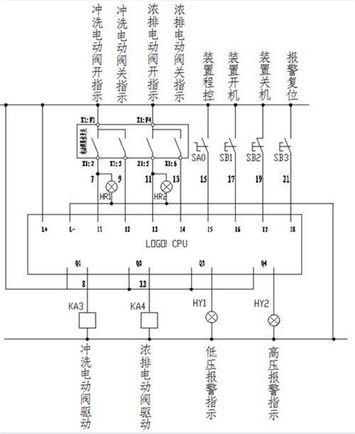
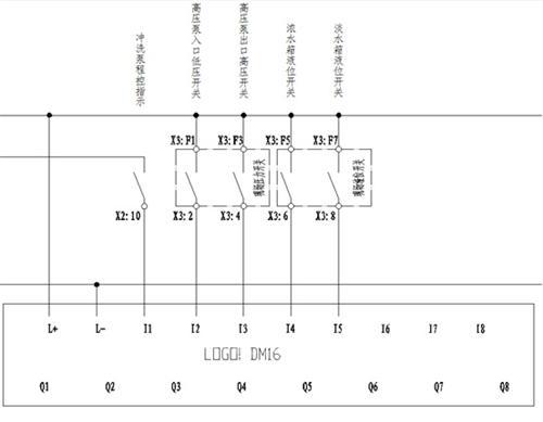
1、电气控制原理如图4至图6,系统硬件组成包括LOGO!12/24RC一块,I/O扩展模块DM16两块。

图四 LOGO!原理图

图五 DM16-1接线图

图六 DM16-2接线图
3、I/O分配表如表1所示。

表1输入输出信号表
4、控制方案编程设计
1)远程:将各设备转换到远程状态,并且无故障时才能自动运行,为防止设备损坏,当有任何一台电机故障时都将停止自动运行,程序如图7所示。
2)装置开机:远程状态下并且浓水箱高液位开关I20闭合时按下I6开机按钮,系统进入自动运行。当远程状态下按下I7关机按钮时,有两种情况:正常运行状态时停机,执行停机冲洗后停机;其他状态下停机,停止一切运行设备,程序如图8。
3)开机冲洗及正常运行:系统开机M1闭合后,当I21浓水箱高液位闭合时,且I2冲洗电动阀关状态处于闭合时,延时30S后打开Q2浓水排放阀, I3浓排阀开状态闭合后,开启Q6增压泵,进入开机冲洗状态。开机冲洗5Min后关闭浓排阀,浓排阀关指示I4闭合后启动Q5高压泵,系统进入正常运行状态,程序如图9。
4)待机、停机:系统正常运行时,若I20浓水箱低液位开关闭合,延时30S后停止Q6增压泵和Q5高压泵,然后开Q2浓水排放电动阀和Q1冲洗电动阀,然后开启Q7冲洗泵,进行停机冲洗,冲洗15Min后先关Q2浓水排放阀,然后关闭Q1冲洗电动阀,最后关Q7,冲洗泵,系统进入待机状态,当I21浓水箱高液位开关闭合时,系统自动进入开机冲洗,实现装置的自动循环运行,程序如图10。
5)报警:当高压泵入口压力低,I18闭合时,为保护高压泵,停止高压泵运行,并显示报警Q3,报警必须经I8复位后才可再启动高压泵,为避免频繁启动,报警出现1Min后才可再次启动高压泵;当高压泵出口压力过高,I19闭合时,为保护超滤膜,停止高压泵运行,并显示高压报警Q4,报警必须经过复位后才可再次启动高压泵,为避免频繁启动,报警出现1Min后才可再次启动高压泵,程序如图11。
6)阻垢剂计量泵与高压泵联锁启停,絮凝剂计量泵、加酸计量泵与增压泵联锁启停,以上连锁都是通过外部接触器辅助触点控制。
5、离线仿真与在线测试
西门子LOGO!编程软件集成离线仿真功能,在程序下载前进行仿真测试能避免许多不必要的问题出现,仿真时可以进行断电测试,提高了系统的安全性。测试完毕后,将程序下载到LOGO!进行在线测试,如图12至图13所示,LOGO!状态如图14至图15。
6、应用实例
下面图16至图19是本公司最近调试的一个应用实例,控制是一样的,只是比本试用项目多了模拟量部分。
四、应用体会
1、通过实际编程,应用指令后才发现了LOGO!的强大,甚至有的计时器比step7还要方便,LOGO!完全替代了大量的继电器电路,节约了控制柜空间,减少接线,从而降低故障发生率。
2、灵活的编程方法,上手快,编程语言丰富,功能齐全,满足了不同的需求,自带显示面板是个亮点,可以不用PC监控查看内部程序,可以进行故障诊断。
3、高性价比,低廉的价格更具竞争力,适合在小型系统中开发使用。
如需了解更多信息:请访问
(转载)



