一、应用简介
应用简述:压滤机作为一种成熟的脱水设备,被广泛应用到环保领域,成为污水污泥处理的重要设备
公司介绍:公司专业生产压滤机,带式过滤机。按照国家行业标准,已成功研发手动式,机械式,液压式,程控自动式,厢式,板框式,挤榨隔膜式压滤机。公司还致力于环保领域的产品开发和研究生产DYQ型带式过滤机。

二、应用说明
a.高压卸荷:当投料过滤过程完成后,按“程序启动”按钮,启动压滤机开始卸料,高压卸荷阀将油缸内的高压卸掉,以防止压紧板松开时液压系统受冲击。高压泄荷时间由 PLC 控制,当延时时间达到后,压滤机自动转入压紧板松开状态。
b. 松开:油泵电机启动,松开阀得电,液压站往油缸前腔供油,活塞杆带动压紧板后退,滤室被打开,开始卸料,当压紧板接触到松开限位开关、后,压滤机自动停止
c. 压紧:油泵电机运转,压紧电磁阀得电,液压站往油缸高压腔供油,活塞杆带动压紧板前进,从而推动滤板执行压紧动作,当滤板与止推板相接触时,液压系统压力上升,当达到设定压力上限值时压滤机自动转入保压状态。
d. 补压:由于泄漏等原因会使液压系统压力逐渐下降,当其下降到压力下限值时,压滤机油泵电机自动启动,压紧补压,使压力表恢复上限值。

3.系统需要分析:该应用旨在保证自动压滤机的可靠工作,西门子LOGO!提供了可显示以及设定定时器,计数器等当前值,这方面甚至超越普通PLC的功能。而相比继电器电路,显得接线方便,带载能力强,以及缩减电气柜安装空间。提升了压滤机各部件品牌知名度。
三、应用的设计与实现
电气控制原理图说明(包括硬件配置以及安装图,如采用CAD绘制图请全部使用黑色线条,不接受彩色线条)

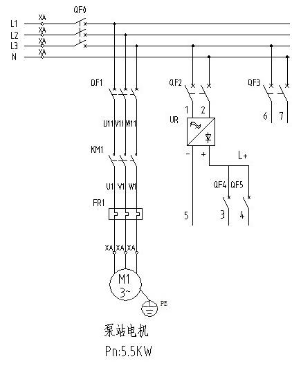
图3.主电路控制图

图!外部接线图

图5.分支电路控制图

图6.操作面板布置图
I/O分配表(包含LOGO!所有输入输出的地址以及功能说明,如下表)
表1程控压滤机输入输出信号表

LOGO! 控制程序说明

图7.油缸压紧控制程序

图8.油缸松开控制程序

图9.油缸保压程序

图10.油泵电机控制程序

图11.报警信息程序

图12.油缸压紧程序在线测试
应用设备图片展示(包括系统的整体图以及LOGO! 产品的局部特写图片,图片务必保证较高的清晰度

图13.压滤机整机图

图14.压滤机专用液压系统

图15电控柜内部结构图
四、应用体会
应用开发过程中使用西门子LOGO! 产品的体会,包括满意的地方,遇到的困难,解决的方案,对该产品的改进意见。西门子LOGO!入门较简单,对于熟悉电子电路的工程师来说,简直轻而易举。良好的显示器界面,包含LOGO!的工作状态,参数相关,以及诊断功能。更重要的是对于0BA7的LOGO!来说,配置以太网的接口,很方便的接入用户的以太网络中,相比PLC+以太网模块,成本相差很多。
如果熟悉其它品牌的相应产品,可以与西门子LOGO!产品进行比较。相比三菱FX系列,相对简单的控制,LOGO!更彰显性价比,显示器的界面甚至可以替代一般HMI。而SD卡的应用,以及显示器直接编程的功能,完全替代了现场通过电脑编程的繁琐,使得LOGO!变得更有灵活性。系统的投入时间,运行情况。
改系统投入一个月来,工作稳定,深得业内人士的好评。
如需了解更多信息,请访问
(转载)



