摘要:本文就四方V560系列变频器在台州某机床厂自动车床上的调试应用优势做了总结。随着工艺要求的不断提高,自动车床对变频的要求越来越高,在基于V560高性能矢量变频器的基础上,采用智能控制算法,很好满足了自动车床快速启动,快速定位等要求。
关键字:V560系列变频器,自动车床,伺服定位
一、自动车床工艺介绍
1.自动车床简介
自动车床,是一种高性能,高精度,低噪音的走刀式自动车床,是通过凸轮来控制加工程序的自动加工机床。另外也有一些数控自动车床与气动自动车床以及走心式自动车床,其基本核心是可以经过一定设置与调教后可以长时间自动加工同一种产品。特别适合铜、铝、铁、塑料等精密零件加工制造,适用于仪表、钟表、汽车、摩托、自行车、眼镜、文具、五金卫浴、电子零件、接插件、电脑、手机、机电、军工等行业成批加工小零件,特别是较为复杂的零件。
2.工艺说明
(1)装工件:主轴转动到固定位置,机械手将工件装入卡盘内;
(2)加工工件:主轴快速加速到所需转速,通过刀台的移动加工产品;
(3)卸工件:加工完成,将产品从卡盘内推出,同时卡盘快速的转动到固定位置装入下一个工件。
二、现场工艺要求及调试方案
1.现场要求
(1)加减速时间要求很短,加速0.5S,减速0.5S;
(2)定位速度要快,1秒以内;
(3)定位精度要求高,在2个脉冲范围内;
(4)定位完成后要有信号输出;
2.调试方案
客户前期使用某品牌闭环矢量变频器,我们采用的方案是:
V560(高性能闭环矢量变频器)+分频卡
3.V560系列变频器介绍
该产品基于四方全新的矢量控制平台,内置闭环矢量、开环矢量、V/F、力矩控制四类核心控制算法,可轻松实现各类复杂控制应用,可最多扩展3个扩展卡。变频器自带的近百种警示功能,可提前预警避免停机。
-最快75us的电流闭环响应周期,200%的启动力矩
-标配5位双行LED面板显示,可选配LCD、HMI操作面板
-内置多种系统宏和应用宏,宏参数调用,最简化参数设置
-虚拟输入输出,最大限度减少外部配线,并减少因外部配线引起的干扰
-自动实现多机同步传动时电流、功率或转矩的自平衡
-数百种转矩、转速组合设定
-主轴伺服与分度定位控制
-频率/转速设定通道的优先级可灵活配置
-现场调试的任意未存储参数,可一键存储或放弃并恢复原值
-人体工程学操作面板,可实现键盘或软件锁定与解锁
-自动屏蔽未使用功能模块的参数,或选择性显示已修改、已存储、已变动参数
三、调试参数和说明
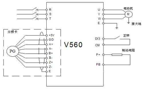
1、调试接线图

2、调试步骤及参数设定
(1)电机参数自学习

(2)参数辨识完成后,调试闭环矢量功能

(3)设置锁定到指定角度功能

四、调试效果对比

(转载)



