一.摡述
造纸企业是高耗能企业,据统计,每吨纸耗能都在500KWh以上。水力碎浆机是制浆造纸工业中最常用的碎浆设备之一,主要碎解浆板、废旧书本、废旧纸箱等。水力碎浆机是耗电非常高的一些单体设备,其最大的缺点是耗能高,生产能力相对较小,工作效率低。在目前的造纸装备中,水力碎浆机有立式和卧式,单转盘和双转盘,间歇操作和连续操作等不同形式。本文主要阐述宁波某造纸厂车间应用变频节能技术对水力碎浆机进行改造的情况。
二.立式水力碎浆机主要组成和工作原理
立式水力碎浆机主要结构有槽体、转子(叶轮)、底刀环和电机等。一般转盘的圆周速度为1000m/min,槽体直径为1—6m。我国目前水力碎浆机的容积有1—30立方等多种型号。
工作原理:启动电机,叶轮开始转动,槽体中的浆料沿着轴线中心吸入,从圆周高速抛出,形成剧烈的湍流循环。由于叶轮翼的撕扯及不同速度的浆流层的相互濡动,产生一种巨大的摩擦作用,使浆料在湿态中强烈疏解、分离纤维,同时纤维束又在叶轮与筛板的间隙中互相摩擦,增加纤维化的作用。
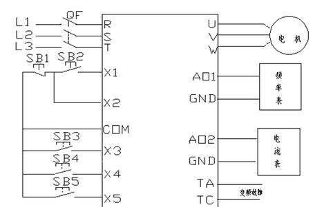
三.系统配置
对立式水力碎浆机原有系统存在的问题,采用变频器软启动和无极调速功能对原来控制系统进行优化。本系统选用阿尔法6000系列变频器,具有多种保护功能,低频启动力矩大,启动平滑,响应快等特点。系统配置电路图如下:

四.用户使用后的收益
1.采用变频控制解决了原来传统的星-三角启动所引发的一系列问题,经过测算综合节电效率高达25%以上。由于变频器对电机起到软启动作用,极大减少电机启动对电网的冲击。
2.采用变频控制后,电机浆泵的转速下降,轴承.等机械部分磨损降低,泵端密封系统不易破坏,机泵的故障大为降低,维修工作量也随之减少。
(转载)



