全自动洗衣机的原理
全自动洗衣机的洗衣桶(外桶)和脱水桶(内桶)是同一中心安放的。外桶固定,作盛水用;内桶可以旋转,做脱水(甩干)用。内桶的周围有很多小孔,使内桶和外桶的水流相通。洗衣机的进水和排水分别由进水电磁阀和排水电磁阀来执行。进水时,通过控制系统将进水电磁阀打开,经进水管将水注入到外桶。排水时,通过控制系统将排水电子阀打开,将水由外桶排到机外。洗涤正转、反转由洗涤电动机驱动波盘的正、反转来实现,此时脱水桶并不旋转。脱水时,控制系统将离合器合上,由洗涤电动机带动内桶正转进行甩干。高、低水位控制开关分别用来检测高、低水位。启动按钮用来启动洗衣机工作,停止按钮用来实现手动停止进水、排水、脱水及报警。排水按钮则用来实现手动排水。
1、控制要求
该全自动洗衣机的可以用下图所示流程图来表示。

按下启动按钮后,洗衣机开始进水。水满时(即水位到达高水位,高水位开关由OFF变为ON),PLC停止进水,并开始洗涤正转,正转洗涤15S后暂停,暂停3S后开始洗涤反转。反洗15S后暂停。暂停3S后,若正、反洗未满3次,则返回从正洗开始的动作;若正、反洗满3次,则开始排水。水位信号下降到低水位时(低水位开关由ON变为OFF),开始脱水并继续排水。脱水10S即完成一次从进水到脱水的大循环过程。若未完成3次大循环,则进行洗完报警。报警10S后结束全部过程,自动停机。
此外,还要求可以按排水按钮以实现手动排水;按停止按钮以实现手动停止进水、排水、脱水及报警。
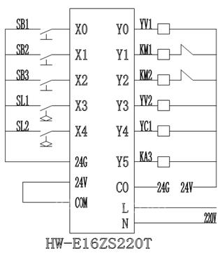
2、通道分配及IO分配图 PLC选用海为HW-E16S2T
I/O通道分配
输入信号: 启动按钮SB1 X0
停止按钮SB2 X1
排水按钮SB3 X2
高水位开关SL1 X3
低水位开关SL2 X4
输出信号: 进水电磁阀YV1 Y0
电动机正转接触器KM1 Y1
电动机反转接触器KM2 Y2
排水电磁阀YV2 Y3
脱水电磁离合器YC1 Y4
警蜂鸣器KA3 Y5

3、PLC程序附图


(转载)



