摘要:
电动葫芦是一种在起重行业常见的一种起重设备,它体积小,重量轻,固定于单梁上,可水平移动,直接垂直提升物品,对指定地点的物品进行装卸作业。电动葫芦电机采用锥形电机控制,通过合康变频器对电机控制部分进行改造,改造后的电动葫芦启动平稳,被吊物品定位准确,在频繁启动情况下不会烧坏电机。
1. 前言
电动葫芦以往没有采用变频器控制,在启动时电流和机械冲击很大,时序配合不好时提升机构还会产生溜钩现象,提升和下降的速度也无法控制。变频调速具有节能、环保、降低启动电流等优点。电动葫芦采用合康变频器改变电源频率变化,来控制电动机的转速,运行性能得到了很大的提高。
2. 项目介绍
项目名称:长垣某电动葫芦
电动葫芦的电机驱动系统
A、提升机构:1台15kW锥形转子制动三相异步电动机驱动
B、大车行走机构:2台1.5kW电磁制动三相异步电机驱动要求两台电机同时工作
C、小车行走机构:2台0.8kW三相异步电机驱动要求两台同时工作

图1 电动葫芦应用场景

图2 电动葫芦应用场景
3. 现场应用需求
1、 要求低频力矩大,过载能力强。
2、 要求提升下降位置准确,重载、空载停车位置基本一致。
3、 减小噪声,降低电机温升,保护电机。
4、制动电阻的选择:提升机构在下降过程中会产生很大的再生能量,常常会发生过电压现象而跳闸,因此必须配备制动单元和制动电阻,合康变频器已内置制动单元,配备合适制动电阻就可以保证变频器正常运转。
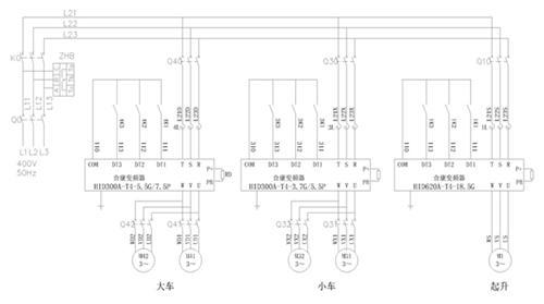
4. 现场变频控制解决方案

变频器控制系统原理图
1、提升机构采用HID620A系列变频器进行控制,采用无PG矢量模式控制提升机构的上升和下降,采用多段速控制方式实现高速和低速转换。
2、大车行走机构采用HID300A系列变频器同时控制两台电机实现正反转,高速低速转换。
3、小车行走机构采用HID300A系列变频器同时控制两台电机实现正反转,高速低速转换。
5. 变频器调试
变频器参数设置

6. 应用效果
采用变频控制的电动葫芦具有以下特点:
●减小启动、制动时的冲击
该电动葫芦具有平稳运转的性能,可以在基本停止的状态下进行抱闸,因而能减轻启动、制动时的冲击,特别适用于物品就位精度要求高不允许有冲击、振动的工作环境。
●低频力矩大、过载能力强
无PG矢量控制时0.25Hz输出180%转矩输出,180%额定电流1S的过载能力。
●方便设定大车、小车运行速度
通过变频器改变电源频率进行变频控制,采用多段速控制方式对电动机的速度进行设定,提高运行定位的准确性,也可以进行点动操作。
7. 结束语
电动葫芦采用HID620A系列变频器进行驱动后使整机性能有较大提高,具备了起升平滑、稳定、被吊物件定位准确的特点。加上变频器自身保护功能齐全,如过流、过载、过压等都能及时报警及停止,有效降低了电机温升,减少了电动葫芦的故障,提高了安全性能,降低维修成本,从而使合康变频器在电动葫芦上得到广泛应用。
(转载)



