摘要:简要介绍了嵌入式PLC在小型电加热供热供暖设备中的一个应用案例。嵌入式PLC在本案例中对多个加热单元的实行程序控制,在今后的系统运用中还可以进一步开发、深化网络的互连和智能控制等功能。
关键词:嵌入式PLC;电加热供热供暖设备;控制;网络互联;
一、引言
现在小型供热供暖设备一般分为烧煤、燃油和电加热等几种。我们使用嵌入式PLC,为武汉鑫天节能科技设备厂做了一个电加热控制系统,该系统已经在湖南长沙某个桑拿房里投入使用。本文以此项目为例,介绍嵌入式PLC在小型供热供暖设备中的应用。
二、设备控制主要技术要求和参数
本控制系统在的控制对象包括三个30KW的电加热单元和一个搅拌电机。系统对三个加热区和电机的开启顺序和时间有严格的要求。其工艺是:开启时三个加热区在搅拌电机运行一分钟后依次投入(三者之间有一定的时间间隔保证对电网扰动较少),停机时则依次停三个加热区的电源,当搅拌电机继续运行一分钟后停机,再停总电源;另外在控制过程中对系统的温度控制是通过温控仪实现二位式控制(把温控仪上、下限传到PLC输入点)。水温控制精度目前取决于温控仪(现在完全可以通过混合PLC做到)。
三、控制系统配置
1.控制器的选择
根据以上要求,从成本、性能和用户工艺保密考虑,选有开关量的嵌入式PLC(EASY—M1208R)即可很好地满足其工艺要求。
2.输入输出口定义
(1) 启动:X01
(2) 停止: X02
(3)温度上限: X03
(4)温度下限: X04
(5)流量开关A: X11
(6)流量开关B: X12
(7)流量开关C: X13
(8)总电源: Y1
(9)搅拌电机:Y2
(10)加热区A输出: Y3
(11)加热区B输出: Y4
(12)加热区C输出: Y5
说明:流量开关是用来判别各区管道中是否有水,避免加热器干烧
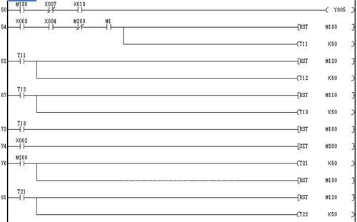
3. 软件实现说明
工程软件是在三菱的PLC编程环境下结合工艺要求,用步进阶梯指令编程,如下示:



四、系统特点
(1) 该控制系统具有通用性强,开发成本低廉;既满足用户的需要又简单适用,避免了常规继电器系统的繁杂和维护的麻烦,在不大量增加成本的前提下大幅简化系统结构。
(2)网络功能
科威公司EASY系列嵌入式PLC选用CANbus作为现场组网总线,凡按该标准开发的CAN网络从站设备均可连入EASY为主站的CAN网络,从而拥有CAN网络带给的增值服务,如利用平台节点进行梯形图编程,将产品信息送到人机界面等。
混合型PLC的另一通信网络是RS485网络,其物理接口是串口1,在串口1上,运行模式下加载了三菱FX2N计算机链接格式1协议的子集,即只对数据寄存器D进行读写操作,但嵌入式PLC既可为该协议的主站,也可作为该协议的从站.RS485网络通信速度规定为9600 BPS,但主从站的设置,通信报文数及报文长度的设定,报文发送频率控制等网络通信控制,由梯形图完成。
五、结束语
为了满足不同用户的需求,PLC本身预留有RS232和CAN的总线接口,可以为将来的系统升级和网络互连提供便利条件;另外,如果选用科威公司带模拟量的混合型PLC+字符屏,可以实现将温度信号直接输入PLC,让PLC直接实现温度控制,而字符屏则做为人机交互界面,可以实现不同系统中不同参数的设置,如控制温度、加热区之间的间隔时间、搅拌电机的运行时间、甚至于系统的智能运行如控制加热区在电价高峰和平价运行时间的比例。所以,系统的相关开发和运用还有很广阔的空间。
(转载)



