【摘要】本文主要介绍酸洗线的工艺流程以及台达产品在酸洗线上的使用情况,酸洗线的电控系统一直都是受到欧美品牌的垄断,这次使用表明台达产品也是能够在此胜任的。
热轧板卷系在终轧温度800~900℃高温下经受热轧,因此,在带钢表面生成大量氧化铁皮。如果不经过清洗而直接进入到冷轧,则:轧制时会将氧化铁皮压入带钢基体,影响冷轧板表面质量及加工性能;氧化铁皮破碎后进入冷却润滑的乳化液系统,损坏设备并缩短乳化液使用寿命;损坏轧辊。
为除去这种氧化铁皮,通常采用机械法和化学法相结合的方法。所谓机械法是采用除鳞机进行弯曲加工使氧化铁皮中发生龟裂,容易和酸接触而除掉氧化铁皮的方法。所谓化学法是使氧化铁皮和酸发生反应而除去氧化铁皮(FeO、Fe3O4、Fe2O3)的方法。所使用的酸通常是硫酸或盐酸。盐酸和硫酸相比较,具有与氧化铁皮反应快、生成的铁盐在盐酸中溶解度大等优点,因此,可加快酸洗线的速度,提高了生产效率。
酸洗是冷轧带钢生产工艺中非常重要的工艺,除了清除带钢表面的氧化铁以外,还具备调节卷重,剪去裂边的作用,为轧机提供合格的坯料,以保证冷轧机能顺利的生产出合格的带钢产品。常用酸洗线分推拉式酸洗线和连续式酸洗线两种。

酸洗前后
山东某地是厨具之乡,使用了大量的彩钢板。而经过热热轧后的钢带,需要经过酸洗,冷轧,镀锌,喷涂,最终才能成为彩钢板使用。某生产厂一直具备冷轧,镀锌,喷涂的生产能力,而酸洗的工艺一般都是在其他厂家完成的。为了完善整个生产工艺,此次也决定增加一条酸洗线。考虑到台达产品较高的性价比以及及时高效的技术支援,于是在此条酸洗线设备上,选用了台达的产品。
此条生产线设计最高线速度为50m/min,加工钢带的规格是:3mm×1010mm,重量为17吨。
1 工艺介绍

图1 酸洗线
酸洗线由入口段、工艺段(化学处理段)、出口段三部分组成。
入口段:入口段的主要作用是将带钢开卷、穿带输送到工艺段、出口段。上图中放卷,矫直部分都属于入口段的传动部分;
工艺段(化学处理段):工艺段由预清洗段、酸洗段及漂洗段组成。上图中挤干部分属于工艺段的传动部分。
出口段:上图中夹送,纠偏,切边,废边卷曲,张力棍,收卷部分都属于出口段的传动部分。
2 控制系统分析
本生产线主控系统是西门子S7-300,主要完成酸洗线各工艺功能的控制。
此条生产线的电气传动部分由多个单元组成,各单元之间必须保证速度同步,另外,在卷曲部分必须保证带材有合适的张力,以保证产品的质量。
酸洗线的电机一般有两种控制方式,速度控制方式和转矩控制方式。为了保证速度的同步性和有效张力,此条生产线中放卷部分,挤干部分, 废边卷曲部分以及收卷部分,我们采用了转矩控制方式;而矫直部分,夹送部分,纠偏部分,切边部分,张力棍部分,我们采用了速度控制方式。
为了保证速度控制方式下的同步性,本设备是通过高速总线Profi-bus通讯来实现。Profi-bus总线通讯的方式是采用数字量来完成与变频器之间的沟通,频率命令的精度可达到0.01Hz;高达1M的通讯速率,保证多个传动点之间频率命令的同步到达,同时也能够对变频器的工作状态,例如输出频率,输出电流等进行实时对比监控,当出现不同步(输出电流异常)时,能够快速进行调整,当出现电机堵转时,能够尽快报警通知,避免出现机械上的损伤。同时变频器使用闭环控制,保证控制电机的速度精度能够达到0.1%,更利于快速调整和微调。
在转矩控制方式下,对于收卷和放卷部分,需要通过PLC对电机卷径进行实时计算,保证张力的恒定和稳定;对于挤干部分,则透过对转矩控制方式下的速度限制,始终保证多台挤干电机出力一致,避免出现某台电机电流偏大或者某台电机电流偏小的现象。
3 台达C2000变频器的特点
V/F控制、无感测向量控制、FOC+PG、转矩控制;同步电机和异步电机驱动一体化;全系列导入LCD面板,选配LED;内建高速总线接口如CANopen及MODBUS;内建各种行业功能;长寿命设计于重要零件寿命侦测;独立风道的设计,PCB防护加强环境的适应性;全球安规兼容性CE、UL、cUL;30kW以下内置刹车单元;速度控制、位置控制、转矩控制;具备三个扩展槽:I/O、通讯口、PG卡;多种总线控制方式;标配RS485,接口方式 RJ45、SG端子;共直流母线;电机热保护;模块化设计,可拆卸的风扇、控制端子。
4 C2000的速度控制模式和转矩控制模式

图2 FOCPG模式(速度闭环矢量模式)控制框图

图3 TQCPG模式(闭环转矩控制模式)控制框图
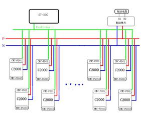
5 电气系统框图

图4 电气系统框图
该系统采用西门子的PLC作为总控,要做到PLC与众多变频器及时快速的信息交换,我们采用了Profibus总线的方式。台达变频器通过选配CMC-PD01高速通讯卡的方式,能够兼容到Profibus总线网络中。采用了PD总线的控制方式,接线上非常方便(现场变频器端子上没有任何控制线,只有一根通讯线),排除故障也变得更加容易。在实际使用中,我们考虑到通讯的及时性以及稳定性(抗干扰性),选用了1M的通讯速率来进行工作,实验证明,效果非常好。
考虑到在整条生产线的运行过程中,某些传动点会一直处于发电运行的状态,例如放卷机构;某些传动点会在电动和发电运行状态下不停的切换,例如纠偏机构,于是我们采用了共直流母线的方式,从而保证多台变频器之间能量的互补,既节约了选配刹车电阻和刹车单元的费用,也使得消耗到电阻上的多余能量能够提供给其他变频器使用,从而更加节能环保。实验证明,在穿带的模式下一般传动点都是处于电动状态,而在正常联动运行中,矫直辊,张力棍和夹送棍始终处于发电状态。采用了共直流母线方式以后,安装在母线上的制动单元和制动电阻基本上没有工作,母线电压也非常稳定,这也就是说明发电状态产生的能量被其他电动环节的变频器使用掉了,没有多余的能量被白白消耗掉。
6 现场布置图

图5 现场布置图
从上面的现场布置图,我们可以了解到,电控部分(变频器、PLC)和控制部分(电机)之间的距离是比较远的,最远的电机(收卷电机与收卷变频器)估计达到了150m。考虑到电控室内部变频器较多,变频器与电机之间距离较远的现状,我们在每台变频器的输入端和输出端,都配置了三相交流电抗器,从而保证变频器之间不互相干扰,变频器不干扰到PLC,变频器输出端的波形不发生明显畸变。
7 参数表
表1 收卷变频器参数表

表2 矫直变频器参数表

8 温控器
在此生产线的使用过程,还有一个关键的工艺:就是需要对酸洗液温度的控制。我们为客户选定了台达DTB型温控器。台达DTB温控器具备四种控制输出模式:继电器输出,电压脉冲输出(直流14V),电流输出以及模拟量电压输出;并采用双回路输出控制,可于控温系统中加热和冷却控制,达到系统快速反应到达设定温度之要求;内建485通讯模组,支持ASCII和RTU两种通讯协议。

图6 台达DTB型温控器
9 人机显示界面
由于此生产线比较长,所以在首尾各有一个操作台,每个操作台上各安装一个触摸屏。在触摸屏上,我们可以很清楚的查看每台变频器的工作状态,以及修改每台变频器的同步速度,使操作者感觉到非常的方便实用。

图7 人机界面显示图
10 现场故障与处理
在酸洗线前期调试过程中,经常会遇到变频器出现PGF*或者OC的报警。从C2000手册故障处理部分查看,我们就很快能够分析查找问题点。

图8 C2000手册故障处理部分
11 结束语
经过测试,此生产线最高线速度能够运行到55m/min,高于设计时50m/min的线速度。经过几个月的运行生产,系统稳定,操作方便,达到客户生产要求。
(转载)



