一、 引言
传统金刚石绳锯机的电气配置一般都是通过PLC采集电流互感器模拟量信号来控制主电机的负荷和移动电机的速度。该方式配置较繁琐,须要有专业PLC编程人员参与,导致整机成本较高;而且电流互感器和模拟量输入输出模块在矿山水、粉尘等恶劣环境下易损坏。本文介绍了一种基于四方电气V560变频器的金刚石绳锯机电控系统,该系统省略了PLC和电流互感器,同样达到了绳锯机的工艺要求,降低了成本。
二、 绳锯机的组成及用途
金刚石绳锯机(图1)是一种石材矿山开采机械,用于开采花岗岩、大理石等石矿。金刚石绳锯机主要包括主电机、移动电机、飞轮、导向轮、绳锯链条(金刚石材料制作而成)、移动平台、操作平台等。金刚石绳锯按照切割对象一般分为混凝土系、大理石系、花岗岩系、异性系等四个系列。

图1
工艺要求:
金刚石绳锯机是采用主电机带动锯绳沿近似跑道型的轨迹运行,锯绳套在已经凿开缝的石头山上,移动电机经减速器带动整个锯床以一定的速度沿石头被锯开的方向向后移动。移动速度必须根据主电机的负荷状况和锯绳所需的张紧力适时进行调整,如果移动速度太快,主电机负载增大,甚至过载,锯绳承受的张力也会增大,如不及时调整速度就会绷断锯绳。反之如果移动速度太慢,锯绳张力太小,锯绳会在石头上打滑,切割效率降低,并且松驰的锯绳还会打绞,以至绞断锯绳。所以在保证主电机负荷基本均匀和锯绳合适的张紧力下提高锯机切割效率是控制的关键,由于矿山形状的不规则性,横切面自然也时大时小,锯床移动速度必须相应调整,整个加工工艺如图2。

图2
三、V560应用方案
电气配置:
主电机额定功率:45KW,额定电压:380V,额定转速:740转,额定电流96A
移动电机额定功率:0.75KW,额定电压380V,额定电流2.3A
主变频:V560-4T0550,移动电机变频:E380-4T0015(如图3)

图3
四、调试方案
主电机变频器的频率通过外部电位器调节,移动电机变频器的频率通过VC1-VC2调节,其中VC1为外部电位器给定,VC2为主电机实际运行电流经主变频器模拟量输出口AO2输出给移动电机变频器,移动电机变频器将这两个信号叠加处理可以实时的根据主机电流变化调整转速,以保证主机电流恒定。方案优点:负载控制平稳,精确, 能根据切割面的变化,及时调整移动速度,系统波动小。
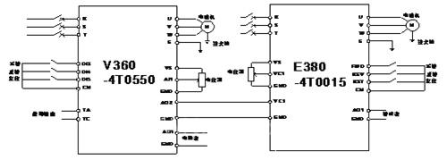
电气配线图:

图4
调试参数:
主电机变频器:
F0.2.25=9 外部电位器设定频率
F0.3.33=1 外部端子启停
F1.0.03=15 加速时间15秒
F1.0.04=15 减速时间15秒
F4.2.22=2 模拟输出AO1选择输出变频器电流
F4.2.23=2 模拟输出AO2选择输出变频器电流
F8.1.21=0.8 转速闭环增益
F8.1.22=2.5 转速闭环积分时间
FF.2.35=340 欠压动作水平
FF.3.38=2.00 电流闭环增益
移动电机:
F0.1=8 频率输入通道组合设定
F0.4=0001 外部端子启停
F0.8=120 上限频率120HZ
F0.10=2 加速时间2秒
F0.11=2 减速时间2秒
F0.16=4 载波频率4K
F1.1=6 转矩提升6%
F2.12=5 外部电压VC1-VC2
五、小结
本文介绍了一种基于四方V560变频器的绳锯机驱动方案,该方案具有安装调试简单,减少电气元件,降低了故障点,完全满足绳锯机技术要求。
(转载)



