1、引言
随着控制技术的发展,变频器的功能不是光局限于速度控制模式,其转矩控制模式功能也得到发展和应用,特别是无法装张力检测元件的传动系统和传动材料的机械特性很硬的情况下速度控制模式是很难满足同步传动的,用变频器的转矩控制功能很方便实现同步传动,在我们转矩控制模式中,一般的是想到转矩控制是针对一台变频器驱动一台电机的比较理想的,而一台变频器驱动多台电机做转矩控制还是新鲜的方式。下面我们用丹佛斯FC302变频器开环转矩在广州花都励俊铝塑管生产线上的作牵引和放卷应用。
2、传动工艺介绍
铝塑管生产线主要是由铝带放卷、成型、包胶(押出机)、成型管牵引、收卷(或者切断)。其中铝带放卷和成型管的牵引是采用由丹佛斯FC302变频器开环转矩实现的,众所周知,传动系统的运动状态满足系统的运动方程式:TM- TL=(GD2/375)*(dn/dt),式中:TM为电机的电磁转矩,TL 为生产机械的负载转矩,包含电机轴以及与轴连接的机械系统的转矩,管的张力所形成的反转矩,GD2为转动部分的转动惯量。
由上式可知:如果TM- TL >0,则系统处于加速状态;如果TM- TL <0,则系统处于减速状态 ;TM- TL =0,
则系统处于静止或者匀速状态。传动结构示意方框图

3、变频器开环转矩控制的应用
丹佛斯变频器FC302变频器开环转矩控制,能够做到转矩大小可以调节,而电机的速度可以采用外部端子模拟量0-10VDC限制,这样就不会造成空载时候飞车现象,下面简要介绍以下转矩控制在牵引和放卷上成功应用。
1)放卷部分
对于铝带放卷时候,其张力要求不是很严格,精度也不很高,就由摆锤压紧铝带,其中用一个角度传感器来检测其摆锤的角度大小,角度传感器的输出信号为0-5VDC。放卷的速度控制由角度控制本身输出来控制,其变频器的控制原理图如下:

功能以及参数说明:
A.端子53接受角度传感器0-10VDC信号,作为速度限制。
端子54为电位器0-10VDC信号,作为转矩调节
B.重要的参数设置
P1-00------配置模式: [4] 转矩开环控制
P1-01-----电动机控制原理 : [1]VCC
P3-15-----参考值来源: [2] 端子54
P3-10[0]—预置参考0 :根据需要设定:-XX%(负数反方向转)
P4-10------电机方向: [2] 双向
P4-21-----速度极限因子来源:[6] 端子53
P6-10-----端子53低电压:根据现场摆锤最低点测量出来的实际值
P6-11-----端子53高电压:根据现场摆锤最高点测量出来的实际值
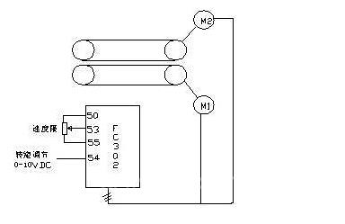
1)牵引部分:该牵引是由上下两台电机共同驱动带链而来夹送管子的,由一台变频器来驱动两台电机,变频器采用开环转矩控制模式,那么此时的变频器就不能采用自动识别电机的参数,必须手动设定电机的高级参数,P1-30、P1-31、P1-33、P1-34、P1-35、P1-36,调节方法是:先将上下夹送带中间放一个管子后运行变频器,选择合适的转矩大小给定值,用力拉住管子,使得两夹送带停止状态,当放松管子的时候,夹送带运转。这种条件下的电机高级参数算OK。其参数跟放卷大致相同,控制原理图如下:

4、总结
本系统作为张力控制一中方法,比较简单,并不是完全的恒定张力控制,但由于丹佛斯变频器的的响应速度很快,而且系统的管子和铝带都能承受一定的张力变化,采用这种方式是完全达到工艺要求,并且相对的提高了系统性能,并具有一定的经济性,实用性,实践证明是可行的。
(转载)



