一、概述
太仓市某并线厂采用的一款高速并纱机,此机型机构紧凑、易于安装调试、结构简单。故障率极低,并能实现机电一体化,单锭控制,电子计长,满筒自停,电子防叠,光电检测短纱,断纱自停。可将2-3股的纱线合为一股,并卷绕成圆柱形筒子,理论最高线速度为900M/min,实际最高线速度为850M/min,试用于棉、毛、涤、化纤及混纺等纱线的合股加工。目前ALPHA6000系列变频器在上面的应用,简化了工艺要求,提高了生产效率。
二、并纱机组成部分及工作原理
并纱机一般的主要机构包括卷绕、成形、防叠、断头自停等部分组成。
卷绕部分:待卷绕的筒管紧压在高速回转的胶木滚筒表面,依靠摩擦力的作用使筒管回转,将纱卷绕在筒管上。
成形部分:横动导纱杆由成形凸轮通过转子等机件的驱动,做往复运动,从而使得装在导纱杆上的导纱牙带动纱线做往复运动,完成交叉卷绕成形。
防叠部分:在并纱时,为了使每层纱圈在筒管的表面上分布均匀,不发生重叠,一般并纱机有防重叠装置,防叠装置比较多有杠杆式、皮带式、齿轮式等。
断头自停部分:并纱机在正常工作时,必须始终保持并合股数不变,如果发生单纱断头或者某一根管纱用完时,要求停止绕纱,避免并合股数不足的纱绕进筒子造成次品,因而并纱机的每一锭子都安装一套断头自停装置。当发生单纱断头或者管纱用完时,触动断头自停装置动作,使筒管与滚筒脱开,停止绕纱。

三、控制原理及说明
现场用ALPHA6000系列采用磁通矢量控制方式的变频器,运用485通讯与上位机的完美结合作为变频器的频率给定源,能最大限度地满足用户的多种需求。
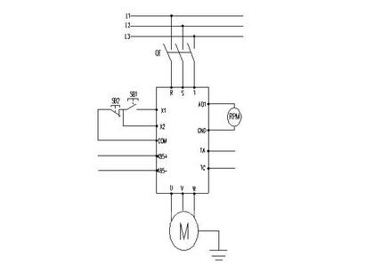
用变频控制,变频器自身具有多种过流、过压、过载等保护功能,运行稳定、可靠。接线图如下所示:SB1为启动按钮,SB2为停止按钮,X2端子定义为运行自保持功能,AO1作为模拟量的输出显示电机的转速,TA、TC为故障输出信号。

四、结束语
阿尔法6000系列变频器,低速额定转矩输出,带有自动转矩补偿,控制方式多样,内置RS485通讯接口,操作灵活,节能运行提高了电机功率因数和电机效率,在使用效果上有以下几个优点:
1、电机无需再频繁的直接启动,采用变频技术实现了软起,很好的保护了电机和其它机械设备。
2、提高了工作效率,操作简单方便,可以根据生产需要任意的调节电机的转速,提高产品的质量,满足了客户的需求。
3、变频器有多种过流、过压、过载等保护功能,对电机起到了很好的保护作用。
(转载)



