节约能源、保护环境,开发利用清洁、环保的可再生能源,优化能源结构、发展低碳经济是我国实现可持续发展的重要途径。太阳能以其储量丰富、安全可靠、清洁无污染等优势,成为世界各国应对能源危机、环境恶化,实现可持续发展的重要选择之一。利用台达PLC对太阳能热水系统进行控制,可实现系统自动化,提高系统运行稳定性,降低运行成本。此系统实用性强,安装运行成本低,具有很强的推广性。
1引言
本系统应用广泛,适用于需要热水供应的场合,比如办公大楼,宾馆洗浴等,尤其适合太阳能资源比较丰富的地区。控制系统采用台达DVP40ES2 PLC、DVP04PT-E2、DVP04AD-E2,台达人机界面 HMI B07S515。本系统工作性能稳定,自动化程度高,尤其是恒温出水的设计节约了大量水资源,集热循环的设计使得太阳能热水高效循环进入水箱,辅助热源的加入很好的解决了太阳能资源不足天气情况下的热水供应。
2系统构成
台达系列人机界面,台达ES2系列CPU、台达PT-E2系列温度控制模块,台达AD-E2系列模拟量转数字量模块、太阳能集热器、电热丝(或空气源热泵等其它辅助热源)、保温水箱、洗浴控制泵、集热循环泵、电磁阀、温度传感器、液位传感器、功率变送器等,如图1所示。

图1 系统框架图
3系统工作原理及循环过程
(1)自动上水
水箱内装液位传感器p,水箱内水低于一定值时(20%),自动补水阀上电,水箱自动补水,水位达到设定值时(90%),自动补水阀断电,自动补水停止。
(2)集热循环
当集热器出水口水温(出水口安装温度传感器)高于水箱内水温,达到PLC设定启动温差(6-10摄氏度)时,集热循环泵启动;集热水箱中的低温水进入到真空管集热器组中,集热器中的相对高温水循环到集热水箱中,使水箱中的水温升高。当温差值降低到系统设定停止温差时(1-3摄氏度),循环泵停止,集热循环停止。如此反复进行,逐渐将热量传递到水箱,使水箱中的水温度逐渐提升,直到达到洗浴要求的温度。
(3)管路恒温出水
恒温回水管路循环主要是针对室内的洗浴热水管道而言,为了保证洗浴时一开喷头阀门即有热水,同时减少无效冷水的浪费,必须安装热水回水管路,采取管路循环措施。管路循环采用定温循环方式,在室内热水回水管路中适当位置安装温度检测传感器和循环泵,设置一个温度范围来控制泵的运行。当管道内水温低于设定值时,启动洗浴管道循环泵,将管路中的低温热水打入保温水箱,当水温达到设定值时,管道循环泵停止运行。
(4)恒温控制
当水箱内水温低于一定值时,集热器不能达到洗浴热水的温度要气,此时开启水箱内电加热或其它辅助热源(空气源热泵),以实现任何天气条件下都能保证有热水供应的要气。
(5)冬季防冻循环
室外管道(保温水箱和集热器之间)在寒冷的冬天可能被冻,因此必须有防冻循环功能;当集热器温度(检测传感器测温)低于一定值(2-5摄氏度)时,启动集热循环泵,将保温水箱中的热水打进集热器,防止管路结冻。
4电气控制系统设计
系统上位机选用HMI b7s515型号触摸屏以实现系统运行的可视化监测与控制,下位机选用台达系列PLC,主机CPU选用DVP40ES2,温度模块选用04PT-E2,AD模块选用04AD-E2。扩展模块还可加入功率变送器,监测电磁阀,循环泵以及辅助热源的功率,如图2所示。

图2 系统硬件框架示意图
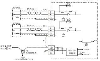
(1)温度传感器所测得温度相关信号经PT模块转化为数字量后传回PLC的CPU,PLC的状态反应到触摸屏上,实现数据的实时监控,如图3所示。

图3 温度传感器PT100与DVP04PT模块的外部接线图
(2)水箱液位传感器测得电信号后,经液位变送器将电信号转化为4-20mA的标准电流信号后,经AD模块转换为数字量信号传回PLC,PLC根据设定值做出判断,控制水箱电磁阀的开启与断开,如图4所示。

图4 液位变送器与04AD-E2模块的外部接线图
另外,各温度传感器的测量温度直接代表各个组成部分的温度,以此来控制系统的运行,因此,温度传感器的安装位置极其重要。温度传感器安装处的水温必须能代表所测部分的平均温度。
5电气控制系统软件开发
(1)WPL Soft开发PLC控制程序
WPL Soft为台达电子可编程控制器DVP系列在Windows存在系统环境下所使用的程序编程软件,台达PLC采用可以编制程序的存储器,用来在其内部执行逻辑运算、顺序运算、计时、计数和算术运算等操作的指令,并能通过数字式或模拟式的输入和输出,控制各种类型的机械或生产过程。
系统控制的关键是温度、液位的比较,通过PLC的比较指令可方便的实现。
各扩展模块读取参数的频率、精度是本控制系统的关键,台达PLC提供的温度控制模块、AD转换模块可以轻松的实现系统的自动化精确控制。
(2)触摸屏人机界面(HMI)程序
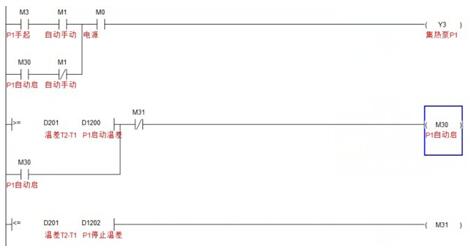
触摸屏替代鼠标及键盘部分功能,安装在显示屏前端的输入设备,是人与控制系统之间传递、交换信息的媒介和对话接口,包括远距离的信息传递与控制,是控制系统的重要组成部分。在PLC控制程序中加入开关量,与HMI的寄存器相关联,实现HMI与PLC的关联,如图5所示。

图5 PLC程序控制集热循环泵的启动与停止
6结论
本应用通过台达PLC及其触摸屏实现了对热水系统的自动化控制及其监测,辅助热源的加入解决了单一太阳能受天气状况影响大的缺点(若辅助热源选用空气源热泵,则系统较之电加热具有显著的耗电量低、安全、舒适、绿色环保、低碳的优点)。
控制系统上,加入了温度、液位、功率等多个参数,反映到触摸屏上实现了运行系统的重要参数可视化监控。使用户对水箱内水温度,洗浴热水温度、水箱内水量,系统耗电量等多项参数有明确的掌握。实际系统运行稳定,维护保养方便,可推广性极强,尤其适合宾馆洗浴、办公大楼等场合的热水供应。此外,还可根据冬季室内取暖的要求,自动控制适宜温度的热水进入暖气管道,实现洗浴、采暖兼容的热水控制系统,如附表所示。
附表 本系统与普通太阳能热水系统对照表

(转载)



