一、引言
空压机是一种压缩空气以提高气压的发生装置,是仅次于电力的第二动力源,广泛的用于驱动各种风动机械、风动工具,在冶金、机械制造、矿山、电力、纺织、石化、轻纺等行业有广泛的应用,是许多工艺流程中的关键设备。
传统的螺杆式空压机存在一些明显的技术弱点:如供气量无法连续调节,气压容易产生大幅的波动;卸载时严重浪费能源;频繁的启停,影响电机的使用寿命,设备维护量大等等。
近年来,通过变频调速技术改变空压机电机的转速,而且空压机的供气流量随着用气流量的改变自行调节,达到真正的供需平衡,在节能的同时,也可使整个系统达到最佳工作效率,变频螺杆式空压机成为空压机市场的发展趋势。
二、变频螺杆空压机的优势分析
螺杆空压机的工作原理:由一对相互平行啮合的阴阳转子在气缸内转动,使转子齿槽之间的空气不断地产生周期性的容积变化,空气则沿着转子轴线由吸入侧输送至输出侧,从而实现空压机的吸气、压缩和排气的全过程。阴转子的槽及阳转子齿被主电机驱动而旋转。
但是,传统的螺杆式空压机存在一些明显的技术弱点:
(1)启动电流冲击大
传统的空压机主电机采用Y-△减压起动,起动电流约为额定电流3倍,仍然很大,对电网冲击大,易造成电网不稳以及威胁其它用电设备的运行安全。
变频器可使电机起动、加载时的电流平缓上升,没有任何冲击;电机实现软启停,避免冲击电流造成的危害,有利于延长设备的使用寿命;
(2)加、卸载调节供气的控制方式严重浪费能源
传统的控制方式,空压机在加载时:从设定压力到卸载压力的加压过程中,电能白白浪费掉,而经过减压阀减压的过程,也是在浪费能量;空压机卸载时:关闭电磁阀使电机一直在空转,这种调整方法同样是极大的能力浪费,卸载时的功耗约占满载的20%~40%。
在变频控制方式下,变频驱动系统通过控制电机转速来控制气压,使输出压力始终维持在设定压力,输出压力保持恒定,避免频繁加卸载导致的电能浪费。
空压机属于恒转矩负载,单就输出功率而言,采用变频调速节能效果远不如风机泵类二次方负载显著。但空压机大多处于长时间连续运行状态,由于设计时都是按最大需求来选择排气量的,而实际工作中,空压机经常会运行在非满载状态,非满载运行过程有着巨大的节能空间。
(3)供气压力稳定性差,生产工艺难保证
在产品生产环节,气压的稳定性对产品质量的影响是很大的,用户对供气压力精度都有一定要求,传统的空压机为避免气压不足,供气压力较要求值要偏高一些,但这样会使成本高、能耗大,同时频繁的加卸载也很难保证气压精度;
变频器可以闭环实时监测供气管路中气体的压力,PID调节器比较当前压力与设定压力差值比较,保证输出压力始终维持在设定压力,输出压力保持恒定,提高生产效率和产品工艺质量。
三、C320K与普乐特控制器变频方案介绍
C320K系列变频器,是四方电气技术有限公司在C320矢量型变频器基础上,改进完善了硬件和软件设计,集成了多项空压机控制和应用专用功能,内置标准的MODBUS-RTU通信协议,可配合普乐特控制器组成螺杆空压机变频控制系统。
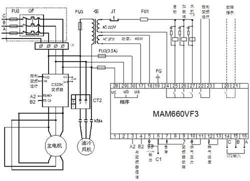
方案配置:C320K变频器,普乐特MAM660VF3普乐特一体控制器(配CT相序检测传感器一套),NDK(BK)-150VA变压器(输入380V,输出220V、20V),其他元气辅件和线材请参考下面配线图。

四、安装调试指导
1. 变频器与MAM660VF3控制器的接线:
FWD、CM接22、23号端子
CC、GND接5、6号端子
RS+、RS-接3、4号端子
TA、TB接 6、9端子
2. 普乐特控制器设置
进入厂家参数,设置变频器型号(普乐特控制器的文本部分,厂家参数选择“SUNFAST”;
3. 变频器参数设置
F0.1=6(外部电流信号)
F0.4=0001(外部电子启动)
F0.7= 下限频率
F1.18=电机转速(大多为2极电机) F9.0=0104
F9.1=1
F9.3=0001.从机
4. 常见故障的处理
“温度传感器失灵” --检查线路和PT100
“压力传感器失灵” --检查线路和压力变送器
“相序错” --相序接反或断相,检查线路
“排气温高” --检查通风,润滑油等
5. 调试步骤
控制器上电5秒自检,按启动键不能启动空压机,自检结束后按启动键,主机开始启动。主机启动过程为:22、23号端子闭合,给变频器启动信号;25号端子闭合,输出空压机启动指示信号,5、6号端子输出4~20mA电流给变频器,控制其输出频率,电机开始运转。
启动后控制器根据检测压力与设定的变频工作压力进行PID运算,输出4~20mA电流,调节电机转速,自动平衡供气压力,实现恒压供气。
五、小结
变频螺杆空压机市场正在不断扩大,到2015年,我国的空压机市场容量将超过300亿元,国内的变频螺杆机正在经历普及的过程,变频螺杆机虽然初始投资大,但是回报率高。随着政府的节能减排力度的加大,客户节能意识的提高,可以预见,变频螺杆机的成长性高、未来市场容量庞大。
(转载)



