1、引言
烟台台海玛努尔核电设备有限公司(THM)是烟台市台海集团有限公司于2006年12月15日创建的专业致力于“百万千瓦级压水堆核电站”回路主管道生产的企业。同时也是全国唯一一家同时具备二代和三代核电主管道生产能力的制造企业。该公司在原有的6000吨水压机的基础之上于2012年8月再次购进万吨级水压机。
为了响应国家节能降耗的号召,提高生产效率和系统的稳定性,该万吨水压机水泵的高压拖动电机采用全数字交流变频调速系统来控制。高压变频器直接串联于高压电源与电机之间,对高压拖动电机速度进行调节,进而调节水压机所需压力的大小。整个万吨级水压机系统采用集散控制系统(DCS)。通过计算机和本地控制,既大大的提高了系统的自动化程度,满足了生产要求,节约了能源,同时提高了万吨级水压机系统的可靠性和运行的灵活性,降低了运行维护成本,为企业带来更大的经济效益。
2 、万吨水压机的运行工况
2.1水压机水泵的运行工况
烟台台海玛努尔核电设备有限公司(THM)三期锻造分厂新购进的万吨级水压机水罐分有12级水位自动检测系统,由八台710KW/10KV的高压电机分别拖动1#~8#三级柱塞式往复泵往水压机高压水罐供水,任意一台往复泵分别有“打压”和“打循环”两种状态(“打压”是通过阀门使水泵往高压水罐增压过程(电机运行在50HZ),“打循环”是通过阀门调节水在主管道中循环的过程(电机运行在30HZ))。
当高压水罐水位低于9级水位时,按水泵号序将水泵由“打循环”状态提升为“打压”;当高压水罐水位高于9级水位时,按水泵号序将水泵由“打压”状态降为“打循环”状态。整个运行过程由DCS控制,实现完全自动化的过程。
2.2高压电机参数:
3 、交流变频调速系统方案
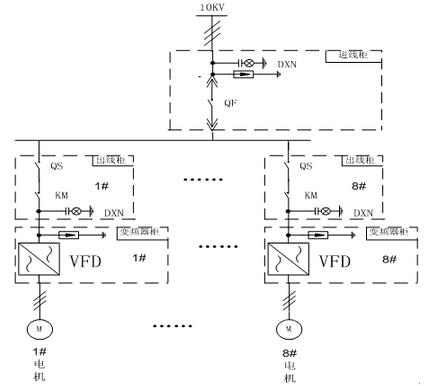
为了提高整个水压机系统的安全可靠运行性,保证系统的不间断运行。1#~8#三级柱塞往复泵既互为备用,同时也要有独立性(方便分别检修)。交流变频器调速系统采用一拖一(不带工频旁路)方案图,通过高压水罐内的压力变送器反馈,由后台DCS系统实现闭环控制。

图1 变频调速系统(一拖一不带工频旁路)方案
经过市场比对和产品稳定性观察,采用森兰SBH系列高压变频调速系统作为该万吨级水压机水泵的调速装置。
3.1 森兰SBH系列变频器特性
3.1.1高—高变频调速系统
森兰SBH系列高压变频器产用“单元串联多电平”结构,直接10KV输入,输出侧0~10KV可调节,无需加装升压、降压变压器可直接拖动电机运行。变频器内部每相单元串联级数8级,其配置考虑有12.5%的冗余度。
3.1.2单元旁路功能
森兰SBH系列高压变频器提供单元旁路功能。在任意单元出现故障后,变频器自动将该单元及同层单元旁路(切除),实现不间断工作,提高变频器的可靠运行性。
3.1.3转速跟踪功能(带速重启功能)
森兰SBH系列高压变频器从用户本身出发,对负载的拖动电机配备有电机转速跟踪起动功能。在电机未停止转动的状态下,自我的检测电机的转速,同时输出与之相应的频率与电压,加快电机起动过程,减轻电机与负载的机械冲击,并且可完全避免带速起动过程中的冲击电流。
3.1.4自适应性和完善的保护功能
森兰SBH系列高压变频器对我国的电网适应性强,电网电压波动在-35%~+10%范围内不会停机,掉电30S内上电自动重启。
同时该高压变频器为电动机和设备本身提供了完善的保护功能,包括过流、过压、过载、过热、缺相、欠压、负荷过重等。
3.1.5无功损耗低,输入、输出功率因素高,谐波含量低
森兰SBH系列高压变频器为电压源型高—高变频器,其内部大量的滤波电容为电机提供无功功率,其接入网侧功率因素大于0.96(>20%负载)。该高压变频器的工作效率高达97.0%。
由于森兰SBH系列高压变频器输入侧采用的是移相整理技术,输入谐波小于3%,远超国家标准要求。而在变频器输出侧采用的是多重PWM波形叠加方式,输出电流谐波同样小于3%,运行过程中不会对电机绝缘性产生任何影响。
3.1.6 I/O扩展功能,控制系统自动化程度高
森兰SBH系列高压变频器I/O板接口已经实现全参数化,方便外部的扩展,易于改变控制逻辑关系,适应多变的现场需要。该变频器内置PID调节器,可开环运行,也可实现闭环控制。同时可接受和输出包括0~24mA、0~10V等多种信号。
3.1.7模块化设置,方便安装与维护
森兰SBH系列高压变频器实现单元的模块化,方便更换与维修。全中文的人机界面,更人性化的设计适应于不同层次水平的人员操作。
4、 变频器设备节能预算
4.1直接效益
烟台台海玛努尔核电设备有限公司的万吨级水压机于2012年10月14日投产。正常工作状态下有4台往复泵会处于“打压”状态,而剩下的4台往复泵处于“打循环状态。”
根据与以往未使用变频调速系统的水压机比较表格如下:

表 1未使用变频调速系统与使用变频调速系统参数比较表
根据上述表格可以看出水压机安装变频器节能效益主要来自于“打循环”状态。可以看出万吨级水压机变频调速系统节电率在18.5%左右,节电效果明显。
4.2间接效益
4.2.1监控方便
使用变频调速系统后,由于森兰SBH系列变频器自带电动机保护功能和运行状态监视,不需要再增加额外的电动机保护设备,减少设备投入。同时森兰SBH系列变频器产用全中文人机界面,显示参数可选择性,能同时显示输入电压、输出电压、输入电流、输出电流、运行频率及电机转速(理论值)。
4.2.2电机软启动
使用变频调速系统后,所有八台往复泵机组都能实现软启动方式,电机启动电流远小于额定电流,启动时间相应的延长,对电网无较大冲击,从而有效的减轻起动时的机械转矩对电机的机械损伤,更好的保护电机与水泵,延长这些设备的使用寿命。
4.2.3机组运行噪音和震动减小
使用变频调速系统后,当往复泵处于“打循环”状态时,由于运行频率的降低,震动及噪音同时减小,延长了设备的使用寿命。
5 、结束语
烟台台海玛努尔核电设备有限公司万吨级水压机项目采用高压变频调速系统,电机实现了软启动,整个过程实现自动化控制。同时由变频器监视整个拖动电机组的工作状态,适时的对拖动电机提供保护,大大的增加了系统的安全运行系数,也方便了人为的对整个系统的观察与控制。
(转载)



