引言
随着高压变频器在各个行业的广泛应用,关于高压变频器在应用中带来的系统安全,设备稳定性的应用问题也越来越多的受到关注,除了解决好高压变频器的系统稳定性,还要解决好变频器本体的散热问题,这是保障变频器安全运行的重要部分。目前国内高压变频器还是以风冷为主要散热方式。随着变频器功率的增大,风冷已经满足不了变频器自身散热的要求,而解决大功率变频器散热的问题,无疑水冷是最好散热方式。目前只有少数厂商在大功率水冷型高压变频器有应用业绩,合康7400kW水冷变频器在河北省迁安市鑫达钢厂的成功应用,标志着合康在大功率水冷型高压变频器上取得了新的突破,提高公司在行业内的竞争实力。
1、水冷与风冷的散热方式对比
高压变频器安装对环境温度的要求为-5℃~45℃。大量研究表明,高压变频器的故障率随温度升高而上升,使用寿命随温度升高而下降,环境温度升高10℃,高压变频器使用寿命将减半。高压变频器内部使用了相当多的高精度的电子元器件,在影响电力电子装置可靠性的多种因素中,散热是至关重要的一项。大功率半导体器件工作时所产生的热量,将导致芯片温度的升高,如果没有适当的散热措施,就可能使芯片温度超过最高允许温度值,从而导致器件性能的恶化以致损坏。所以在电路设计中,选择适当的散热方式,并进行合理的设计,是使器件的潜力得到充分发挥,提高电路可靠性不可缺少的重要环节之一。
2、风冷的冷却方式
变频器室内的冷热风循环示意图如图1所示:

图1变频器室内的冷热风循环示意图
变频器从柜体的正面吸入空气,经过柜顶风机将变频器内部的热量带走排出到室内,从而在变频器上面形成一个温度偏高、压力偏高的气旋涡流区域,在变频器的正面部分形成一个偏负压区域,在运行中,变频器功率柜上部区域实际上是吸入刚排出的热风进行冷却,形成气流短路,风不能达到有效的冷却效果。风冷的冷却系统主要包括散热片和冷却风扇。其中冷却风扇寿命较短,寿命受限于轴承,临近使用寿命时,风扇产生震动,噪声增大最后停转,变频器出现单元过热跳闸。
3、风冷+空调的冷却方式
使用空调可以将室内温度降到理想的环境温度,空调通常采用的是下进上出风结构,这样与变频器侧进上出风在一定程度上形成了“抢风”的现象,变频器吸入的空气不完全是空调降温后的冷空气,空调的降温处理没有把变频器排出的热空气全部降温,导致了整个冷却系统的运行效率低下,能耗水平高。
变频器自身就是节能设备,采用空调冷却造成能源的二次浪费,这种情况在超大功率的高压变频器应用系统中更加明显。
超大功率高压变频器采用空调冷却系统投资和运行费用非常昂贵,空调设备的可靠性和运行安全系数也直接影响变频器的安全和稳定运行。
4、空--水冷的冷却方式
空水冷的冷却方式示意图如图2所示:

图2变频器空-水冷循环示意图
将变频器的热风通过风道直接经过空-冷装置进行热交换,由交换器内部的冷却水管道与热空气进行非介质接触式交换,直接将变频器散失的热量带走,避免变频器对室内环境形成加热作用。空冷装置的供冷水温度不大于33℃时,即可保证热风经过热交换器后,将变频器室内的环境温度控制在不高于40℃。
在空-水冷却系统中,对安装空间及环境温度有着较高的要求。需保证换热器所在环境温度小于要求达到的温度,否则,无法达到温度要求;空间要求,换热器需要有良好的通风,所以,在安装时周围至少留有≥500mm的通风空间。空冷装置出口侧易产生凝露并带水排入室内,对变频器运行环境产生了不利的影响;空-水冷却装置采用两套设计,增加了设备成本;同时对水的质量要求较高,在条件比较恶略的钢厂,如果直接采用钢厂烧结冷却水塔的水,需每隔半个月清洗一次水过滤器及空-水冷却装置。
5、水冷的冷却方式
变频器室内的水循环示意图如图3所示:

图3变频器室内的水循环示意图
水冷系统分为内循环水冷和外循环水冷,变频器内部功率单元采用水冷板散热,水通过管道进入水冷板,将IGBT等功率元件的发热传递给水后,由水带走,进入水-水热交换器,水-水热交换器通过和外循环水换热,热量由外循环水带走,冷水进入单元水冷板继续循环。为防止外部环境温度引起变频器内部有凝露现象产生,在水冷管道内加入加热装置。变频器外部水温低于25℃时,水冷系统会自动启动加热器,同时将散热外水通过旁路管道直接回流,当水温高于25℃时,自动关闭加热器,根据温度的大小,自动调节外水通过散热板的流量,让外循环水带走内循环水的热量。
综合上述描述,合康HIVERT系列水冷高压变频器标准采用水冷方式与其它冷却方式相比具有很大的优势:
(1)水冷系统可保证整个系统工作在最佳温度点,而风冷系统对外界环境波动敏感,不 易保持在最佳工作点。对于电子控制系统,工作在最佳温度点意味着高可靠性和最长的使用寿命。
(2)水冷系统对环境要求低,而空冷系统对环境要求高。变频系统最佳工作点在0~40℃,按照大功率变频器的效率为98%的话,意味着变频器有很大的热量需要散发,风冷系统将很大的热量排走需用一大容量或者超大容量的空调设备,投资大,长期运行费用高。
(3)风冷系统靠外风循环,对室内环境要求严格,灰尘很容易在高压变频器内元器件和过滤网上集结,容易造成故障,也势必增加设备维护量。
(4)水冷系统不需要大功率的冷却风机,因此噪声小,而空冷系统噪声大。
(5)合康HIVERT系列水冷型高压变频器对外循环水系统的水质没有特殊要求,可充分利用现场生产装置循环冷却水,无需额外投资。
(6)冷却系统双泵互为备用,防止单泵故障引起系统停机。
此外,合康HIVERT系列水冷型高压变频器水冷系统分冷却水和循环水,冷却水和循环水是分离的两回路,冷却水将变频器功率器件产生的热量与外部循环水通过热交换器的热交换将变频器产生的热量带走,变频器在辅助电源上电后自动检测冷却水电导率,当电导率超过变频器设定的电导率指标时,自动启动水冷系统除离子设备工作。
合康HIVERT系列水冷高压变频器使用直接水冷方式,为那些必须节省空间要求低噪音的应用场合提供了最终解决方案。由于水能带走98%的热损耗,因此无需附加空调。这就降低了噪音,并提高了变频器安装的总效率。高效的水冷不需要在安装室安装空调,降低了安装和运行的成本。全封闭的柜体结构使合康HIVERT系列水冷高压变频器更适于恶劣环境的应用。
6、合康7400kW水冷变频器在河北省迁安市鑫达钢厂的成功应用
合康HIVERT系列水冷高压变频器在鑫达钢厂3#烧结风机上得到了实际应用。
6.1 现场工况
河北省迁安市鑫达钢厂3#160m2烧结线的负载为6600kW烧结风机和7400kW冷却风机。2台变频器通过2台同步电机分别拖动2台风机,且具有互为备用功能。2台变频器都具有频工/工频投切功能。6600kW烧结风机如表1所示,7400kW冷却风机电机参数如表2所示:

表1 6600kW烧结风机电机参数

表2 7400kW冷却风机电机参数
根据现场需求,2台变频器互为备用及同步投切功能,变频器的参数根据7400kW冷却风机电机而选型,变频器的参数如表3所示:

表3 变频器参数
(1) 主回路
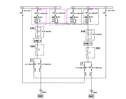
根据现场需求,2台变频器互为备用并具备同步投切功能,主回路图如图4所示:

图4主回路图
(2) 控制系统
控制系统包括逻辑处理系统及上位监控系统2部分。
逻辑处理系统采用西门子S7-300系列,PLC主要采集现场故障信号、压力信号及电机工作状态来控制变频器的工作状态,根据现场压力信号,自动加减速、自动调节电机的励磁电流等。
上位监控系统如图5所示,它显示变频器的运行状态、水冷的状态、电机运行状态、现场压力、故障查询及实时曲线。

图5上位监控系统
(3)水冷控制系统
水冷系统如图6所示,分为内循环水系统及外循环水系统。

图6 水冷系统
内循环系统整流二极管、逆变IGBT等器件直接安装在水冷散热板上,产生的热量由内循环水带走,进入水-水热交换器,水-水热交换器通过和外循环水换热,把热量由外循环水带走,冷水进入单元水冷板继续循环。
外循环系统外水供水分2路,1路外水进入油浸强迫油循环水冷变压器的换热器,通过换热器把变压器热量带走,冷却变压器后的外水进入回水管道;另一路外水去水冷柜,在水冷柜中外水把内水冷却。内水进入变频器模块上的散热器中,模块上的热量由内水带进水冷柜,在水冷柜中内水与外水进行热交换,外水把内水的热量带走,从而达到对变频器模块的散热。
冷却系统双泵互为备用,防止单泵故障引起系统停机;去离子水离子浓度检测功能,离子超标报警;冷却系统压力检测,超标报警;冷却系统温度检测,超标报警。
油浸强迫油循环水冷变压器是把变压器的油利用油泵从变压器的上部抽出送入冷却器,经过外循环水进行冷却,送入变压器下部,形成循坏。冷却器是散热能力强的螺旋式,变压器油在螺旋通道内和外循环水进行热交换,达到降低变压器油温的目的。变压器采用立体卷铁心,采用这种冷却方式变压器过载能力得到极大提高。 变压器强油水冷却器是一种新型的应用相当广泛的热交换设备,它具有传热效率高、阻力损失小、操作稳定可靠、结构紧凑、价格便宜等一系列优点。螺旋极强油水冷却器是由2张卷板卷制成2个均匀的螺旋通道的螺旋体。在2螺旋通道的首尾2头,即螺旋体的上下方和外缘切向方向上各焊上接管及法兰,2通道内分别有1种有载液体(油和水)呈全逆流状态进行热量交换。螺旋通道曲率均匀,通道中流体无大的换向,因而阻力较小且无死角。为了提高换热效果通常流体在通道中流速转大,可防止通道污垢堵塞,且通道本身有自洁作用,另外,2螺旋通道中还留有排气(液)孔便于操作又可作取样化验之用。具有传热效率高、热损失少、结构可靠、自清洗功能冷却器可在确保通道压力降不大的情况下,适当增大液体流速,可以提高传热效果。液体呈螺旋形流动,具有自动清洗功能,污垢不易沉积,从而减少了停机检修,节约了维修费用。
油浸强迫油循环水冷变压器具有局放小、噪音低、无局部过热特点,可在过载30%以下情况下正常时使用而不影响产品寿命;可降低用户设备投入成本及变压器容量基本电费;产品配置主油泵/备油泵,油泵进出管道都配有阀门,即使在不停电的情况下更换油泵也极为便利。
水冷运行参数显示如图7所示。

图7 水冷运行参数显示
6.3现场运行概况
合康HIVERT系列水冷高压变频器在河北省迁安市鑫达钢厂已稳定运行半年之久,采用水冷结构设计,体积小,冷却效率高,在实际应用中所表现出优异的性能、高可靠的稳定性。
7、结束语
合康HIVERT系列水冷高压变频器模块化硬件设计和先进的软件特性使得水冷变频器适用于不同的应用场所。全封闭紧凑的柜体设计适于恶劣环境,合康HIVERT系列水冷高压变频器为大功率变频器的应用提供了先进性和可靠性。采用水冷冷却方式具有良好的综合性价比的优势,更适合大功率变频器冷却系统,可节约大量的运行费用,更能提高变频器运行的可靠性,直接水冷有助于使变频器变得非常紧凑和安静。水冷使得不再需要在电气房安装大功率空调,并且它的热传导非常高效。
(转载)



