一、前言
冶金行业向来是耗能大户,尤其在目前产能过剩、利润低的情况下,节能显得尤为重要,钢铁行业中的大功率电动机耗费了大量的电费,由于实际过程导致工频运行大马拉小车现象严重,变频改造成了不二之选。
目前钢铁行业中的烧结主抽风机,功率一般为整个钢铁厂除了高炉鼓风机第二大功率的设备,而且多为大功率同步机驱动,同步机的变频改造一直以来就是一大技术难点,下面将介绍一下同步机的改造方案及应用效果。
二、有刷电励磁同步机及烧结工艺介绍
2.1大功率同步机变频改造难点
同步机相比于异步机有诸多优点:
(1)对转矩扰动具有更强的承受能力,动态响应快;
(2)在极低电源频率下也能运行,调速范围宽;
(3)通过改变励磁电流,功率因数可调;
(4)稳定性高,转矩与端电压成正比;
上述的诸多优点使得其使用越来越广泛,但是大功率同步机变频控制技术一直是高压变频领域的一大难点,各厂家技术参差不齐,导致其最终的控制效果差距较大,以下为有刷同步电机变频改造需要注意的事项:
(1)同步电机的起动问题:电枢电压矢量与转子磁极位置之间的夹角必须在某一范围之内,否则将导致系统失步;
(2)同步电机调速期间和励磁装置的协调问题,防止正常调速期间同步机失步;
(3)同步电机正常停机和故障灭磁问题。
2.2汇川技术HD93同步机控制技术
汇川依据自身多年同步机控制经验,在高压大功率同步机控制方面,通过我们大量的仿真实验以及现场实验分析,研发了适用于高压大功率领域同步机的矢量控制方案,依托于磁链闭环矢量控制(SFOC)这一平台,实现了真正的同步机变频无速度传感器矢量控制技术启动方式(SVC),整个启动过程平滑、无冲击,不存在启动整步问题,并且控制精度高、转矩响应快,稳定性好。

图1:汇川同步机变频启动过程图
基于电机d - q轴系数学方程,对电机的磁链、电流进行解耦控制,具有磁链、电流、速度三闭环的特点。
通过汇川多个大容量同步机变频改造应用现场的调试运行情况来看,汇川同步机控制方案还具有调试简单、调试时间短,以及运行稳定的众多优点,得到了用户的一致好评,汇川的同步机控制技术已经在国内建立了绝对的领先地位。
2.3烧结工艺简介
烧结工艺是指根据原料特性所选择的加工程序和烧结工艺制度,它对烧结生产的产量和质量有着直接而重要的影响。按照烧结过程的内在规律选择合适的工艺流程和操作制度,利用现代科学技术成果,强化烧结生产过程,能够获得先进的技术经济指标,保证实现高产、优质、低耗。本生产工艺流程有原料的接受,兑灰,拌合,筛分破碎及溶剂燃料的破碎筛分,配料,混料,点火,抽风烧结,抽风冷却,破碎筛分,除尘等环节组成。目前生产上广泛采用带式抽风烧结机生产烧结矿。烧结生产的工艺流程如上图所示。主要包括烧结料的准备,配料与混合,烧结和产品处理等工序。
三、项目改造方案
3.1项目简介
本次我司HD93系列同步机专用高压变频器改造对象为河北省邯郸市某钢铁集团烧结厂烧结主抽风机,此烧结线为200m2规模烧结线,配备有5600kW功率烧结主抽一台,在整个烧结厂属于耗电大户,工频运行采用水阻启动方式,启动冲击大,所以每次启动此电机都比较困难,另外由于要根据生产情况调节风量,平时采用风门调节的方式进行,风门一般在60%~80%调节,能量浪费严重,所以节能改造迫在眉睫。
3.2改造系统方案

图2:系统一次图
3.3系统方案说明
系统采用HD93高性能型同步机专用高压变频器、励磁柜、开关柜和旁路柜完成对同步机负载的同步电机控制。整个系统方案在保留客户原励磁系统的情况下,我们重新配备变频励磁柜,在变频器正常运行的情况下,变频器与变频励磁柜配合来控制客户同步电机启动与运行,而为了保证电机的可靠运行,我们配备了工频旁路旁路系统,在变频器出现重故障的情况下,客户还可以利用旁路系统跟原工频励磁系统来进行控制电机的启动运行。
总结高压变频器方案如下:
(1) 系统采周一拖一配手动工频旁路柜,工频运行时,可以配合原有水阻软启动方式运行;
(2) 控制系统改造,实现新旧高压柜的远程操作及联锁;
(3) 励磁系统改造,实现工变频状态的励磁控制转换;
3.4电气配置说明
(1)SM为客户现场电励磁同步电动机,基本电气参数为5600kW/10kV。
(2)Mg1为变频运行专用励磁柜。在变频状态下,通过变频器内部运算给定励磁电流指令,励磁柜与变频器实现励磁电流闭环控制,MG2为客户原有工频励磁柜,MG1与MG2之间设置有切换开关,需要工频运行时,励磁系统切换至MG2。

图3:励磁系统切换
(3)QS1、QS2、QS3为工频旁路柜内高压隔离开关,用于变频或工频启动同步电机。
(4)变频器为汇川HD93高性能型同步机高压变频器,基本型号为HD93-J100/8000-DN,额定频率50Hz,最大运行频率为50 Hz。输入变压器为8000kVA/10kV干式移相变压器,绝缘等级H级,功率单元为两象限两电平单元级联结构,内含每相9个单元,总共27个功率单元。控制柜内IO板提供标准IO接口和总线通讯接口(CAN、Modbus485、Profibus-DP)。
3.5系统功能说明(变频工况)
(1)系统控制电源380V和冷却风机电源上电,变频励磁柜选择并且控制电源上电;
(2)对变频器和励磁柜进行相关的参数设定,变频励磁柜和变频器置于“远方”控制;
(3)将变频输入隔离刀闸QS1、输出隔离刀闸QS2合闸,励磁切换开关切换至变频励磁,变频器及励磁柜控制系统自检,如无故障,输出“合闸允许”信号;
(4)用户开关柜断路器QF1合闸,待水阻柜启动完成后,星点柜QF2合闸;
(5)变频器及励磁柜如上电正常,输出“变频器准备就绪”和“励磁柜就绪”信号到总控台;
(6)总控台对变频器给定运行频率,发启动指令。
(7)变频器接收到启动命令后,发励磁启动指令给励磁柜,同时发出动态励磁电流指令;
(8)当运行频率达到50Hz时,变频器输出电压达到10kV。
(9)在运行过程中,当变频器出现严重故障时,会同时联跳输入断路器QF,且通知励磁柜进行灭磁。
(10)QS2和QS3设有机械联锁,当QS2闭合时,QS3不能合闸。
(11)当工艺需要停机时,通过总控台向变频器发送“停机”指令,变频器接受指令后封锁变频器输出。
3.7改造后节能对比

变频改造之后实现了较为可观的节电量,为公司的节能减排工作做出了较大的贡献,降低了整个公司的生产成本,得到了客户的一致认可。
四、汇川HD93系列高压变频器简介
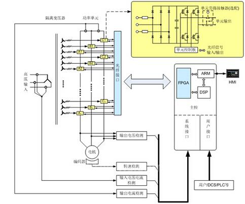
4.1 HD93系统工作原理

图4:产品原理图
4.1.1主电路拓扑原理
电网电压经主变压器隔离移相后为功率单元供电,每个功率单元为一个单相交-直-交电压型逆变器,单元串联星接后形成三相变频电源给高压电动机供电。根据串联单元级数的不同,产品分为3kV、6kV、10kV三个系列。主变压器采用移相整流方式,输入功率因数高,输入电压电流谐波小。满足IEEE519-1992和GB/T 14549-93对电压和电流最严格的谐波失真要求。无需任何功因补偿和谐波抑制装置。变频器输出采用多重化PWM技术,输出为近乎完美的正弦波,无须加输出滤器。电动机谐波损耗小,转矩脉动小,无明显电动机噪声。电动机不需降额使用。输出dV/dt和共模电压小,对电动机无附加电应力损害。
4.1.2功率单元原理
功率单元采用三相交流输入,整流滤波后形成直流电压,经IGBT H桥逆变后输出脉宽调制(PWM)电压。功率单元控制板由IGBT驱动电路和监测保护电路、光纤通信电路、单元旁路电路和控制电源组成。运行中功率单元故障时,变频器可将故障单元自动旁路并继续运行,等情况允许时再停机排除故障。

图5:单元原理图
4.2 HD93技术特点与优势
汇川HD93系列同步机专用高压变频器为完美无谐波型变频器,采用功率单元级联式技术路线,矢量控制高压变频器,控制核心采用DSP+ARM+FPGA组成,指令在纳秒级完成,因此控制波形和逆变波形可以实时校验。具有国际领先的技术!
所有产品均进行满载72小时测试,除一些保护功能外,同磁链闭环矢量控制技术(SFOC)、同步机矢量变频控制、永磁同步高频技术、快速叠频技术、Syn-transfer技术、同步机飞车启动、非对称机械旁路技术、双路控制电源等功能,这些功能技术上处于国际领先水平。
公司的电力电子,自动控制和计算机等领域具有理论水平和实践经验的优秀科研队伍,长期致力于电力电子领域各类产品的开发研制,对于关系产品质量的生产工艺也作了大量的完善和改进,如:其中层叠直流母线的制作工艺保证了直流母线的分布电感最小,有效抑制了功率器件在开关过程中的di/dt电压尖峰;高密度FPGA贴片工艺保证了控制器在恶劣环境下能够长期稳定运行;整流桥、功率器件和电解电容的安装工艺使整个系统的离散性达到最小,保证质量和性能的高度一致性。为保障质量和效率,公司还研制了各类具有特色的和方便使用的工艺调试工装,建全了相应的质量管理体系。
五、现场应用照片

图6:电机及负载

图7:变频器上电冲击波形示意

图8:动态励磁过程波形(红色曲线为励磁电流)
六、总结
冶金行业历来属于高耗能行业,大功率电机数量巨大,常年工频运行导致能源浪费严重,变频改造不仅能够实现显著地节能效果,且能够改善运行工艺,达到多重改造效果,经济效益及社会效益显著,烧结主抽风机的变频改造不仅能够实现较高的节能效果,还能够实现大功率同步电机的启动调速问题。汇川技术HD93系列同步机专用高压变频器之所以能够成功的改造此次大功率烧结主抽风机,也是产品高性能、高可靠性的一个证明。
汇川技术有限公司依托多年的自动化行业的应用经验,对冶金行业的变频改造具有独到的方案解决能力,HD9X系列高压变频器为采用矢量控制技术的高性能变频器,产品广泛应用于冶金、电力、化工、市政、装备制造业等多个应用领域。
(转载)



