1、引言
分切机由放卷机构、切割机构、收卷机构、各功能辊以及纠偏控制和检测装置组成。其工作原理为:从放卷机构放出的薄膜原料,经展平辊,纠偏系统,进入切割机构,原材料经分切后,由收卷机构分别收卷成标准膜卷。
分切机主要是用来完成中低定量纸张(如卷烟纸、铝箔纸、玻璃纸、电容器纸等)和薄膜(如BOPP、 PVC等)及类似薄型材料的纵向分切和复卷。一般情况下,车速比较快,控制精度要求比较高,其中张力控制是其控制的核心。张力控制是指能够持久地控制原料在设备上输送时的张力的能力。这种控制对机器的任何运行速度都必须保持有效,包括机器的加速、减速和匀速。即使在紧急停车情况下,也应有能力保证被分切物不破损。张力控制的稳定与否直接关系到分切产品的质量。若张力不足,原料在运行中产生漂移,会出现分切复卷后成品纸起皱现象;若张力过大,原料又易被拉断,使分切复卷后成品纸断头增多。
吉泰科公司推出的GK800T张力控制变频器,无需安装张力传感器,就可以进行恒张力控制,并且可以控制张力锥度,保证收卷后各层形状均匀,而且极大的提高了分切机的运行速度。
2、 薄膜分切机收卷解决方案
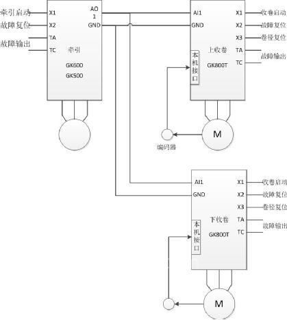
吉泰科分切机的收放卷简易示意图如下图所示:
方案说明:
收卷部分由两台电机分别控制上下收卷轴,采用吉泰科GK800T系列张力控制专用,带卷径计算专用驱动器,自动计算当前卷径及所需收卷张力。牵引为整机设定基准速度,并将牵引线速度通过模拟口传递给收卷部分,可放卷部分张力由磁粉离合器控制。
下图为吉泰科薄膜分切机收卷接线图:
使用吉泰科通用变频器GK600或者GK500控制分切机的运行速度,它可以工作在开环矢量方式。主速度可以用电位器或通讯来调整。AO1端口作为运行频率的输出,作为放卷变频器、上、下收卷变频器的线速度给定。收卷变频器要使用吉泰科张力专用变频器GK800T。牵引变频器可运行在V/F控制模式或者矢量控制模式运行,而收放卷变频器均需要工作在闭环矢量方式,工作在张力开环模式。
吉泰科GK800T变频器是一种可以实现恒张力控制的变频器,可以通过变频器内部的计算,获得材料的卷径,通过控制变频器的输出转矩来获得恒张力控制。可以通过设置系统惯量补偿、摩擦补偿及材料惯量补偿可以补偿由于系统惯量、磨擦阻力及材料惯量引起的起动或加速过程中速度不均匀的情况,获得非常平稳的张力控制效果。方案简易,调试简单,而且恒张力控制基本不受速度的影响,可以实现高速分切。
3、 调试情况说明
吉泰科GK800T变频器提供张力锥度设置、滑动摩擦补偿转矩、高速摩擦补偿校正、机械惯量补偿、减速惯量系数调整、卷径自动计算等功能,转矩控制精度±5%。收卷变频器工作在转矩控制模式,在加减速过程中,需要提供额外的转矩用于克服系统的转动惯量。如果不加补偿,则会出现收卷过程中张力偏小减速过程中张力偏大的现象。如果起动时出现张力变小,则增加系统惯量补偿系数。磨擦补偿主要是克服在整个运行过程中由于系统存在的磨擦力对张力的影响,可通过调节磨擦补偿系数来完成。正常运行时材料张力若小于设定张力,则将摩擦补偿系数增大。另外需要补偿的是卷轴上材料所产生的转动惯量,通过设定材料的密度及宽度,变频器可计算出当前材料的转动惯量。调试时合适设定张力锥度,可以控制材料的卷曲质量,避免外紧内松的情况发生。通过设定以上的几个补偿量,可以有效的改变系统惯量对加减的影响。设定合适的张力,可以达到比较好的收卷控制。
利用吉泰科变频器作分切机控制时,吉泰科变频器器自带编码器接口,无需另外配置板卡,节约成本,同时支持ABZ增量式编码器、旋转变压器等类型编码器。吉泰科GK800T变频器支持在线辨识异步电机参数,还能对编码器进行识别,自动调整编码器方向;具有电机在线辨识功能,消除电机发热对控制特性的影响。
GK800T驱动器对既可以直接驱动电机,也可以通过减速装置驱动。内置的减速比配置功能,使得保持稳定张力不受影响。
下图为吉泰科GK800T收卷变频器调试流程图:
4、 结束语
由于GK800T变频器对不同卷径下张力的准确控制,可以完全克服张力不当在薄膜生产中产生皱纹、条纹的问题,极大的提高了产品的质量。
关于吉泰科
吉泰科一直围绕客户的需求持续创新,与合作伙伴开放合作,为客户提供全方位的配套驱动解决方案,创造最大价值。目前其产品和解决方案广泛应用于驱动行业各中、高端场合。
公司始终坚持“以奋斗者为本”的理念,在经营方面秉承自主创新、精诚团结的企业精神,采用现代化企业经营理念,利用现代化管理工具,使企业的业务流程规范、高效。
(转载)



