摘 要:本文介绍了山东新风光电子科技发展有限公司生产的高压动态无功补偿装置在四川三台县某镇农网中的应用。通过改造,改善了电网电能质量,降低了线路损耗,减少了电费支出。
关键词:FGSVG 无功补偿 谐波治理 农村电网
1、 前言
随着国家支农惠农政策的相继出台,农村经济得到迅猛发展,农民生活逐年改善。在用电方面,随着全面实现城乡同网同价,机械化生产、电气化生活在农村逐步推广,电视机、电冰箱、洗衣机、电磁炉、电饭煲、空调等家用电器得到迅速普及,农村的用电量日益增大,以每年约10%~15%的速度持续递增。这些电器设备的增加对电能质量造成了巨大的污染。主要体现在谐波严重超标,造成变压器、电机、电容器组和线路的损耗加剧,甚至危及设备安全;产生的负序电流对电机等旋转机械产生附加转矩,降低工作效率,增加能耗;由于冲击无功的作用,对电压造成严重的波动和闪变,降低生产效率,单位能耗增加,同时造成产品质量下降。对这些大冲击非线性负荷或不对称负荷应进行就地无功补偿和用电污染治理,即对该类污染从源头进行治理,以达到电能质量治理、节能降耗、增加产量和提高产品质量的目的。
因此,采用无功发生器技术是解决这些问题的最有效措施之一,一方面可以抑制电压波动,改善电能质量,另一方面对系统的阻尼特性也有一定程度的改善;可以提高受端电网的动态无功备用水平,提高受电能力。
无功补偿技术的发展经历了从同步调相机→开关投切固定电容→静止无功补偿器(SVC)→静止同步补偿器(SVG)的过程。静止无功补偿器(STATCOM,又称SVG)采用了全控型开关器件(如IGBT),所以其动态补偿效果是早期的同步调相机、电容器等无功补偿装置不能比拟的。静止无功发生器以其较低的谐波,较高的效率,较快速的动态响应,将成为输电系统中的重要设备。农村经济发展和农民生活水平的提高,离不开作为基础产业的电力的支持,农村电网对建设社会主义新农村有着至关重要的意义。
2、 风光STATCOM(以下简称FGSVG)与传统补偿装置的比较
风光STATCOM(以下简称FGSVG)是山东新风光电子科技发展有限公司自主研发的高压动态无功补偿装置,采用现代电力电子、自动化、微电子及网络通讯等技术,采用先进的瞬时无功功率理论和基于同步坐标变换的功率解耦算法,以功率因数、电网电压或者两者分时间段作为控制目标,动态的跟踪电网电能质量变化来调节无功输出,实现电网的高质量运行。FGSVG拥有自主知识产权和多项发明专利,以其较低的谐波,较高的效率,快速的动态响应,成为输电系统中的重要设备。
FGSVG与同步调相机、SVC装置比较具有如下优点:
(1)采用数字控制技术,系统可靠性高,基本不需要维护,可以节省大量的维护费用;
(2)在提高系统的暂态稳定性、阻尼系统震荡等方面的性能大大优于传统的同步调相机;
(3)控制灵活、调节速度更快、调节速度广,在感性和容性运行工况下均可连续快速调节,响应速度可达毫秒级;
(4)静止运行、安全稳定,没有调相机那样的大型转动设备,无磨损,无机械噪声,将大大提高装置寿命,改善环境影响;
(5)对电容器的容量要求不高,可以省去常规装置中的大电感和大电容及庞大的切换机构,使FGSVG体积小、损耗低;
(6)连接电抗小。FGSVG接入电网的连接电抗,作用是滤除电流中存在的较高次谐波,另外起到将变流器与电网连接起来的作用,因此其电感量远小于补偿容量相同的TCR等SVC装置所需的电感量;
(7)FGSVG输出电流不依赖于电压,表现为恒流源特性,具有更宽的运行范围。而SVC本质是阻抗型补偿,输出电流和电压成线性关系。因此系统电压变低时,同容量FGSVG可以比SVC提供更大的补偿容量,FGSVG若配合同容量固定电容器可构成0~2倍容量的动态容性无功补偿器,性价比更高;
(8)FGSVG比SVC具有更快的响应速度,因而更适合抑制电压闪变。FGSVG响应时间在10 ms以内,而SVC响应时间一般在大于40 ms。FGSVG从额定容性无功功率变为额定感性无功功率(或相反)可在1 ms之内完成,这种响应速度完全可以胜任对冲击性负荷的补偿;
(9)FGSVG的桥式电路采用多重化技术、多电平技术或PWM技术来消除次数较低的谐波,并使如7、11等较高次数谐波减小到可以接受的程度。而SVC本身要产生一定量的谐波,如TCR型的5、7次特征次谐波量比较大,占基波值的5%~8%;其他如SR,TCT等也产生3、5、7、11等次的高次谐波,这给SVC 系统的滤波器设计带来许多困难;
(10)在故障条件下,FGSVG比SVC具有更好的控制稳定性。SVC使用了大量电容器电抗器,当外部系统容量与补偿装置的容量可比时,SVC会产生不稳定性。FGSVG对外部系统运行条件和结构变化不敏感;
(11)FGSVG比同容量SVC占地面积小、成本低。FGSVG由于使用直流电容器储能,可以减小电容器体积,且不需要并联电抗器即可以控制无功功率平滑变化,因此安装尺寸大大减小;
(12)FGSVG能够在一定范围内提供有功功率,减少有功功率冲击。SVC只能提供无功功率,不具备提供有功功率的功能。
3、FGSVG产品系统介绍
3.1 FGSVG产品原理
FGSVG产品的原理示意图如图1所示,基本原理就是将自换相桥式电路通过变压器或者电抗器并联在电网上,适当地调节桥式电路交流侧输出电压的幅值和相位,或者直接控制其交流侧电流就可以使该电路吸收或者发出满足要求的无功电流,实现动态无功补偿的目的。

图1 FGSVG产品的原理示意图
3.2 FGSVG产品结构
FGSVG产品系统主电路结构如图2所示:

图2 系统主电路结构
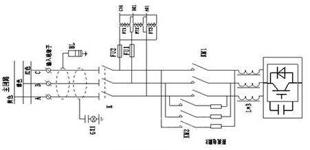
FGSVG产品的构成主要有三个部分组成:进线柜、功率柜、控制柜。图3为电气原理示意图。
进线柜是连接电网与装置的枢纽,控制装置的挂网与断网,并预留与原无功补偿设备(FC)的接口,方便现场的对接。
功率柜采用模块化设计,功率单元的结构和电气性能完全一致,单元可以互换,方便检修和维护。
控制柜人机界面优化处理,人性化设计,全数字化控制,实时计算电网所需的无功功率、谐波、负序电流等实现动态跟踪与补偿,对辅助设备实时控制,保持与上位机通讯,具有良好的可观测性。

图3 FGSVG电气原理图
3.3 FGSVG电气原理
FGSVG产品的主电路采用链式逆变器拓扑结构,Y型连接,10kV装置每相12个单元串联组成,6kV装置每相8个单元串联组成,运行方式为N+1模式。
这种结构可以独立分相控制,有利于解决相间平衡问题,在系统受到干扰时,更好地提供电压支撑;所有链节的结构完全相同,可以实现模块化设计,便于扩展装置容量;每相链节可设置一个冗余链节,当一个单元出现故障后仍可以满负荷继续运行,确保装置的可靠性;去掉了连接变压器,降低了装置成本和损耗。
功率单元电路如图4所示。为保证功率单元的可靠性,设计时选用同一批次的元器件,保证各元器件性能的一致性。每个功率单元均具有完善的保护措施,并且各工作状态均送回主控单元,主控与各单元信号连接均采用光纤。

图4 功率单元电路示意图
FGSVG装置控制核心由高速32位数字信号处理器DSP、大规模可编程逻辑器件CPLD/FPGA和一体化人机界面协同运算来实现,精心设计的算法可以保证FGSVG达到最优的运行性能。提供友好的全中文监控和操作界面,同时可以实现远程监控和网络化控制。PLC控制器用于柜体内开关信号的逻辑处理,以及与现场各种操作信号和状态信号的协调,增强了系统的灵活性。控制器采用大规模集成电路和表面焊接技术,系统具有极高的可靠性。
另外,控制器与功率单元之间采用多通道光纤通讯技术,低压部分和高压部分完全可靠隔离,系统具有极高的安全性,同时具有很好的抗电磁干扰性能,并且控制器有一套独立于高压电源的供电体系,功率单元的控制电源采用一个独立于高压系统的电源,方便调试、维修,增强了系统的可靠性。在不加高压的情况下,设备各点的波形与加高压情况基本相似,给整机调试带来了很大方便。
4、四川某典型应用案例
塔山供电所位于三台县东路的塔山场镇,现有6300kVA主变两台,全年供电量2000多万kW·h。辖区35kV刘塔线路一条18.6公里,10kV线路共六条共计312.3公里,共计量用户27905户,现在10kV母线上装设2000kvar的SVG一台。供电系统结构如图5所示。

图5 供电所系统结构图
用户现场在集中用电高峰时,功率因数很低,此时电网功率因数仍然在0.2以下,存在“欠补”现象;在用电低谷时,存在“过补”现象。波动明显的无功功率导致10kV电网母线电压的波动,对用户用电安全造成影响,供电所原来配置2组0.6MVAR无功补偿电容器,其中一组电容器已经损坏,并且单组电容器在投切过程中无法无级调节无功功率。
电力公司领导经过多方考察,最终选用山东新风光电子科技发展有限公司生产的FGSVG,规格型号为:±2000kvar/6kV,对电网进行无功补偿及谐波治理。于2011年9月25日开始了安装、主电缆及控制线路的铺设、继保的整定调试、电缆的耐压试验及装置本身的性能调试及检验。经严格的程序批报,本台装置于2011年9月30日正式在塔山供电所联网。在联调期间装置未对电网正常运行带来任何不良影响。
FGSVG可与原电容柜并列运行也可以单独运行,由于FGSVG具有容感性连续调节功能,安装FGSVG装置后,不仅使电网功率因数由原来的0.2以下提高到0.98以上,并且解决了现有电容器补偿装置“过补”的问题。FGSVG工作可靠,功能齐全,自动化程度高,操作简单,能实时记录各种运行参数及发生的故障并对各种故障进行自动保护,与现有的无功补偿设备相比优越性非常明显。
图6 为投入前功率因数曲线,图7为投入后功率因数曲线。

图6 使用FGSVG前的功率因数曲线

图7 使用FGSVG后的功率因数曲线
5、使用效益分析
在电网中安装FGSVG,不仅可使功率消耗减小,功率因数提高,还可以充分挖掘设备输送功率的潜力。配电网加装FGSVG后,从电网电力用户的效益分析,主要集中在以下几个方面:
(1)可以大大改善电能质量。
(2)有效降低电能损耗。
(3)减少用户电费支出。
FGSVG无功补偿的效益非常明显,经测算,该用户每年节约电费100多万元。用户补偿后也使电网降低了损耗,提高了电压质量。
6、结束语
在农村电网采用无功补偿改善供电系统的电网质量,这样不仅能增大有功输出能力,使设备容量得到充分利用,而且增加了输电能力,减少功率损耗和电能损耗,降低了线路中的电压损失和电压波动,从而达到节约电能和提高供电质量的目的,为用户创造了可观的经济效益,是一件利国利民的好事,值得在农村电网系统大力推广。
(转载)



