一、综述
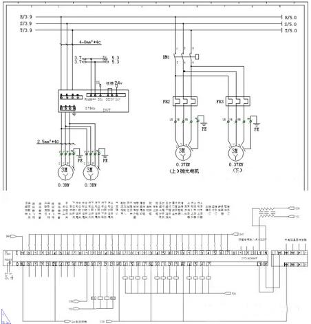
根据木工封边机的技术要求,英威腾采用人机界面、PLC控制系统、变频器全集成方案,具体方案示意图请参见图一。
PLC控制系统与人机界面之间采用标准的modbus协议,控制系统与变频器之间主要采用多段速的控制方式,同时通过英威腾PLC独有的N:N通讯,读取必要的变频器状态信息。
另外,根据英威腾工程师的经验,对现有的电气安装情况提出了一些建议,希望能对设备稳定性提供一些帮助。

图一:封边机系统示意图
二、系统描述
1. 控制系统
人机界面采用英威腾VF系列触摸屏,10寸彩色产品性价比较高,具备很好的人机交互功能。
PLC控制系统采用英威腾控制器IVC1系列,该产品具有极高的性价比,与VF以及英威腾变频器组成完美的小型自动化产品解决方案。
2. 现有的封边机各工位靠行程开关的信号延时动作,不仅安装调试不方便,在最终客户现场环境比如电压的波动,机械的磨合等都可能造成传送带的速度有波动,这样各工位的动作也多少会受到影响,理论每次的动作都存在一定的误差范围,所以一般的封边机也分高中底三种速度,因此触摸屏上也要对应三种不同速度的延时参数。
现在采用英威腾的方案:增加一个编码器,减掉原有的七个行程开关。用编码器走绝对位置控制。这样不仅控制更精确也节约安装调试时间,降低机械的故障率。
[DividePage:NextPage]
三、关于电气安装方面的建议

根据英威腾工程师的经验,针对现有电气安装情况,特地提出如下三方面的改进建议,希望能对设备的稳定提供帮助。
1. 多个安装板之间没有很好的连接
通常当两个设备相互间有信号连接,同时又各自在不同地点接地,如果两个接地点之间存在地电位差,就会产生地环路干扰。也就是共模干扰。如图二所示:

图二: 共模干扰示意图
为了避免这种干扰,可以在机柜内并联接地。机柜内通过汇流排一点接地,每个设备都通过独立的,尽可能短的,足够粗的地线连接到机柜内的接地点上。
建议采用短而粗的电缆分别将安装板与接地点连接。
2. 布线路径可以优化, 尽量避免信号线和电机动力线平行走线
模拟量信号线和动力线在一个线槽内走线,会在模拟量信号线上产生尖峰干扰信号。
通常为了避免这种情况,应按照如下原则:
(1) 不同电压等级的线缆(24V, 110/220V和400V),应该分开走线;
(2) 模拟量信号线,应该独立走线;
(3) 信号线,通信线等和电子控制元件控制线,动力线之间的距离应该>20CM。如果不能,中间应该用金属板隔开。
3. 接触器控制线圈可以考虑增加阻容元件防浪涌
电子可控开关在动作时会产生大量的尖峰干扰信号,其峰值可能达到4000V,如图三所示:

图三: 尖峰干扰信号示例
这些尖峰电压可以用各种浪涌吸收装置吸收,如RC回路或者稳压二级管等等,从而可以避免这种尖峰的干扰。如图四所示:

图四: 阻容元件防浪涌示例
以上三点是英威腾工程师根据现场经验提出的建议,期望能提高现有电气安装的稳定性。
接线图:

(转载)



