摘要:本文主要介绍了深圳市英威腾电气股份有限公司研发的CHF100A中频变频器在稠油加热系统中的实际应用情况。通过集肤效应原理实现稠油井的空心抽油杆电加热,稀释稠油方便开采。本文详细介绍了CHF100A中频变频器在此类应用中的优越性。
关键词:中频加热 集肤效应 CHF100A
一、引言
在我国石油开采中,稠油井的比例相当大,这类油井原油粘度高、凝固点高、密度大、含蜡量高、特别是东北部油田天气寒冷,原油稠度不高流动性不强,难以开采。目前国内外开采这类油井使用最广泛、效果最好的工艺技术是稠油热采技术,即采用空心杆电加热工艺技术,使稠油变稀,可实现稠油的顺利开采。
以前的空心杆加热技术,采用工频电源,因负载为特殊加热电缆属于单相负荷,需要独立的变压器,将三相输入变为单相输出,会造成电网的三相不平衡,功率因数低,电能浪费严重,对电网的污染加大。采用CHF100A中频加热电源装置解决了上述问题,该设备输出500~2000Hz频率,实现输出电压、电流连续可调,进而实现输出功率的连续可调,提升了加热效果,同时利用中高频的集肤效应,使得加热效率大大提高,极大降低了采油生产的能源消耗。
本文主要结合深圳英威腾CHF100A系列中频变频器在某油田的一台加热抽油杆上的实际应用情况,对CHF100A变频器在此类场合的应用特点和注意事项进行简要介绍。
二、应用环境分析
1、 中频加热原理
集肤效应:当导体中有交流电或者交变电磁场时,导体内部的电流分布不均匀,且电流集中在导体的“皮肤”部分的一种现象。导线内部实际上电流变小,电流集中在导线外表的薄层。结果导线的电阻增加,使它的损耗功率也增加。这一现象称为集肤效应。
中频加热原理:中频加热是根据上述集肤效应原理,即频率增大时,集肤深度越深,交流阻抗增大,从而在相同电流作用下产生的热量增多,提高加热效率。S=K(1/fc)0.5 S为集肤效应投入深度;K为修正系数;fc为频率;由式中得出,fc增大时,S变小,即集肤深度越深,交流阻抗Z=KZ(fc)0.5也变大,随之产生的能量增加。
控制原理:将380V/50Hz的三相交流电经整流后变成直流,再经逆变电路变成500~2000Hz的单相电,再经中频变压器隔离升压后输送到加热电缆。
2、 客户现场情况
油田名称:中石油大港某油田
配套抽油机系统:磕头机

图1 :油田磕头机

图2: 加热电缆
3、客户要求
客户要求此110KW电源加热电流可达到100A左右,确保抽油机运行时不堵塞,加热控制为时间和温度双控,即设定好运行时间和停止时间后,系统按照此设定运行,同时加入温度控制、设定温度上限和下限,高于温度上限时停机,低于温度下限时开机运行。系统长时间在恶劣环境下运行,要求稳定可靠。
三、系统方案提出
1、 系统具体方案
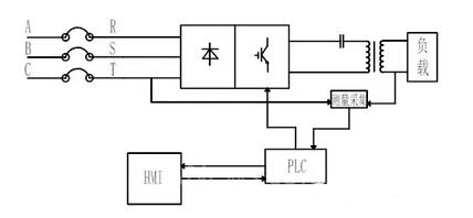
该系统使用一台CHF100A中频变频器,16点IVC1型号PLC,一块4AD模数转换模块,一块7寸VF触摸屏构成。其中变频器作为加热电源,外部温度检测信号和互感器检测电流、电压信号经4AD模块送入PLC, PLC作为主控原件控制变频器完成加热作业。触摸屏作为操作界面,将控制命令传达到PLC,同时显示相关运行参数,实时了解工作状态。
输出部分采用环形中频变压器,用于隔离输入、输出电压,同时经电容组与控制柜输出相连接,起到隔直作用,防止由于直流偏磁或过励磁产生的磁饱和,并可起到串联谐振的作用。中频变压器输出电压多档位可选,工作频率高,自身能量损耗极低,整机效率提高。

图3 :系统框图

图4:电控柜 图5:电容及变压器
注:串联谐振原理:在电阻、电感及电容所组成的串联电路内,当容抗XC与感抗XL相等时,即XC=XL,电路中的电压U与电流I的相位相同,电路呈现纯电阻性,这种现象叫串联谐振。当电路发生串联谐振时电路的阻抗Z=√R^2 +(XC-XL)^2=R,电路中总阻抗最小,电流将达到最大值。因此在中频加热系统中,依据串联谐振的原理可以使加热效率提高到最大。
2、系统调试
变频器设置参数如下:

四、系统改造后运行效果分析
根据输出频率高低不同,集肤效应程度不同,高频率加热效果较好,但电流会小一些;同时变压器接高电压档相比接低电压档,由于负荷不变,电流得到提升。该110KW变频器,在额定输出情况下,加热电流可以达到120A左右。

图6:设备运行图片
五、结束语
本文主要结合深圳英威腾CHF100A系列中频变频器在大港某油田电加热抽油杆上的实际应用情况,对CHF100A变频器在此类场合的应用特点和注意事项进行了简要的介绍。现场应用表明,CHF100A运行稳定,加热效果好,成为油田抽油杆电加热应用高性能,高可靠性变频器的理想选择。
(转载)



