设备简介
带式输送机又称胶带输送机,俗称“皮带机”。它作为一种连续动作式输送设备广泛应用于冶金、电力、化工等行业,在煤炭行业应用更为广泛。相对原有的提拉式小车的效率及安全性有了很大程度的提高,井上只需一人或无人看守,节约了生产成本,实现自动化生产。
工艺流程
通用带式输送机由输送带、托辊、滚筒及驱动、制动、张紧、改向、装载、卸载、清扫等装置组成。输送带绕经传动滚筒和机尾换向滚筒形成一个无极的环形带,如下图。

图1、通用带式输送机示意图
双滚筒驱动带式输送机有两种形式,一种是双滚筒共同驱动,另一种是双滚筒分别驱动。双滚筒共同驱动其实质和单滚筒驱动一样,两个滚筒由1:1的齿轮连接。双滚筒分别驱动其原理类似于两个单滚筒驱动,两个滚筒由2台电机拖动。双滚筒分别驱动带式输送机的原理示意图如下。

图2、分别驱动带式输送机示意图
一、易能变频器在双电机分别驱动带式输送机上的应用
1.分别驱动带式输送机的电气特点
要求两台电机在使用时的轴功率基本一致,然而在实际使用时上电机做功总是比下电机做功大即上电机的负载要大于下电机的负载。因此在使用过程中要保证两台电机的电流基本一致。带料启动时负载力矩大,要求电机驱动装置输出起动转矩也足够大,才能保证能使带式输送机顺利起动。
2.选用易能EDS2000系列变频器
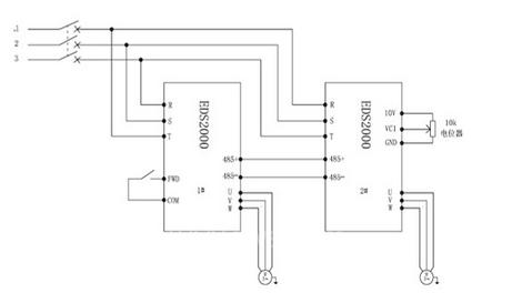
电气接线图

图3 变频器接线图
B.参数的设置
假设1#变频器为主机,带动上电机(负荷较重的电机),2#为从机,带动下电机(负荷较轻的电机)。
参数如下:1#:F0.02=1 F0.14=60 F0.15=80 F0.20=3 F2.18=0 F9.04=120 F9.09=180 2#:F0.00=8 F0.02=2 F0.14=60.2 F0.15=80 F0.16=51 F0.20=3 F2.09=17 F2.18=1 F8.03=1 F9.04=120 F9.09=180
通过手动调节电位器,使得2#从机的频率略大于1#主机的频率,使得两台机器的电流基本保持一致即可。
二、机器使用地点情况
目前在重庆合川林口煤矿上使用两台EDS2000-4T0900G/P的机器,工作正常,能够达到客户的需求。
(转载)



