LLC拓扑在200 W-600 W电源应用中相当普及,尤其在需要高能效开关电源的方案。有别于市场上采用传统电压控制工作模式的`LLC方案,安森美半导体的NCP1399是业界首款采用电流控制模式的LLC AC-DC控制IC。该器件应用600 V门极驱动器简化布局并减少外部元件数,采用跳周期模式提升轻载能效,并集成一系列保护特性以提升系统可靠性,用于大屏幕电视、一体化电脑、工业及医疗等大功率电源系统应用,可显著实现轻载和满载时的高能效及超低待机能耗。
传统电压模式LLC的限制
传统的电压模式LLC控制器是通过次级稳压器改变压控振荡器(VCO)频率,从而实现稳压。由于没有直接连接到初级端电流,所以需要添加额外的电路系统以提供过载及短路保护。当输出产生瞬态变化(如由空载转至满载) 时,瞬态响应会比较慢。而且,LLC启动行为受谐振回路的元器件、实际的谐振电容电压、启动阶段的输出电压、启动大电流电压和初始导通时间等初始条件影响,在所有条件下避免硬开关是不太容易的。当应用进入待机模式时,为降低待机能耗,系统会关闭PFC及LLC,但同时需要系统里有辅助电源来维持MCU及周边元器件待机时的最低工作条件,增加了系统成本。
电流模式LLC的优势
相同条件下,电流模式LLC可提供比传统电压模式LLC高得多的 fo,从这波特图可以看出。

图1. 波特图
因此,在动态负载响应方面,电流模式LLC比电压模式LLC提供更低压降、更低过冲(overshoot)和更快稳定响应;在线形纹波抑制方面,电流模式LLC 控制抑制线性纹波比VCO LLC好5倍,其与Vbulk有关的Vout 纹波甚至可以忽 略不计;在线形瞬态方面,电流模式LLC控制提供较 VCO LLC控制小10倍的过冲和小10倍的压降。
NCP1399 应用原理及电流模式控制算法
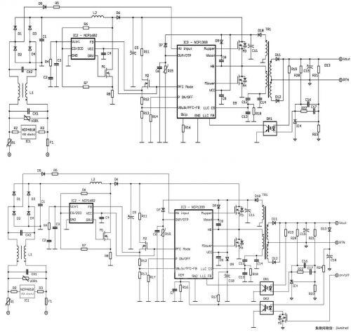
NCP1399有Active OFF 关断模式 (NCP1399Ax) 和Active ON关断模式 (NCP1399Bx)两个版本。如图2 所示,两个版本均采用业界首款6引脚PFC控制器NCP1602,与NCP1399配合成为完整的LLC方案。PFC运行由NCP1399经由VCC控制,PFC FB和 LLC BO 的电阻分压是共享的,这共享也是可关断的。NCP1399Ax采用”Skip”引脚调整进入跳周期模式的负载状态,及侦察到FB电压低于VB_remote_off时进入关断模式;NCP1399Bx则采用內部设定的“跳周期模式”阈值电平 (IC内部可编程),及运用独立的光耦制REM 引脚而进入关断模式。

图2. NCP1399典型应用原理图(上:A版本;下:B版本)
由于谐振电容集成初级电流(Iprimary),所以Vcs电压与初级电流成正比,而在关断期间,Vcs电压有正或负斜率,再者,关断时的Vcs电压几乎是线性地依赖于负载电流,而Vcs关断电压曲线随Vbulk变化,故可通过Vcs与初级电流的关系以及Vcs分压实现电流模式LLC控制。具体控制算法为:1)通过Vcs分压信号取得正谐振电容斜率;2)偏移加至Vcs分压信号,以避免轻载时光耦饱和;3)根据FB引脚电压和Vcs电压斜率(反映通过初级电流的线路和负载条件)通过系统自动调节Mupper导通时间;4)然后同样的导通时间被复制用于Mlower MOSFET,确保完美对称的直流。

图3. 电流模式控制原理
NCP1399如何实现高能效及超低待机能耗
自动调节死区时间(DeadTime, DT)
DT期的作用在于避免功率MOSFET的交叉导通,从而防止过电流对系统的损毁。固定的DT期通常用于使能谐振转换器,但由于励磁电流随线性和负载条件变化,采用固定的DT期不能确保最佳的运行条件。NCP1399采用专有方式,当检测到零电压开关(ZVS)转换,dV/dt传感器监测HB引脚斜率,并提供逻辑信号,从而根据谐振回路参数优化调节DT。
跳周期模式
由于初级端MOSFET的ZVS和次级端整流器的ZCS(零电流开关),LLC谐振转换器可在中度负载和满载时达到最高能效。但在轻载和空载条件下,如果采用普通的频率调制控制技术会产生不小的能耗。NCP1399采用专有的跳周期模式技术,尽可能地提升轻载能效并降低噪声。它基于FB引脚电压电平执行跳周期模式,跳周期比较器将FB引脚电压和预选值进行比较,当VFB降至低于预选跳周期水平,IC经由专用关断序列进入跳周期模式。在这种运行模式下,IC功耗降低,PFC段及使用PFC模式引脚的BO/PFC FB高压分压器可被禁用,由于NCP1399总是以特定的方式进入跳周期模式,这运行总是被Mlower驱动脉冲以导通时间等于Fmax的3/2时(或最后一个Mupper脉冲的3/2)结束,因此谐振电容电压保持为Vbulk*1/4 ,从而降低开关损耗。当FB引脚电压内部增加预选滞后,IC回到正常运行模式,Mlower的第一个脉冲被延长,对自举(bootstrap)电容进行再充电,并激励谐振回路以准备ZVS条件用于后续的Mupper导通进程,接下来的Mlower脉冲基于导通时间CMP信号而被延长。

图4. 进入跳周期模式及从跳周期模式回到正常模式
PFC导通/关断功能
PFC 导通/关断功能基于FB引脚电压监测来完成 。PFC预设的计时器(Timer)用来克服瞬态期间的问题,三态输出控制PFC FB/LLC Brown-Out (BO)分压器和PFC VCC。这PFC导通/关断功能在跳周期模式可降低轻载能耗。
NCP1399 专有的控制提供强固的保护
1. 专有启动序列
在谐振开关电源应用中可能会出现硬开关启动。NCP1399 使用特定启动方案,确保在任何启动条件下的稳固的、无硬开关的启动。NCP1399使用软启动计数器和D/A转换器,实现数字非线性软启动序列。
2. 过载保护
过载保护通过FB引脚电压检测实现。导通时间比较器定义了比较值以控制导通时间。当使用NCP1399发生次级短路时,FB引脚电压上升,当FB引脚电压达到最大值时,故障计时器/计数器启动,控制器禁用驱动脉冲并进入保护模式。
3. 内置可编程功能
NCP1399 内置许多可编程功能,包括:空载期钳位和故障选项、TSD阈值、使用可调节的阈值选择Remote和关断模式、VCC导通/关断阈值、CS偏置和斜率补偿增益、提供CS LEB 、跳周期模式的内外阈值、故障计时器/计数器及其持续时间—包括自动恢复计时器、累积或非累积选择、OTP/OVP 闩锁或自动恢复选择、BO 选择 (IBO, VBO, 跳周期期间功能)、最大导通时间故障检测 (导通时间和闩锁/自动恢复)、启动序列的第1个Mupper和Mlower脉冲宽度、软启动增量影响软启动持续时间、P ON/OFF功能的激活和滞后以及计时器功能等,可在不同应用中根据具体情况将参数进行适当调整和优化,提供了设计灵活性并加快产品上市。
评估板能效测试
下图显示,当输入电压为110 V和230 V,输出电流在0-20 A范围内时,NCP1399的能效高达90%以上。

图5. 评估板能效测试图
(转载)



