本月,位于孟加拉国首都达卡工业园区的模块化UPS成功实现对该园区一套数控印刷加工系统稳定零故障供电一周年,获得了客户的赞誉。此应用中的模块化UPS为英威腾电源的新一代明星产品RM系列,该产品以独特的结构设计,极高的稳定性与可靠性获在数控加工领域得到了广泛应用,本文以此安装为例,详解RM系列的具体应用。
现场工况
客户的印刷数控加工系统位于达卡工业园区,其整个工业园区供电不足,每天都会出现市电间歇性停电,市电断电后,园区会启动备用发电机,启动过程大概会有2-3分钟,每天大概会出现3-4次停电。
客户需求
客户的印刷数控加工系统为一套联合生产线,主要由打印单元和烘干单元两部分组成。每次停电,都会造成打印单元和烘干单元中大量加工原材料报废,造成一定的经济损失;同时,由于该套设备每次重新启动需要预热烘干单元,启动时间达5-10分钟之久,以每天3.5次停电,每次10分钟间断时间计算,每天有近40分钟的工作时间被浪费;另外由于频繁的停电和由发电机供电的相对不稳定性对加工设备的寿命也造成不利影响。
针对这些情况客户提出以下的供电要求:
(1) 停电时,保障设备正常供电切换时间少于10ms,且由发电机供电时保证供电稳定
(2) 电池后备时间保持在满载15分钟
(3) 设备具有一定冗余性,能实现快速维护
(4) 能实现快速故障诊断,实时了解系统运行状态
解决方案
通过了解,该系统运行稳定时三相线电流约为80A左右,在启动时的峰值电流可以达到120-130A,系统是一个比较典型的整流性负载,输出PF大概在0.83,无能量回馈至电网,据此情况,结合客户要求,我司给出了如下解决方案:
(1) 主机配置6插槽的基于30kVA的RMX系列RM180/30X,最大功率可达180kVA,输出功因达0.9;
(2) 功率模块配置5个PM30X,采用4+1冗余模式,且留有一个模块供后期扩容;
(3) 电池配置40节150Ah,12V电池,完全满足客户的后备时间需求,且能保证多次浅放电时对电池的寿命要求;
(4) 配置选件SNMP卡,可以方便客户直接通过网页监控UPS运行状态,实时掌握UPS的运行信息
(5) 配置选件防尘网,适应园区多尘的工业环境
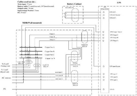
(6) UPS现场配置图如下图所示

运行效果
通过现场实际运行调试,UPS稳定运行时负载率在40%,启动时最大负载率约在50-60%左右,停电时,实现无间断切换到电池模式,客户可以直接在监控室实现对UPS运行状态的全监控,完全满足客户的要求。
安装运行一年多年,整套系统运行稳定可靠且保持了零故障,完全避免了客户以往由于停电造成的损失,提高了整个产线的工作效率,为客户创造了巨大的经济价值。
同时客户对RM系列10.4”人性化的液晶操作界面赞不绝口。
本月,客户将会再次下单采购另一套RM系统,这是对RM系列模块化UPS安全供电于工业数控加工系统的最好的肯定。

关于英威腾:
英威腾,成立于2002年,致力于成为全球领先、受人尊敬的工业自动化和能源电力领域的产品与服务提供者,2010年在深交所A股上市,股票代码:002334。英威腾是国家火炬计划重点高新技术企业,目前拥有13家控股子公司,分驻于全国的10大研发中心,申请各类专利700多件,主要产品涵括高、中、低压变频器、电梯智能整体机、伺服系统、PLC、HMI、电机和电主轴、SVG、UPS、光伏逆变器等。英威腾现有员工2000多人,大型生产基地3个,营销网络遍布国内及海外60多个国家和地区。
(转载)



