根据其数据手册技术规格,开关稳压器IC中内置的振荡器通常可用于非常宽的频率范围。例如:单片ADP2386降压变换器IC可确保其开关频率在设定值的±10%范围内。其他常用的开关稳压器IC则指定为设定值的±20%或更高范围。由于ADP2386开关频率具有±10%的变化范围,在极端情况下,ADP2386使用RT将开关频率设置为600 kHz,即可在540 kHz和660 kHz频率下进行开关转换。

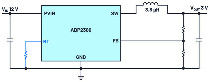
图1.ADP2386降压变换器,其开关频率由电阻RT设置
在设计电路时,必须考虑到开关频率可能会有20%的变化,由于流经电感的峰值电流会随实际开关频率有所不同,因此,电感电流纹波会直接影响输出电压纹波。
图2.受开关频率变化影响的峰到峰线圈电流纹波
图2显示了开关频率对电感电流纹波的影响。图中,600 kHz的标称开关频率以蓝色显示。最小(540 kHz)开关频率以紫色显示,最大(660 kHz)开关频率以绿色显示。在600 kHz的标称设置频率下,当稳压器在540 kHz频率下开关时,可以看到峰峰纹波电流为1.27 A。但是,在600 kHz的相同频率设置下,开关稳压器也能够在660 kHz频率下开关,相应的纹波电流为1.05 A。在此例中,220 mA的线圈电流纹波差异可能是由于电路中不同组件的开关频率变化导致的。这已经超过了整个允许的温度范围。
开关稳压器的限流值设置必须考虑这个因素。峰值电流必须足够低,才能确保在正常运行期间不会激活现有的任何过流保护。
请注意,本例未考虑所有其他可能出现的变化因素,如电感和电容值变化。
图3显示了不同的电流纹波变化的相应输出电压纹波值。电路设计为开关频率为600 kHz时产生4.41 mV纹波电压。在540 kHz开关频率下,纹波电压为5.45 mV;在660 kHz开关频率下,纹波电压为3.66 mV。
图3.在开关模式稳压器IC中,开关频率变化导致的输出电压纹波变化
本例中,考虑的唯一变量就是允许的温度范围内开关频率的变化。在实际应用中,可能存在许多其他变量,如电感和电容的实际值变化。这些亦受工作温度的影响。但是,我们也可以假设,在大多数情况下,开关频率的实际变化不会达到±10%的限值。通常,开关频率会在指定范围中间的典型值附近变化。为了系统地考虑电源中的所有动态变量,我们可以通过蒙特卡罗分析找到答案。其中不同分量和变量参数的变化根据其发生的概率进行加权,并相互关联。使用ADI公司免费提供的LTspice®仿真软件可进行蒙特卡罗分析。
(转载)



