开关频率优化
一般来讲,开关频率越高,输出滤波器元件L和CO的尺寸越小。因此,可减小电源的尺寸,降低其成本。带宽更高也可以改进负载瞬态响应。但是,开关频率更高也意味着与交流相关的功率损耗更高,这需要更大的电路板空间或散热器来限制热应力。目前,对于 ≥10A的输出电流应用,大多数降压型电源的工作频率范围为100kHz至1MHz ~ 2MHz。 对于<10A的负载电流,开关频率可高达几MHz。每个设计的最优频率都是通过仔细权衡尺寸、成本、效率和其他性能参数实现的。
输出电感选择
在同步降压转换器中,电感峰峰值纹波电流可计算如下:

在给定开关频率下,低电感提供大纹波电流并产生大输出纹波电压。大纹波电流也会增加MOSFET RMS电流和传导损耗。另一方面,高电感意味着电感尺寸大,电感DCR和传导损耗也可能较高。通常,在选择电感时,会选择超过最大直流电流比的10% ~ 60%峰峰值纹波电流。电感供应商通常指定DCR、RMS(加热)电流和饱和电流额定值。在供应商的最大额定值内设计电感的最大直流电流和峰值电流非常重要。
功率MOSFET选择
为降压转换器选择MOSFET时,首先确保其最大VDS额定值高于具有足够裕量的电源VIN(MAX)。但是,不要选择额定电压过高的FET。例如,对于16VIN(MAX)电源,额定值为25V或30V的FET非常适合。额定值为60V的FET的电压过高,因为FET的导通电阻通常随额定电压的增加而增加。接下来,FET的导通电阻RDS(ON)和栅极电荷QG(或QGD)是两个最重要的参数。通常需要在栅极电荷QG和导通电阻RDS(ON)之间进行取舍。一般而言,硅芯片尺寸小的FET具有低QG、高导通电阻RDS(ON),而硅芯片尺寸大的FET具有低RDS(ON)和大QG。在降压转换器中,顶部MOSFET Q1同时吸收了传导损耗和交流开关损耗。Q1通常需要低QG FET,特别是在具有低输出电压和小占空比的应用中。低压侧同步FET Q2的交流损耗较小,因为它通常在VDS电压接近零时导通或关断。在这种情况下,对于同步FET Q2,低RDS(ON)比QG更重要。如果单个FET无法处理总功率,则可并联使用多个MOSFET。
输入和输出电容选择
首先,应选择具有足够电压降额的电容。
降压转换器的输入电容具有脉动开关电流和大纹波电流。因此,应选择具有足够RMS纹波电流额定值的输入电容以确保使用寿命。铝电解电容和低ESR陶瓷电容通常在输入端并联使用。
输出电容不仅决定输出电压纹波,而且决定负载瞬态性能。输出电压纹波可以通过公式(15)计算。对于高性能应用,要尽量减少输出纹波电压并优化负载瞬态响应,ESR和总电容都很重要。通常,低ESR钽电容、低ESR聚合物电容和多层陶瓷电容(MLCC)都是不错的选择。
关闭反馈调节环路
开关模式电源还有一个重要的设计阶段——通过负反馈控制方案关闭调节环路。这项任务通常比使用LR或LDO更具有挑战性。它需要充分了解环路行为和补偿设计,通过稳定环路来优化动态性能。
降压转换器的小信号模型
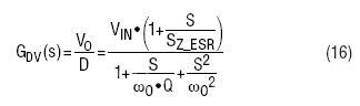
如前所述,开关转换器随开关开启或关闭状态改变工作模式。它是一个分立式非线性系统。要使用线性控制方法来分析反馈环路,需要进行线性小信号建模[1][ 3]。由于输出L-C滤波器,占空比D至输出VO的线性小信号转换函数实际上是一个具有两个极点和一个零点的二阶系统,如公式(16)所示。在输出电感和电容的谐振频率处有两个极点。有一个由输出电容和电容ESR决定的零点。
其中,

电压模式控制与电流模式控制
输出电压可由闭环系统调节,如图11所示。例如,当输出电压增加时,反馈电压VFB增加,而负反馈误差放大器的输出减少。因此,占空比减小。输出电压被拉回,使VFB = VREF。误差运算放大器的补偿网络可能是I型、II型或III型反馈放大器网络[3] [ 4]。只有一个控制环路来调节输出。这种方案称为电压模式控制。ADI LTC3775和LTC3861是典型的电压模式降压控制器。
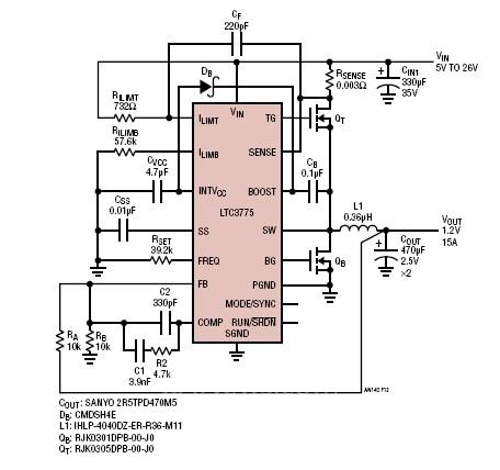
图12显示使用LTC3775电压模式降压控制器的5V至26V输入、1.2V/15A输出同步降压电源。由于LTC3775具有先进的PWM调制架构和极低(30ns)的最短导通时间,因此该电源适合将高电压汽车或工业电源转换为当今微处理器和可编程逻辑芯片所需的1.2V低电压的应用。高功率应用需要具有均流功能的多相降压转换器。使用电压模式控制,需要额外的均流环路来平衡并联降压通道中的电流。用于电压模式控制的典型均流法是主从法。LTC3861就是这样一款PolyPhase®电压模式控制器。其±1.25mV的超低电流检测失调电压使得并联相位之间的均流非常精确,从而平衡热应力。[10]
图11.电压模式控制降压转换器的方框图

图12.LTC3775电压模式同步降压电源提供高降压比
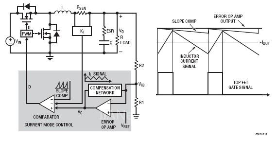
电流模式控制使用两种反馈环路:类似于电压模式控制转换器控制环路的外电压环路,以及将电流信号馈送回控制环路的内电流环路。图13显示直接检测输出电感电流的峰值电流模式控制降压转换器的概念方框图。使用电流模式控制时,电感电流取决于误差运算放大器的输出电压。电感成为电流源。因此,从运算放大器输出VC到电源输出电压VO的转换功能成为单极性系统。这使环路补偿变得更加简单。控制环路补偿不太依赖于输出电容ESR零点,因此可使用所有陶瓷输出电容。
电流模式控制还有很多其他优势。如图13所示,由于峰值电感电流受到运算放大器VC的逐周期限制,因此电流模式控制系统在过载条件下会更精确、更快速地限制电流。浪涌电感电流在启动过程中也会受到良好的控制。此外,当输入电压变化时,电感电流不会快速变化,因此电源具有良好的线路瞬态性能。并联多个转换器时,通过使用电流模式控制,也很容易在电源之间实现均流,这对使用PolyPhase降压转换器的可靠高电流应用至关重要。总而言之,电流模式控制转换器比电压模式控制转换器更可靠。
电流模式控制方案需要精确检测电流。电流检测信号通常是对开关噪声敏感的数十毫伏电平下的一个小信号。因此,需要正确仔细地设计PCB布局。通过检测电阻、电感DCR压降或MOSFET传导压降检测电感电流,可关闭电流环路。典型的电流模式控制器包括ADI公司的LTC3851A、LTC3855、LTC3774和LTC3875。
图13.电流模式控制降压转换器的方框图
恒频与恒定导通时间控制
“电压模式控制与电流模式控制”部分中的典型电压模式和电流模式方案具有由控制器内部时钟产生的恒定开关频率。轻松同步这些恒定开关频率控制器是高电流PolyPhase降压控制器的一个重要特性。但是,如果负载升压瞬态刚好发生在控制FET Q1栅极关断之后,则转换器必须等待整个Q1关断时间,直到下一个周期才能响应瞬态。在占空比较小的应用中,最坏情况下的延迟接近一个开关周期。
在此类低占空比应用中,恒定导通时间谷值时电流模式控制响应负载升压瞬态的延迟更短。在稳态操作中,恒定导通时间降压转换器的开关频率几乎是固定的。如果出现瞬变,开关频率可快速变化以加速瞬态响应。因此,该电源改进了瞬态性能,并可降低输出电容和相关成本。
但是,通过恒定导通时间控制,开关频率可能随线路或负载的改变而改变。ADI公司的LTC3833是具有更复杂的导通时间控制架构的谷值电流模式降压控制器,该架构是恒定导通时间控制架构的变体,区别在于它通过控制导通时间,使开关频率在稳定的线路和负载条件下保持恒定。使用此架构,LTC3833控制器具有20ns的最短导通时间,并支持38VIN至0.6VO的降压应用。该控制器可在200kHz至2MHz的频率范围内与外部时钟同步。图14显示具有4.5V至14V输入和1.5V/20A输出的典型LTC3833电源。[11]图15显示该电源可快速响应突发的高压摆率负载瞬变。在负载升压瞬态期间,开关频率增加以加快瞬态响应。在负载降压瞬态期间,占空比降为零。因此,仅输出电感限制电流压摆率。除LTC3833之外,对于多个输出或PolyPhase应用,LTC3838和LTC3839控制器也可提供快速瞬态、多相解决方案。
图14.使用LTC3833的快速、控制导通时间电流模式电源
图15.LTC3833电源在快速负载阶跃瞬态期间提供快速响应
环路带宽和稳定性
精心设计的SMPS应该没有噪声。而补偿不足的系统却不是这样,它往往是不稳定的。补偿不足的电源通常具有以下特征:磁性元件或陶瓷电容会发出噪声、开关波形存在抖动、输出电压振荡等。过度补偿的系统很稳定,噪声也很小,但瞬态响应慢。这样的系统在极低频率下(通常低于10kHz)具有环路交越频率。瞬态响应慢的设计需要很大的输出电容才能满足瞬态调节要求,从而增加了整体电源成本和尺寸。出色的环路补偿设计性能稳定、无噪声,但不会过度补偿,因此能够快速响应,使输出电容最小。ADI公司的应用笔记AN149文章详细介绍了电源电路建模和环路设计的概念和方法[3]。对于经验不足的电源设计人员,小信号建模和环路补偿设计可能有难度。ADI公司的LTpowerCAD™设计工具可处理复杂的公式,从而极大地简化了电源设计,尤其是环路补偿设计[5] [ 6]。LTspice®仿真工具集成了所有ADI器件模型,并提供额外的时域仿真以优化设计。但是,在原型制作阶段,通常需要对环路稳定性和瞬态性能进行基准测试和验证。
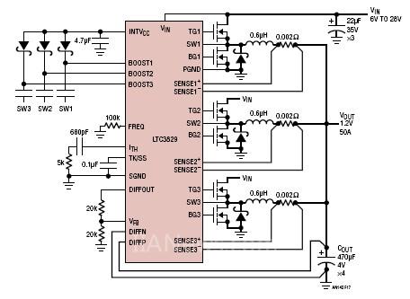
一般而言,闭环电压调节环路的性能由两个重要的值来评估:环路带宽和环路稳定性裕量。环路带宽由交越频率fC量化,在该频率下,环路增益T(s)等于1 (0dB)。环路稳定性裕量通常由相位裕量或增益裕量来量化。环路相位裕量Φm定义为总T(s)相位延迟和交越频率下–180°之间的差异。增益裕量定义为T(s)增益和总T(s)相位等于–180°的频率下0dB之间的差异。对于降压转换器,通常认为45度相位裕量和10dB增益裕量就够了。图16显示电流模式LTC3829 12VIN至1VO/60A 3相降压转换器的环路增益的典型波特图。本例中,交越频率为45kHz,相位裕量为64度。增益裕量接近20dB。
图16.LTpowerCAD设计工具可轻松优化环路补偿和负载瞬态响应
(以3相、单路输出LTC3829降压转换器为例)
适合高电流应用的PolyPhase降压转换器
随着数据处理系统越来越大,速度越来越快,其处理器和存储器单元在电压不断降低的情况下需要更大的电流。在这些高电流下,对电源的需求倍增。近年来,由于PolyPhase(多相)同步降压转换器具有高效率和散热均匀性能,因而一直广泛用于高电流、低电压电源解决方案。此外,借助多相交错降压转换器,可显著减少输入和输出端的纹波电流,从而减少输入和输出电容以及相关的电路板空间和成本。
在PolyPhase降压转换器中,精密电流检测和均流变得非常重要。良好的均流可确保均匀的散热和较高的系统可靠性。由于在稳态下和瞬变过程中具有内在均流功能,因此电流模式控制降压转换器通常成为首选。ADI公司的LTC3856和LTC3829是具有精密电流检测和均流功能的典型PolyPhase降压控制器。对于输出电流为20A至200A以上的2相、3相、4相、6相和12相系统,可以菊花链形式连接多个控制器。
高性能控制器的其他要求
高性能降压控制器还需要许多其他重要特性。通常需要软启动来控制启动过程中的浪涌电流。当输出过载或短路时,过流限制和短路闩锁可保护电源。过压保护功能可保护系统中的昂贵加载装置。为了尽量减少系统的EMI噪声,有时控制器必须与外部时钟信号同步。对于低电压、高电流应用,远程差分电压检测可补偿PCB电阻压降,并精确调节远端负载的输出电压。在具有很多输出电压轨的复杂系统中,还需要在不同电压轨之间进行时序控制和跟踪。
PCB布局
元件选择和原理图设计只是电源设计过程中的一部分。开关电源设计中正确的PCB布局始终至关重要。事实上,其重要性怎么强调都不过分。良好的布局设计可以优化电源效率,缓解热应力,最重要的是,可以尽可能减少走线和元件之间的噪声和相互影响。为此,设计人员一定要了解开关电源的电流传导路径和信号流。通常需要付出很大的努力才能获得必要的经验。详细讨论参见ADI公司的应用笔记136和139。[7][ 9]
图17.使用LTC3829的3相、单路VO高电流降压转换器
选择各种解决方案——分立式、单片式和集成电源
在集成层面,系统工程师可以决定选择分立式、单片式还是全集成式电源模块解决方案。图18显示适合典型负载点电源应用的分立式电源模块解决方案示例。分立式解决方案使用控制器IC、外部MOSFET和无源元件在系统板上构建电源。选择分立式解决方案的一个主要原因是元件的物料成本(BOM)低。但是,这需要良好的电源设计技能,且开发时间相对较长。单片式解决方案使用带集成电源MOSFET的IC,进一步缩减了解决方案尺寸和元件数。该解决方案所需的设计技能和开发时间与分立式类似。全集成式电源模块解决方案可显著减少设计工作、开发时间、解决方案尺寸和设计风险,但元件的BOM成本通常更高。
图18.(a) 分立式12VIN至3.3V/10A LTC3778电源;(b) 全集成式16VIN、双路13A或单路26A LTM4620 µModule®降压型稳压器示例
其他基本非隔离式DC/DC SMPS拓扑
本应用笔记以降压转换器为例简单说明SMPS的设计考虑因素。但是,至少还有五种其他的基本非隔离式转换器拓扑(升压、降压-升压、Cuk、SEPIC和Zeta转换器)和至少五种基本隔离式转换器拓扑(反激、正向、推挽、半桥和全桥),本应用笔记未对这些拓扑进行说明。每种拓扑都有独特的特性,适用于特定应用。图19显示其他非隔离式SMPS拓扑的简化原理图。
图19.其他基本非隔离式DC/DC转换器拓扑
还有一些由基本拓扑组合而成的非隔离SMPS拓扑。例如,图20显示基于LTC3789电流模式控制器的高效率、4开关同步降压/升压转换器。它采用低于、等于或高于输出电压的输入电压工作。例如,输入电压范围可以为5V至36V,输出电压可以是经过调节的12V。此拓扑是同步降压转换器和同步升压转换器的组合,共用一个电感。当VIN > VOUT时,开关A和B作为有源同步降压转换器,而开关C始终关闭,开关D始终开启。当VIN < VOUT时,开关C和D作为有源同步升压转换器,而开关A始终开启,开关B始终关闭。当VIN接近VOUT时,四个开关均有效工作。因此,此转换器具有很高的效率,对于典型12V输出应用,效率高达98%。[12] LT8705控制器将输入电压范围进一步扩展到80V。为了简化设计并增加功率密度,LTM4605/4607/4609进一步将复杂的降压/升压转换器集成到一个易于使用的高密度功率模块中。[13] 它们可轻松并联,从而分担负载,适合高功率应用。
图20.高效率4开关降压-升压转换器采用低于、等于或高于输出电压的输入电压工作
总结
总而言之,线性稳压器简单易用。由于串联调节晶体管以线性模式操作,当输出电压明显低于输入电压时,电源效率通常较低。线性稳压器(或LDO)通常具有低电压纹波和快速瞬态响应。而另一方面,SMPS将晶体管当作开关使用,因此通常比线性稳压器更高效。但是,SMPS的设计和优化更具挑战性,需要更多的背景知识和经验。对于特定应用,每种解决方案都各有优缺点。
参考资料
[1] V. Vorperian,“对使用PWM开关模式的PWM转换器的简化分析:第I部分和第II部分”,IEEE Transactions on Aerospace and Electronic Systems,1990年3月,第26卷,第2期。
[2] R. B. Ridley, B. H. Cho, F. C. Lee,“对多环路控制开关稳压器的环路增益的分析和解读”,IEEE Transactions on Power Electronics,第489-498页,1988年10月。
[3] H. Zhang,“开关模式电源的模型和回路补偿设计”,凌力尔特应用笔记AN149,2015年。
[4] H. Dean Venable,“控制系统的最佳反馈放大器设计”,Venable技术文献。
[5] H. Zhang,“使用LTpowerCAD设计工具分五个简单的步骤设计电源”,凌力尔特应用笔记AN158,2015年。
[6] www.linear.com/LTpowerCAD上的LTpowerCAD™设计工具。
[7] H. Zhang,“非隔离式开关电源的PCB布局考虑因素”,凌力尔特公司的应用笔记136,2012年。
[8] R. Dobbkin,“低压差稳压器可直接并联以散热”,LT Journal of Analog Innovation,2007年10月。
[9] C. Kueck,“电源布局和EMI”,凌力尔特应用笔记AN139,2013年。
[10] M. Subramanian、T. Nguyen和T. Phillips,“高电流电源低于毫欧的DCR电流检测和精确多相均流”,LT Journal,2013年1月。
[11] B. Abesingha,“快速精确的降压DC-DC控制器在2MHz下直接将24V转换为1.8V”,LT Journal,2011年10月。
[12] T. Bjorklund,“高效率4开关降压-升压控制器提供精确输出限流值”,凌力尔特设计笔记499。
[13] J. Sun、S. Young和H. Zhang,“µModule稳压器适合15mm × 15mm × 2.8mm、4.5V-36Vin至0.8V-34V VOUT的(接近)完整降压-升压解决方案”,LT Journal,2009年3月。
(转载)



