"若不能度量,则无法管理。",计量可以称为工业生产的眼睛,流量测量的发展更是可追溯到古代的水利工程和城市供水系统:古罗马凯撒时代已采用孔板测量居民的饮用水水量;公元前1000年左右古埃及用堰法测量尼罗河的流量;我国著名的都江堰水利工程应用宝瓶口的水位观测水量大小;等等。现如今,随着工业生产的发展,对流量测量的准确度和范围的要求越来越高,流量测量技术日新月异,为了适应各种用途,各种类型的流量计相继问世。
工业流量计的主要种类
测量流速最常用的是差压流量计,但它们对系统中的压力变化较为敏感。科氏流量计具有最高的精度(高达 0.1%),但它们体积较大且成本高昂。超声流量计通常体积较小、成本较低,但精度有限(典型值为 0.5%),其一般采用无创测量技术,提升可靠性的同时最大程度减少了随时间变化的检测要素的影响,但无法用于脏水或遭到污染的液体。
常见的工业流量计技术
电磁流量计同样能提供无创检测,同时对于液体流量测量,电磁流量计技术有多种优势。它的传感器一般是连接到管道中,其直径与管道直径一致,因而测量时不会干扰或限制介质的流动。由于传感器不是直接浸没在液体中,没有活动部件,因此不存在磨损问题。电磁方法测量的是体积流量,这意味着测量对流体密度、温度、压力和粘度等参数的变化不敏感。一旦用水标定电磁流量计,就可以使用它来测量其他类型的导电流体,无需进一步标定。这是其他类型流量计所不具备的一个重要优势。
另外,电磁流量计特别适合测量固液两相介质,例如泥浆等带悬浮泥土、固体颗粒、纤维或粘稠物的高导电率介质。它可用于测量污水、泥浆、矿浆、纸浆、化学纤维浆及其他介质。这使得它特别适合食品、制药等行业,利用它可测量玉米糖浆、果汁、酒类、药物、血浆及其他许多特殊介质。然而,由于电磁流量计系统复杂度较高且工业现场通常环境复杂,因此一款好的电磁流量计非常考验设计人员的综合能力。针对此种状况,高性能模拟芯片厂商ADI推出了小尺寸、低功耗、高性价比的集成式解决方案,大大简化了电磁流量计厂商的设计流程。
工业电磁流量计系统的设计挑战
电磁流量计的工作原理基于法拉第电磁感应定律。当垂直于磁场方向的导体以速度V做切割磁力线的运动时,导体的两端会产生一定的感应电动势E,通过检测该感应电动势的大小来计算液体流速变化。
电磁流量计系统原理
为了合理设计电磁流量计系统,设计人员必须考虑许多不同的系统要求,包括精度、带宽和励磁频率等:
☆电磁流量计传感器的输出范围可能小到只有数十μV,而且通常伴随很大的共模电压。输出阻抗往往高于数兆欧。所以,前端精密运算放大器或仪表放大器要求超高输入阻抗、极低漏电流和出色的共模抑制比(CMRR)。
☆电磁流量计产品的最大测量范围可高达1500 : 1,反映流速范围:0.01 m/s~15 m/s。
☆测量精度最高可以达到读数的0.2%,这通常需要16至24位的模数转换器。
☆与不同现场总线的连接,例如HART、PROFIBUS、Modbus、Foundation、RS-485/RS-422/RS-232、无线HART等。
☆系统电源、中央逻辑单元、通信和I/O之间需要隔离;隔离等级要求从1 kV到2.5 kV不等。
☆便携式电磁流量计需要超低功耗MCU、放大器、ADC元件。
☆高频方波激励可改善泥浆的流动并提高抗扰度,但同时需要考虑零点稳定度。
工业应用环境的温差变化同样需要重点考量。如需获得较宽的工作温度范围,低温漂系数和低功耗对电磁流量计来说至关重要。除此之外,浪涌、EFT和ESD等EMC抗扰度也是电磁流量计面临的严峻挑战。同时由于电磁流量计内部空间有限,对系统密度也有较高要求,因而必须减小器件尺寸。
大幅降低系统成本,打造小型化高性能解决方案
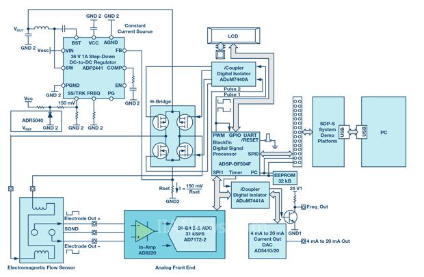
ADI开发了一款系统级参考设计,用以支持电磁流量计完整信号链的原型开发。该系列配置灵活,可连接到任何类型的电磁流量传感器,施加适当的激励频率和电压即可产生磁场 (由Blackfin 数字信号处理器控制),能够测量传感器输出,以及应用后处理滤波器和算法来计算流速。ADI在真实的流量试验台环境中对设计进行标定(如下图所示),并将标定系数存储在非易失存储器中。支持单点或多点校准,通过多点线性化可实现更高的性能。这样做的结果表明:该模拟前端设计的性能可以达到领先高端流量计的要求。
ADI完整解决方案
该解决方案采用过采样方法大大简化了模拟前端设计:模拟带通滤波器和采样保持电路不再需要,电路中的前置放大器仅有一级仪表放大器——AD8220 JFET 输入级轨到轨输出仪表放大器,它可以直接连接到高速Σ-Δ 型转换器;AD7172-2 提供低输入噪声和高采样速度的完美组合,特别适合电磁流量应用,流量结果的刷新速率可以达到50 SPS,不需要增加外部放大级。
此外,电磁流量计的激励电流设计也很重要,该激励电流可能相当大,从针对较小直径管 道的50 毫安到针对较大直径管道的500毫安或1安培不等。 恒流电路若采用线性稳压电路,可能会消耗大量功耗和电路板面积。此方案中,ADP2441 配置为恒流源输出模式,1.2 V ADR5040输出电压由两个电阻分压至150 mV。此150 mV 电压施加于ADP2441 电压跟踪引脚,使得电压反馈引脚也保持在150 mV。当在反 馈引脚上使用一个0.6 Ω 电流设置电阻时,ADP2441 便会将其输出电流调节到预设电流ISET水平。通过调整连接到ADP2441 反馈引脚的电流设置电阻值,便可调节恒流源。
相比传统架构,这款创新架构有多方面重要优势。面积和成本均有显著节省——分别达到50%和20%。由于能够节省传感器信号并应用后处理,功耗也会降低,系统性能也得以增强。
总结
电磁流量计是目前使用最为广泛的流量技术之一,主要用于液体流量测量,重点是自来水与污水处理系统,其主要的发展趋势是减少PCB面积和提升性能。传统的电磁流量计设计方法通常在成本、面积、功耗、响应时间、有限的系统信息等方面表现不能尽如人意。ADI公司能够提供完美的产品系列,包括精密放大器、精密基准电压源、精密模数转换器和Cortex®-M3内核微处理器等,同时其元件的高ESD抑制能力也能够大大改善产品的可靠性和稳定性,从而让设计人员实现新设计,并获得高于这些要求的性能,完整设计相比于之前的技术大大简化,而且可节省成本、功耗和面积,优势众多。
(转载)



