当今社会,工业机器人能够迅速发展的巨大推动力,是客户面临着的各式各样、纷繁复杂的生产问题以及企业所具备的、积极面对且必须努力解决这些问题的坚定决心。本着致力于帮助客户解决实际难题的必胜信念,纳博特斯克成功开发出了精密减速机RV™,并强力支持着工业机器人的逐步进化。
不仅在工业机器人领域,拥有高精度和高刚性等特点的精密减速机RV™也同样支持着自动化行业中各种机械、设备的开发。使设备更具安全性、可靠性、并简化设备的设计、安装和使用。
通过沟通,纳博特斯克了解到客户对生产现场安全性的需求日渐重视。历时多年的潜心研究,终于开发出一款附带制动助力器的精密减速机RV™产品——RT-G系列。

使用该产品的设备即使在停电时,也不影响制动器的运作,为设备、生产产品以及作业人员的安全提供保障,有效减少因突发状况而造成的经济损失。因其具备较大的减速比,即使是采用功率较小的电机,也能产生强大的动力,所以非常适合应用在大型的开闭装置领域。
【用途示例】

【产品规格】

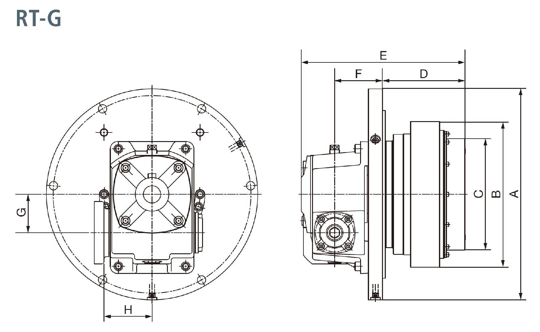
【外形尺寸】


如对产品感兴趣,欢迎致电021-33632200咨询。
纳博特斯克旨在为客户自动化设备的紧凑化和简单设计、制作、组装提供更加优秀的解决方案。
今后,纳博特斯克也会再接再厉为客户着想,本着客户的需求继续开发新的产品阵容。
如对纳博特斯克的精密减速机RV™产品感兴趣,请扫描二维码,进入小程序详细了解吧~

关于纳博特斯克
纳博特斯克集团下属的精密机械公司是精密摆线针轮减速机制造商,生产高性能减速机、中空轴减速机等各类高精尖产品。其生产的精密减速机具有高扭矩、高刚性、高耐过载冲击荷载能力,兼有高精密和超低的背隙。上海纳博特斯克(Nabtesco)传动设备有限公司是2013年由上海机电股份有限公司和日本纳博特斯克株式会社出资共同成立的一家面向中国市场提供精密减速机RV™产品及其技术服务的合资公司。总部设立于中国上海,在广州等多个城市设有销售办公室。
目前,纳博特斯克的精密减速机RV™产品已在汽车生产、机床、半导体制造、食品工厂、医疗设备、搬运设备、检测设备等领域广泛应用。
纳博特斯克作为精密减速机RV™产品的创立者,致力于不断地产品创新,并始终坚持用独到的传动技术,为工业自动化产品提供安全、可靠、方便使用的高品质产品。以 “强力,细致,灵敏,站在产品制造前沿”为驱动,依靠已有的技术和知识,并进一步加强对本土客户的技术服务能力,帮助客户提升生产效率,降低综合成本,创造更高价值。
“上海纳博特斯克传动设备有限公司顺利通过国家机器人检测与评定中心(广州)的CR认证,获得了国内首张行星摆线减速器CR证书,具有代表性意义。”
联系方式
如对纳博特斯克的产品感兴趣,欢迎登录上海纳博特斯克传动设备有限公司官网或电话咨询。
公司名称:上海纳博特斯克传动设备有限公司
公司地址:上海市浦东新区福山路388号17层1706室
联系电话:021-33632200
(转载)



