Elmo伺服驱动器因高效、可靠、安全等优点,备受行业用户认为,其中安全更是获得用户选择的关键,本期将要科普的内容是Elmo伺服驱动器内置的两大安全保护机制,揭秘Elmo伺服驱动器为何如此安全。
本期看点:
电机热保护方法
热保护机制:Elmo采用I2t保护方法,防止电机过度工作导致电机温度过高而损坏电机绕组和绝缘。
I2t算法无需任何传感器即可评估电机散热情况。当评估的温度超过最大值时,电机电流将降低为连续电流,峰值电流将被阻断,直到I2t保护算法解除阻断。
I2t主要算法计算如下:

其中:
Ip–电机峰值电流(rms)
In–电机额定电流(rms)
Tp–电机峰值电流时间(秒)

设计特点:
● 保护电机,防止电机绕组和绝缘损坏;
● 评估电机散热情况,无需外部温度传感器;
● 具备所有Elmo伺服驱动器的内置功能,无需额外配置。
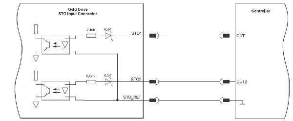
安全扭力关断 (STO) 标准
安全扭力关断 (STO) 机制:激活安全扭矩关断 (STO) 功能会使驱动装置停止供电,从而控制电机运动,防止在驱动器通电时出现意外的电机旋转。
只有当两个STO输入都处于激活状态时,即电流流经光隔离STO输入的二极管时,电机才能电启动(见下图)。只要其中一个输入不再激活,驱动装置就不再向电机提供可产生运动的动力。在这种情况下,电机将“自由运转”,并在自身惯性和摩擦力的作用下静止。Elmo的STO 输入可按以下两种方式配置:TTL 连接和PLC信号源连接(默认选项)。

Gold系列伺服驱动器支持符合以下行业标准的安全扭矩关断 (STO):

设计特点:
● 确保伺服系统工作时的高度操作安全
● 当驱动装置与电源保持连接时,防止电机运行
● 支持IEC和EN STO安全标准
● 提供两种便捷的STO配置选项
值得一提的是,Elmo Platinum系列伺服驱动器已经通过了最高级别的功能安全认证(IEC 61800),具有最广泛的17种智能功能安全特性。通过使用Elmo Application Studio (EAS II) 软件工具,工程师可以轻松配置和分析机器运动所需的各种安全功能。

伺服知识千万条,调试第一条。
今天关于Elmo伺服驱动器安全保护机制就到介绍到这里,更多功能持续更新中,敬请关注。您在实际操作中有哪些困扰,有哪些产品知识或功能需要了解,欢迎留言建议!
(转载)



