数控机床在机械加工行业中的应用越来越广泛。数控机床的发展,一方面是全功能、高性能;另一方面是简单实用的经济型数控机床,具有自动加工的基本功能,操作维修方便。经济型数控系统通常用的是开环步进控制系统,功率步进电机为驱动元件,无检测反馈机构,系统的定位精度一般可达±0.01至0.02mm,已能满足C620车床改造后加工零件的精度要求。
普通车床经过多次大修后,其零部件相互连接尺寸变化较大,主要传动零件几经更换和调整,故障率仍然较高,采用传统的修理方案很难达到大修验收标准,而且费用较高。因此合理选择数控系统是改造得以成功的主要环节。数控机床的改造目的是要求机床稳定可靠,以尽可能低的故障率运转。普通车床应用微机控制系统进行改造,可以提高工艺水平和产品质量,减轻操作者的劳动强度。现将应用微机控制系统对C620-1车床改造过程作一总结分析。
1 微机控制系统的选择
目前市场上数控系统的类型比较多,选择前首先应对拟改造的数控机床自身功能有一个充分的了解,可依据价格合理、技术先进、服务方便的原则选择数控系统。在经济能力许可的情况下,尽量选用名牌产品。此类数控系统,零件筛选严格,制造工艺规范可靠、出现的因电器元件故障或提前失效引起的设备故障,有极好的预防作用。而且注重数控系统的功能选择。不应单纯追求数控系统的高性能指标,这对于实现较高的性能价格比非常重要。数控系统所具有的功能要与准备改造的数控机床所能达到功能相匹配,尽量减少过剩的数控功能。因为数控系统功能过剩,一方面浪费资金,另一方面还可能潜伏下由于数控系统复杂程度的增加而带来的故障率升高的隐患。
因此根据被改造机床的结构、性能及被加工零件精度选择了机床微机控制系统。即GWK/AT-Ⅱ型数控系统,系统配备了110BF03、160BF5C功率步进电机。控制电脑采用高速微机处理器,半导体存储器,并行接口电路。驱动部分采用晶体管PWM驱动线路,整个系统属于开环控制,结构简单驱动力大,价格低,抗干扰性能强,质量稳定可靠,安装调试方便。特别是示教编程功能直接面向操作者,很适合中、小批生产。
2 机械部分的改造
为了充分发挥GWK/AT-Ⅱ数控系统的技术性能,保证改造后的车床在系统控制下重复定位精度,微机进给无爬行,使用寿命长、外型美观,机械部分作了如下改动。
(1)床身
为了使改造后的机床有较高的开动率和精度保持性,除尽可能地减少电器和机械故障的同时,应充分考虑机床零件、部件的耐磨性,尤其是机床导轨的耐磨性。
当前国内外数控机床的床身等大件多采用普通铸铁。而导轨则采用淬硬的合金钢材料,其耐磨性比普通铸铁导轨高5至10倍。据此,在改造中利用旧床身,采用GCR15轴承钢淬硬到HRC56-62制成导轨,用螺钉和粘剂固定在铸铁床身上。
粘接前的导轨工作表面采用磨削加工,表面粗糙度Ra0.8mm,以提高粘接强度。
(2)主轴变速箱
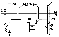
选用GWK/AT-Ⅱ数控系统。主运动方式和传统机床一样都要求有十分宽广的变速范围来保证加工时选择合理的切速,从而获得较高的生产率和表面质量。根据原主轴箱变速的具体情况,有效地利用数控系统中提供的以编码方式输入的16种主轴变速功能S只将I轴上56和51及Ⅱ轴上的34和39两个双联齿轮一分为二,在56和51上各装DLM3—10远程控制电磁离合器,以达到在不停机的情况下,按系统S功能发出的变速指令完成两种调速,其它速度组的调整可利用系统中停车待起动指令采用原手动机械变速来完成。改装部分的传动见图。
(3)拖板
拖板是GWK/AT-Ⅱ数控系统直接控制的对象,不论是点位控制还是连续控制,对被加工零件的最后坐标精度将受拖板运动精度、灵敏度和稳定性的影响。对于应用步进电机作拖动元件的开环系统尤其是这样。因为数控系统发出的指令仅使拖板运动而没有位置检测和信号反馈,故实际移动值和系统指令值如果有差别就会造成加工误差。因此,除了拖板及其配件精度要求较高外,还应采取以下措施来满足传动精度和灵敏度要求。①在传动装置的布局上采用减速齿轮箱来提高传动扭矩和传动精度(分辨率为0.01mm)。传动比计算公式为:

式中:α为步进电机的步距角(度);p为丝杠螺距,mm;δ为脉冲当量,即要求的分辨率,mm。②在齿轮传动中,为提高正、反传动精度必须尽可能的消除配对齿轮之间的传动间隙,其方法有两种,柔性调整法和刚性调整法。柔性调整法是指调整之后的齿轮侧隙可以自动补偿的方法,在齿轮的齿厚和齿距有差异的情况下,仍可始终保持无侧隙啮合。但将影响其传动平稳性,而且这种调整法的结构比较复杂,传动刚度低。刚性调整法是指调整之后齿轮侧隙不能自动补偿的调整方法,它要求严格控制齿轮的齿厚及齿距误差,否则传动的灵活性将受到影响。但用这种方法调整的齿轮传动有较好的传动刚度,而且结构比较简单。在设备改造中应用的配对齿轮侧隙方法是刚性调整法。③采用滚珠丝杠代替原滑动丝杠,提高传动灵敏性和降低功率、步进电机力矩损失。
(4)自动换刀装置
为了满足在一台机床上一次装夹完成多工序加工和应用GWK/AT-Ⅱ数控系统T功能,经多次调研和试用,最后确定采用WZD4型自动刀架。该刀架不但可代替普通车床手动刀架,还可用作数控机床微机控制元件。该刀架体积小,重复定位精度高,适用于强力车削并安全可靠。
(5)拖板箱
采用GWK/AT-Ⅱ数控系统控制。拆除原拖板箱,利用此位置安装新拖板箱,新拖板箱除固定滚珠丝杠的螺母外,并在内部设存储油箱和手压泵,用于润滑丝杠副。挂轮箱、走刀箱拆除,在此两个位置分别装控制螺纹加工的主轴脉冲编码器和拖板轴向伺服元件功率步进电机及减速箱。使改造后的机床外型美观、合理。改造后机床的启动、停机均由数控系统完成,故拆除原机床操纵杆,变向杠、立轴等杠杆零件。

3 效果
车床经改造后不但保持了原机床主轴传动部分变速范围广的特点,在机床运动控制上可以利用编程语言编程控制,还可以在系统示教状态下将操作者手动加工过程自动生成ISO代码,以便下一零件的自动加工。实践证明该机床操作方便,降低了操作者劳动强度,提高了产品质量,为下一道工序生产创造了良好条件。而改造所需费用仅是购买简易数控车床价格的一半。
(转载)



