在汽车玻璃生产的预处理工序(玻璃成型前的工序)中,以线速度控制为基础;根据工艺要求,必须同步切割、掰边、磨边→洗涤吹干→喷粉→印边→烘干等工序的独立设备的线速度;应用MICROMASTER420/440变频器的模拟量给定速度和端子给定速度两者的叠加功能,就很好地解决了各传输段的线速度同步问题。
关键词:
汽车玻璃、线速度控制、线速度同步、MM4变频器、模拟速度与给定速度叠加功能。
一.引言
本文主要是讲述西门子MICROMASTER420/440变频器在汽车玻璃加工的预处理工序中的应用:西门子MICROMASTER420/440变频器的模拟量给定速度和端子给定速度两者的叠加功能很好地解决了汽车玻璃加工的预处理工序中的线速度同步问题。具体应用见下文的运行原理及功能部分。
二.系统介绍
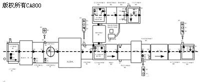
在汽车玻璃生产的预处理工序(玻璃成型前的工序)中,主要是由以下几道工序来完成的:切割、掰边、磨边→洗涤吹干→喷粉→印边→烘干等。这些工序大都是由独立的设备来进行加工的,且这些设备一般是由不同的厂家提供的,他们只提供设备的运行速度范围。因此为了连接这些设备和满足生产汽车玻璃的其他辅助工序的要求,就必须在各设备之间插入一些过渡传输来使这些设备衔接起来。但是汽车玻璃的生产对设备的同步要求又较高,如果各传输段的线速度不一样,就容易造成玻璃在两传输段之间产生相对滑动,从而导致玻璃划伤,前后玻璃撞片等等,而且生产不同品种的玻璃或原片玻璃不一样时,有时又要调整洗涤机的传输速度以便玻璃流经洗涤机后能够清洗和吹得干净。以确保玻璃流经洗涤机后的质量(因玻璃清洗是汽车玻璃生产的预处理工序的重要环节,如果玻璃洗不干净或吹不干就容易造成玻璃在成型后产生光畸变和光斑等等,且这些缺性都是汽车玻璃所不允许的),下图是生产汽车玻璃的预处理工序的大概工艺流程图:

以往在这些工序中有使用过TE、MOELLER、三菱和台达等品牌的变频器,这些变频器虽然都带有模拟量的输入/输出功能,但是要使这些工序的设备的线速度同步起来,单靠模拟量的输入/输出还是不够的,它们还受电机的减速箱减速比、啮引轮的速比、传输轮直径等等因素的影响。因此,以往只能在各设备中设定一个大概的能满足大都是玻璃生产的速度,不能使各传输段的线速度完全同步起来,使用SIEMENS的MICROMASTER420/440变频器的模拟量给定速度和端子给定速度两者的叠加功能,就很好地解决了各传输段的线速度同步问题,具体解决方案见系统配置部分。
三.控制系统构成
在以上所示的工艺流程图的预处理线中,整个系统由以下几个部分组成:PLC及输入/输出模块(用来控制外围的输入/输出及变频器和接触器的启停)、马达空开、MICROMASTER440变频器、接触器等。系统的布置图如下:

四.运行原理及功能:
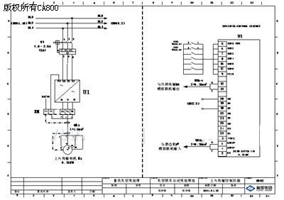
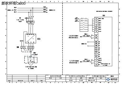
在上述工艺流程图中,数控切割、掰边、磨边机及洗涤机、印边机、烘干机是独立的,具体的速度匹配如下:将数控切、掰、磨的模拟输出接到上片传输的变频器U1的模拟输入1,然后将变频器U1的模拟输出1接到升降传输的变频器U3的模拟输入1,变频器U3的模拟输出1接到变频器U4的模拟输入1;将洗涤机的模拟输出接到检验传输的变频器的U6的模拟输入1,然后将变频器U6的模拟输出1接到变频器U7的模拟输入1;以此类推印边机和烘干机也是这样的。在调试时只要算出以上各独立设备在额定频率下的线速度(由机械参数给定),然后通过设定MICROMASTER420/440变频器的参数(见变频器的主要调试参数部分)就可以很好地实现线速度的匹配。因为数控切割、掰边、磨边机及洗涤机、印边机、烘干机都可以根据各厂家提供的速度范围设定统一的线速度,只要过渡传输部分的线速度能与以上设备匹配就可以很好地实现整线线速度的匹配。具体控制如下:由PLC的外部输入条件(光电开关、接近开关、磁性开关、联机输入信号等)经过PLC的逻辑运算输出给中间继电器(如图中的C01、C02等),然后由中间继电器的触点去控制变频器的启停及由端子给定的速度,这时变频器就会根据设定的参数将模拟输入速度和端子给定速度进行叠加再输出给电机,从而实现各传输段的线速度同步。
电气原理图如下:


MICROMASTER420/440变频器的参数设定见参数设定部分。
五.变频器的主要调试参数

六.应用体会
类似该系统的几条预处理线在投入使用近两年来大大地减少了玻璃在生产过程中由于各设备的线速度不匹配所造成的划伤、撞片等现象,提高了在产品的成品率及原片玻璃的利用率,为公司大大节约了生产成本,取得了良好的应用效果。
SIEMENS公司作为变频调速技术,尤其是矢量控制技术的发明者和领先者,其开发和生产的变频器的功能之强大也是其他品牌变频器前所未有的。我刚开始使用SIEMENS的MICROMASTER420/440变频器的时候,总觉得太复杂了,使用手册那么一大本厚厚的,参数又那么多,看了头都晕了,现在用起来倒觉得参数多了给我带来了很多的方便。而且,SIEMENS的MICROMASTER420/440变频器的功率范围(0.12KW~250KW)及其小功率变频器的安装空间也是其他品牌变频器少有的(其他变频器功率一般都是从0.75KW开始且体积也比较大),这些都给用户带来了极大的方便。
七.现场应用照片
由于整条生产线有100多米长及电气柜内元器件分布在不同柜子内,都无法拍到全景,故在此只附上几张局部照片:

(上片传输及数控切割、掰边、磨边机)

(过渡传输)

(电气柜内马达空开、中间继电器、及变频器)

(电气柜内变频器)



