一、概述
此项目是为满足造纸用筛生产厂家的需求,由时光科技有限公司和北京某专用机床厂共同设计、开发的。时光科技有限公司负责整个电气部分的设计、安装、调试。
造纸用筛需要在不锈钢板上密集钻孔或铣槽。孔径、槽宽最小为0.18毫米最大可达25毫米以上,孔、槽的形状有通孔、异型、阶梯、锥型等,孔、槽的排布有菱形、扇形、条形等。孔、槽的间距为几至几十毫米,一张钢板上最多可打几万个孔。此前,上述复杂的定位和加工完全手动完成。
应用了时光IMS系列伺服的数控多头钻专用铣床不仅可以满足客户特殊的快速定位、加工要求,提高产品的质量;而且采用伺服控制系统可以加快各个轴的响应速度,实现单头以及多头同步加工,从而大大提高生产效率。
二、项目介绍
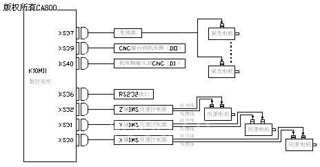
此项目选用时光IMS系列伺服控制器和数控单元(KND10M)构建三轴数控系统,通过时光IMS控制器跟随上位机的单脉冲列+方向信号,实现了加工系统的三轴两联动。操作人员可以通过编写G代码实现工件的加工,从而大大提高了加工的效率和精度。目前这三台机床已正常运转,客户反响很好,机床有效地缩短了工时,简化了工序,减轻了工人的劳动强度。

系统接线图

伺服控制柜
三、评价
1、提高了加工精度及响应速度,时光伺服系统对电机的控制精度可以达到0.036度;响应上位机可以接收1M单脉冲列的输入;
2、为解决上位机没有硬极限功能的问题,使用时光IMS控制器,通过对I/O的编程为数控系统增加了硬限位功能;
3、通过编程,利用控制器自身找原点的功能实现了在使用多头工作时,几个工作头的自动对齐,从而为多头同步工作提供条件。多头的同步工作大大提高了工作效率。
(转载)



