数显床身式万能铣床属于普通车床,能够实现镗铣加工、端面加工、卧式加工、立式加工、任意角度加工、左右切面加工等功能。主轴由主电机及变速箱组成,实现多级变速。X、Y、Z三向进给采用时光科技交流伺服系统及电机驱动,配置手动脉冲发生器,且三向均配置数显尺和数显表,进给运动具有无级调速,速度显示,微量对刀进给,工进快进分档快进等功能。
二 功能简介
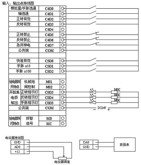
机床的X、Y、Z三向进给分别由三台双PG伺服控制器控制,三向进给通过模拟量输入接口实现模拟量正向进给、模拟量反向进给,通过I/O接口实现快速进给,通过手动脉冲发生器实现对刀进给功能。其中模拟量进给分为快速和慢速两档。手动脉冲发生器通过轴选通信号分别对X、Y、Z三向进给进行控制,对刀进给分为三档,手脉发生器一个脉冲分别对应1丝、10丝和100丝。
通过伺服控制器模拟量输出接口输入当前进给量的电压信号至数显表,显示当前进给量(mm/min),方便模拟量进给速度调节。
三 客户应用

四 接线示意图

(转载)



