关键词:恒压供水 PID闭环控制 节能
一:引言
城市规模的不断扩大,高层建筑的不断增长,城市供水的公用管网的压力已远远不能满足用户的要求,对供水的二次加压已被广泛采用。其中变频恒压供水由于自动化程度高,维护方便、具有节能功能,成为主要的二次加压方式。按供水的特性,变频恒压供水主要有分为:恒压变流量和变压变流量两大类,在本文的中采用恒压变流量的供水方式。
二:系统组成及工作原理
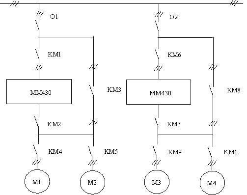
系统为宾馆的供水系统,分为冷水、热水两大供水系统,系统单线如图1
Q1控制的变频器为冷水供水系统,Q2控制的变频器为热水供水系统,系统为1拖1的恒压供水,两台电机为互备,可选择使用1#泵或2#泵运行,KM3、 KM8为手动工频运行选择,作为变频的维修系统备用,KM2 ,KM3、 KM7,KM8为机械互锁的接触器,保证选择变频运行和工频运行的正确切换。
变频恒压供水的基本原理:以压力传感器和变频器组成闭环系统,根据系统管网的压力来调节电机的转速,实现高峰用户的水压恒定,和低峰时的变频的休眠功能,得到恒压供水和节能的目的。
系统的硬件组成如下:
热水系统:电机参数: Pe=15kw Ue=380v Ie=26.8A Ne=1490rpm
变频器型号: 6SE64430-2AD31-8DA0
Pe=18.5kw Ie=38A
压力传感器: GYG2000 反馈信号4-20mA 供电+24V
量程0-0.5MPa
冷水系统:电机参数: Pe=22kw Ue=380v Ie=39.4A Ne=2940rpm
变频器型号: 6SE64430-2AD33-7EA0
Pe=30.5kw Ie=62A
压力传感器: GYG2000 反馈信号4-20mA 供电+24V
量程0-0.5MPa
三:PID闭环控制功能的实现及调试方法
西门子MICROMASTER430变频器的内置PID功能,利用装在水泵附近的主出水管上的压力传感器,感受到的压力转化为4-20mA电信号作为反馈信号。根据宾馆的层高设定压力值作为给定值,变频器内置调节器作为压力调节器,调节器将来自压力传感器的压力反馈信号与出口压力给定值比较运算,其结果作为频率指令输送给变频器,调节水泵的转速使出口压保持一定。即当用水量增加,水压降低时,调节器使变频器输出频率增加,电机拖动水泵加速,水压增大;反之,当用水量减少,水压上升,调节器使变频器输出频率减少,电机拖动水泵减速,水压减小。
由于压力传感器是两线传感器在接线必须采用正确的接线方式,将变频器的+24V控制电源连接到传感器的+端, 传感器的-连接到PID的+输入,同时还必须将PID的-端连接到变频器控制电源的0V端。具体接线图如图2
图2中把传感器送回的电流信号送入到变频器的模拟量输入2作为反馈值,根据宾馆的层高设定的压力值为0.35MPa,对应输出频率为35Hz,对应反馈电流15.2mA.PID闭环控制功能的具体参数设置如图3
参数的设定方法:PID主设定值P2253可选择的源有以下几种,模拟输入、固定PID设定值、已激活的PID设定值,在本系统中采用固定给定值。PID反馈值P2264可选择的源为模拟输入1或模拟输入2在系统中采用模拟输入2,系统的PID参数设定如下:
P0701=99 P2200=722.0 P2016=1 P2201=70% P2253=2224 设定主给定值固定值为35Hz。
P2264=755.1设定反馈值为模拟量输入2。
上述参数设定好以后,设定P2200=1,使能PID功能,设定P2250=1进行PID自整定,整定完成后,采用了整定后的积分和比例参数基本满足了系统的工艺要求。
PID调试的注意事项:使能PID功能后系统的加减速时间为P2257、P2258的设定值,而不是原来的P1120、P1121。使能PID功能后 PID的限幅值的上升、下降时间P22936必须根据系统要求进行设定,否则变频器将报故障F0002。为提高系统的抗干扰能力,要求根据现场的实际情况,对反馈值进行滤波环节处理,在本系统中因为主给定设定值采用固定给定,所以对主给定设定值不必进行滤波环节处理。
四:节能功能的实现
在PID控制过程中,当反馈信号大于主设定频率时,系统偏差(ΔP)为负,此时电动机的频率逐渐降低,但仍在不停运转,在系统偏差不断调节的同时,系统不断消耗电能。为了实现节能,西门子对MM430变频器设计了节能控制功能。出发点如下:当电机的频率降低到某一比较频率(P2390)时,激活节能定时器(P2391),当定时时间到期时,按斜坡下降时间停车,即输出功率为零,在无输出的情况下,系统偏差会迅速从负到正变化,当偏差超过某一设定值(P2392)时,再起动电机,当电机频率按斜坡上升时间升到某一值时(此值稍大于P2390设定频率),投入PID,使系统恢复正常控制。
参数的设定方法: P2390要低于PID主设定值所对应频率一定幅度,以保证系统实现正常的PID控制,如果P2390太小,节能又不易投入,在本系统中设定2390=20Hz,P2391定时器时间的设定要依据系统的响应速度,如果系统响应时间快,则P2391应设定较小的值。在本系统中,P2391= 900秒,P2292=0.5。
设定参数的注意事项:系统的节能功能投入后,PID功能则解除,所以系统的加减速时间P1120、P1121必须根据需要进行设定,最高、最低频率必须设定。
五:结束语
系统调试完毕后已投入运行,从运行效果看,系统的运行水压稳定,响应速度快,得到了设计要求,节能效果比较明显。
参考文献:[1] MICROMASTER 430 通用型变频器使用大全
[2] MICROMASTER 430使用说明书
(转载)



