作为安全自动化专家—Pilz在2009年推出了其具有里程碑意义的产品PSS 4000系统。该系统的硬件结构基于Pilz模块化现场I/O分站PSSuniversal,拥有体积小,模块化,使用灵活,功耗低的特点。能够涵盖安全控制、标准控制、运动控制以及可视化诊断功能。
作为Pilz战略性产品,PSS 4000会在今年不断推出新功能产品。今天给大家介绍的是PSS 4000的现场安全模拟量输入模块PSSu E F AI I和PSSu E F AI U。PSS 4000插拔式的硬件安装方式、可选的弹簧笼式接线底座使得安装工作量大为减少。由于PSS 4000可构建离散化网络,所以可以大大减少信号变送器到安全模拟量输入点之间的接线距离,这样可以减少信号传递受外界的干扰并且可以降低其对外界的干扰。离散化的又一大好处在于安全模拟量信号在本地就能够被处理,所以系统响应时间较快。采用标准22.5毫米的宽度尺寸对控制柜的空间要求较小。

PSSu E F AI I用于模拟电流量输入(0…25mA),PSSu E F AI U用于模拟电压量输入(-10…+10V)。按照EN ISO 13849-1标准,采用1个模拟量输入可以达到PLd (Cat.3);按照EN IEC 62061标准,采用1个模拟量输入可以达到SIL CL 2。按照EN ISO 13849-1标准,采用2个模拟量输入可以达到PLe (Cat.4);按照EN IEC 62061标准,采用2个模拟量输入可以达到SIL CL 3。
安全模拟量模块可以广泛地应用如下场合:燃炉管理和控制、储油库和加油站液位监控、半导体生产的监控、流程设备上阀门位置监控、食品加工设备监控等等。
为了适应严酷的运行环境,Pilz还能为用户提供”-T”系列的安全模拟量输入模块--PSSu E F AI I-T, PSSu E F AI U-T,其应用温度范围可扩大为-40 … +70°C,振动负载水平高至10..1000 Hz,冲击荷重水平高至25g/6 ms,工作海拔高度最高可至5000米
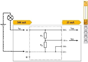
对于较大输入电流的测量,Pilz可以为用户提供分流模块PSSu E AI SHT1,使得输入电流比例化缩小至0…25mA范围内。

在软件部分PSS 4000强大专业的功能块数据库已经为用户准备好了相关用于模拟量输入的软件功能块处理相关数据,用户只需在习惯的编程语言界面下调用这些功能块配置相关参数就可以轻松实现模拟量数据的读取、应用以及故障诊断等。

(转载)



