一、引言:
吹膜机是将塑料粒子加热融化再吹成薄膜的机械设备,产品广泛应用于液体包装、印刷基材、出口产品包装、工业品包装以及食品、水果、服装、纺织品、日用品的民用工业品包装等领域。
二、公司介绍:
瑞信xxx机械厂是一家集开发、设计、生产、销售、服务于一体的吹膜机厂家。本企业凭着先进的技术、务实的精神、全面的质量管理、配套的设备,取得了显著的成绩。 瑞华印刷管理创新,技术创新,产品创新是企业不懈的追求,本厂在造精品、创名牌过程中,把产品质量放在首位,加大质量考核制度,以质量为保证,诚信经营,强化主动服务,强化技术改造力度,加大技术改技措的投入,加快新产品的开发制造速度,以高品质的产品和高质量的服务回报用户。
三、用现场及设备:

四、应用现场工艺要求:
要求电机启动、停止平稳,避免太大的机械冲击;低频力矩要大,能在一定范围内平滑调速,以适应不同规格的产品;性能稳定,工作可靠。
五、利用何种功能解决此应用要求:
利用欧科传动PT200系列变频器多功能输入端子DI2控制启停,合理设置转矩提升量,再加上欧科变频器的逐波限流功能和电流限幅功能,提高了运行的可靠性和稳定性,AI1外接电位器调速,不同的加工件采用不同的速度,产品适应性广,完全满足用户需求。
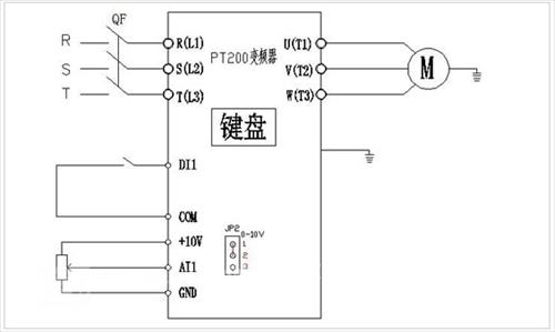
六、电气接线图,参数设置:
接线图

参数设置如下表

七、此工况变频器的日常保养和维护、注意事项等:
1. 变频器的控制回路的控制线必须采用屏蔽线并且远离主回路接线,屏蔽线仅一端接地;
2. 为防止意外事故发生,接地端子E 必须可靠接地(接地阻抗应在100 赘以下),否则会有漏电状况发生;
3. 电机容量应等于或小于变频器容量;
4. 主回路配线时,其线径规格的选择请按照国家电工法规有关规定进行;
5. 为尽量减少电磁干扰的影响,电磁接触器要远离变频器,或加装浪涌吸收装置;
6. 勿将交流输入电源R\S\T端子接到变频器输出端子U\V\W。
(转载)



