变频调速技术是一种新型成熟的交流电机无极调速技术,它以其独特优良的控制性能被广泛应用于速度控制领域,特别是供水行业中。由于安全生产和供水质量的特殊需要,对恒压供水压力有着严格的要求,因而变频调速技术得到了更加深入的应用。变频器恒压供水方式技术先进,水压恒定、操作方便、运行可靠、节约电能、自动化程度高,深受市场欢迎。


要求变频器恒压供水压力调节要稳定,用水量发生变化时响应要快,变频器要有休眠功能,在用水量少时进行休眠,充分节能。
PID是过程控制中最常用的控制方法,通过传感器将监测变量(气压、水压、温度、速度等)转换为电信号(一般为0~10V或0~20mA)反馈给变频器的信号接收通道,再通过变频器的PID调节器进行实时地比较调节输出频率,最终实现恒压供水、供气、恒温控制、精确定位等。欧科变频器PID调节响应时间快,控制精度高,根据需要还可以选择休眠功能,在休眠的同时仍然进行PID运算,最大程度节能。相关参数组为P10 PID控制参数组和P14供水功能组。
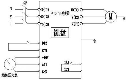
接线图

参数设置如下表

(转载)



