一、概述
1,4丁二醇项目二期工艺中BDO产品过滤采用四联装电磁过滤器系统,该系统技术先进, 联锁保护复杂,自控程度要求高。应用杭州盈控的HighLight控制系统可以实现自动过滤、排液、反洗,很大程度的降低了操作工的操作强度,达到高效、长周期的自动运行。
二、工艺简介
BDO低压成品槽中物料通过低压产品泵送至四联装过滤器系统,单台每小时滤出的13吨物料中含磁性固体杂质(主要是残留的催化剂),再进入下一级过滤系统进行处理,该系统的过滤效果将直接影响BDO产品的质量。
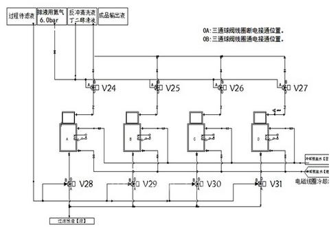
主要工艺图如下:

图1 工艺图
三、主要控制
1、 控制系统图如下:

图2 过滤器控制系统组态图
如图2所示,现场防爆柜包含了控制方式转换、阀门手动操作开关、运行指示、控制信号中间接线端子排等,低压室的控制柜为励磁线圈控制柜,现场控制信号经现场防爆柜端子排连接到中控DCS柜,过滤器的控制程序位于DCS中,显示及操作全部在中控室。
2、 主要控制方案
(1)手动工作方式:
手动方式有两种:现场手动和中控室手动
● 现场手动:只能操作10个阀门,控制方式开关位于“现场调试”。
●中控室手动:可以操作阀门和励磁,控制方式开关位于“DCS控制”。在这种方式下过滤器的进出口阀有任何一个开,联锁都不允许打开氮气V11和反洗液阀V12。
(2)自动工作方式:
在自动工作模式下,系统严格执行自动工步程序,每个工步执行相应的动作,从工步0开始执行,工步1,工步2,……,工步13,再返回到工步2继续执行,工步3,工步4,……,直到工步13,再返回到工步2,如此循环。无论执行到哪一步,只要按下自动停止按钮,系统即执行“系统停止”步序。
(3)故障报警
报警信号分为两类:停机报警和不停机报警
●只报警不停机,报警内容闪烁
●报警并停机,报警内容闪烁
四、监控画面

五、应用状况
杭州盈控HighLight DCS控制系统从2013年9月份投入生产以来,系统可靠运行、稳定生产,大大减轻了操作人员工作负荷,显著提高了生产效率,给客户创造了良好的经济效益。盈控的工程服务及HighLight系统受到了客户的一致赞誉与肯定。
(转载)



