引言
工业系统设计人员和汽车制造商是电源电子产品的重要消费者,他们需要采用完整的可用 DC/DC 转换器拓扑系列,包括以多种形式组合的降压、升压和 SEPIC。理想情况下,每个新项目都可以利用其特有的专用控制器或单片式转换器 IC 实施性能优化,但这是不现实的。
现实情况是,工业或汽车环境中使用的每款新芯片必须在通过大量测试确定合格之后,才能用于这些要求苛刻的环境。为每种应用提供一款不同的 IC 不仅费时,而且成本之高亦让人望而却步。更好的选择是一款可用于多种拓扑、并经过测试和验证的 IC,从而使其可以在多种应用中重复使用。例如,本文将介绍ADI公司的 LTC3892 降压型控制器用于 SEPIC(升压和降压)及升压应用的方法。
电路说明和功能
LTC3892 被设计为一款具有 4.5 V 至 60 V 输入-输出电压范围(可满足大多数汽车和工业应用的要求)的双输出同步降压型控制器。在此类环境中,转换器的电压输入会有显著的变化,包括汽车应用中的冷车发动和负载突降,或者工业系统中工厂机器设备关闭和接通时出现的掉电和电压尖峰所导致的变化。当输入降至输出以下时,LTC3892 的原生降压型拓扑不能调节输出电压,但是 SEPIC 拓扑可以。
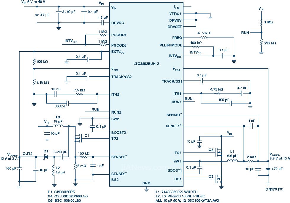
图 1 示出了一款支持两个输出的 SEPIC 解决方案:VOUT1 为 3.3 V/10 A,VOUT2 为 12 V/3 A。输入电压范围为 6 V 至 40 V。VOUT1 作为一个简单的降压型转换器提供,具有一个包括 L1、Q1、Q2 的功率链路。为了减少组件数目,VPRG1 引脚连接至 GND,在内部将 VOUT1 设置为 3.3 V。 
图 1. LTC3892 的电原理图(SEPIC 和降压应用中)
LTC3892 的第二个输出是一个 SEPIC 转换器。SEPIC 功率链路包括 L2、L3、Q3 和 D1。这里采用了一个具有两个分立式电感器的非耦合型 SEPIC,因而拓宽了可用电感器的范围。对于那些成本敏感型设备来说,这是一个重要的考虑因素。
图 2 示出了当面对压降情况时(比如冷车发动期间)转换器的运行方式。电源轨电压 VIN 降至远低于 12 V 标称值,但是 VOUT1 和 VOUT2 均处于稳压状态,从而可为关键性负载提供稳定的电源。图 3 示出了转换器在遭遇负载突降等电压尖峰时的运行方式。VOUT1 和 VOUT2 保持稳压状态,甚至在 VIN 飚升至远高于 12 V 标称输入时也不例外。
图 2显示了冷车发动过程。电源轨电压从 14 V 降至 7 V,但 VOUT1 和 VOUT2 均处于稳压状态。
图 3. 负载突降过程。电源轨电压从 14 V 升至 24 V,但是 VOUT1 和 VOUT2 均处于稳压状态。
图 4 所示为演示电路 DC2727A,是本文中介绍的一款双输出转换器。DC2727A 的 SEPIC 部分可以轻易重新布线为升压拓扑,方法是去掉一个电感器 L2,并将第二个电感器 L3 替换为合适的升压扼流圈。
图 4. 演示电路 DC2727A。LTC3892 控制两个输出:一个非耦合型 SEPIC 和一个降压型转换器。
结论
LTC3892 是ADI公司一款灵活的控制器,能够满足汽车和工业环境中多种 DC/DC 转换器需求。虽然该器件主要是为在同步降压型转换器中使用而设计,但是它也可用于 SEPIC 和升压型转换器应用,从而可在需要采用这些拓扑时简化鉴定测试过程。
(转载)



