引言
近年来,由于需求和技术的不断提高,高压变频器应用越来越广。而在大容量的高压变频器中,为了有效散热,多采用水冷式。由于水管密布于高压母线和功率元件周围,对水质安全要求高,不允许断流,其监测回路和工艺流程较复杂,故障几率也较高。
1 高压变频器水冷技术基本原理
1.1 散热问题概述
变频器散热很重要。温度过高对任何设备都具有破坏作用,但就多数设备而言,其破坏作用常常是比较缓慢的,受破坏时的温度通常是不很准确的,而惟独在spwm逆变电路中,温度一超过某一限值,会立即导致逆变功率管的损坏,并且该温度限值往往十分准确。在spwm逆变桥中,每一桥臂的上、下两管总是处于不断地交替导通的状态,或由上管导通、下管截止转换为上管截止、下管导通。在交替过程中,一旦出现一管尚未完全截止,而另一管已经开始导通的状况,将立即引起直流高压经上管和下管“直通”,相当于短路,于是上下两管必将立即被损坏。为了避免上述现象的出现,在交替的控制电路中,必须留出一个“等待时间”(死区)。等待时间的长短:一方面必须足够长,以保证工作的可靠性;另一方面,必须尽量短,否则将引起调制过程的非线性,从而影响逆变后输出电压的波形和数值,所以,其裕量是很小的。
温度升高时,由于半导体对温度的敏感性,上下两管的开通时间和关断时间,以及由延迟电路产生的等待时间,都将发生变化,并且具有比较准确的变化规律。当温度一旦超出某一限值时,将导致“等待时间”的不足,使逆变电路的输出波形出现“毛刺”,最终逆变管因直通而损坏。
因此,变频器的散热问题是至关重要的。
变频器的发热和任何其他设备一样,发热总是由内部的损耗功率产生的。在变频器中,各部分损耗的比例大致为:逆变电路约占50%;整流及直流电路约占40%;控制及保护电路占5%-15%。粗略地说,每1kva的变频器容量,其损耗功率约为40-50w。
1.2 基本原理介绍
以乙丙装置高压变频器为例,乙丙装置变频器采用abb的samimegaster变频器,型号为1250d3300,其电压等级为3.3kv,驱动电机功率850kw。经测量,其总功耗为14kw,计算得出的需要最小冷却水流量为29l/min(保证温度为38℃时)。水冷装置工艺流程如图1所示。

板式换热器ph1通过外部循环水对变频器内部乙二醇水溶液进行冷却,调节阀cv1根据内部水温控制开、关以保证变频水温度变化在允许范围内。二台水泵p1、p2互为备用,将水泵入直流母线和环绕型gto,单向阀bv1、bv2阻止回流。放气罐dv1用于储存水溶液,并分离气体,通过自动放气阀adv1排气。ev1与放气罐dv1联通,用于提供系统基本压力。
检测回路由压力、电导率和温度检测组成,用于监测水的泄漏、绝缘、冷却效果。冷却水的压力由v15阀、压力传感和变送器pst1和压力计来测量。变送器可产生一个与压力成正比的ma信号,上传给水冷系统sadc10in卡,与设定值比较,如果超过设定值,比较卡会产生一个触点分离信号,通过di/o卡传给cpu进行处理。冷却水的温度由pt-100传感器ts1测量,检测点在换热器的高温端。实际的温度值由温度转换器tt1读取。该卡产生一个与温度成正比的ma信号。如水温高于设定值的话,信息通过扁平电缆传到sadc59di/o卡。该卡上传cpu卡。电导率检测与此相类似,不赘叙。
当系统需要补液时,通过手动泵hp1从rt1备用储水罐中将水抽出,通过阀v19、v14将冷却液补充到系统中。单向阀v19防止系统水倒灌。
[DividePage:NextPage]
2 特殊故障实例的分析
2.1水压不足
(1) 现象
冷却水压力过低造成停车。
(2) 分析
首先在水泵运转时,对压力系统检测,对照盘面压力表pm1和盘内压力表pg1,指示一致,证明压力检测回路无误。压力指示均为3bar,小于正常压力4.55bar,说明水压不足。检查软管接头和白钢管弯头等,未发现明显泄漏,且压力基本保持不变。怀疑系统中有气或系统自然损失造成压力降低。检查排气装置v12阀和adv1均无异常。因当时必须及时恢复生产,对系统测试绝缘正常,决定进行充液和放气,使压力恢复到4.55bar,系统开车正常。
然而一个月后,再次因压力过低停车,与上次故障相同。怀疑有隐蔽的泄漏点。将所有柜底擦净,铺上白纸,一小时后,在3#柜底的纸上出现水痕。打开3#柜上盖,拆除保护板,充电电阻等,直到拆到一块触发板时,发现其顶部一管接头上有细小水珠,打开接头,管接头上水管已裂开。其连接装置结构图如图2所示。将软管裂开段切除,重新联接,上紧。经24h运行,柜下无水痕,故障排除。

(3)小结
水压不足故障属多发故障,一般是由于泄漏引起,应集中对弯头和接头处检查,通常较易处理。像本例中这样非常隐蔽的故障点,决不能靠不断补水来维持运行。因为漏水往往引起元件腐蚀、板卡损坏,引发二次故障,造成维修困难,所以必须早发现、早处理。
2.2 水温过高
(1)现象
装置大检修后,变频器开车1h,因水温超过上限(55℃)停车。
(2)分析
检测冷却水温度传感器ts1阻值正常,查从控制板到di/o卡扁平电缆连接妥当,供给tt1的220v正常。排除检测回路故障可能。检查冷却水压力无异常,怀疑外循环冷却水温度过高,冷却效果不足。但经询问工艺人员,乙丙装置循环水温度与大修前一样。检查v22、v23阀开度正常,将阀开到最大。再次开车,检查温度控制器cr72正反向控制正常,cv1调节阀也在温度高时打开,但温度不降反升。判断为外部循环水流量不足。遗憾的是,安装时未留下外循环水管线流程资料,只能沿管线查找,经过一天的努力,一位有经验的化工终于在200m以外的地方找到了外循环水阀门。原来,在大修时,化工将该阀误关了几圈。造成外循环水流量不足,使变频停车。
(3)小结
本故障的特殊性在于故障部位出人意料。这就再次提醒我们,在维修中,一定要真正掌握水冷系统流程,不留死角,才能及时、准确地解决问题。
[DividePage:NextPage]
2.3 变频器频繁超压停车
(1)现象
压力随温度变化异常波动。当水温26℃时,压力为52psi;当升到32.8℃时,压力为80psi。温度再升高,就因压力超限停车。
(2)分析
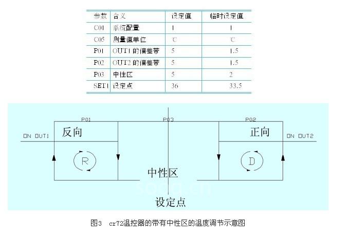
首先对压力系统检测,证明压力表指示正常,压力检测回路无误。在室温下,变频器不工作,只在水泵运行时,系统压力在4.25bar左右,压力正常。故障一时查不清楚,而当时生产不允许长时间停车,决定采取临时措施开车,即将控制调节阀的温控器cr72温度范围缩小。温控器采用带有中性区的温度调节如图3所示,输出out1作为反向(关阀)操作,并在测量值低于设定值set1-p03/2-p01时有效,输出保持有效直到测量值返回到set1-p03/2时为止;输出out2作为正向(开阀)操作,并在测量值高于设定值set1+p03/2+p02时有效;输出保持有效直到测量值返回到set1+p03/2时为止。主要参数表修改如附表所示,使温度调节范围缩小。
在停车检修期间,重点对ev1膨胀瓶的进行检查,发现其底部有一气嘴,因无相关资料,从流程图猜测,其内应半气半液,中间用膜片分隔,以平衡水系统压力。果然,发现其底部确有一个气嘴。轻轻顶起气嘴单向阀,无气流出,证明气室内无基本压力。找来一个车用打气泵(带压力表),向瓶内补气到1bar,保压20min,证明膜片无泄漏。回装,经过补液和放气,系统压力不再随温度波动,将温控器调回初始设定,开车一切正常。可见,正常情况下,膜片因受气压作用,产生一定变形,以补偿水随温度升高膨胀的体积,而当基本压力消失后,膜片被顶到头,水再膨胀,压力迅速上升,造成系统超压。

(3)小结
本故障非常有代表性,在运行多年的变频器水冷单元都会出现。在日常的维护和点检中,一定注意定期向ev1膨胀瓶中补充基本压力。
3 结束语
实践证明,处理高压变频器水冷系统故障之前,必须全面理解工艺流程,通晓所有图纸,才能迅速找到原因,避免浪费时间。定期的维护与保养也非常重要,如压力检测、更换离子交换器化合物、更换机械过滤器、清扫灰尘等。对系统的维护要十分小心,对水冷系统的任何疏忽,都可能会造成无法弥补的损失。
(转载)



