一、应用简介
1.应用简述
模拟发动机低压转子带动N1音轮转动通过电机带动齿箱模拟发动机低压转子物理转速,用以驱动N1测速音轮。
2.公司介绍
中国航空工业集团公司航空动力控制系统研究所(又名中国航空工业集团公司第六一四研究所),成立于1975年。经过近20年的努力,614所现已成为国内军民航空动力、船舶及地面燃机轮机控制系统的研制定点单位,主要从事航空发动机控制系统研究、设计、制造、试验和修理工作,拥有各种国内一流、国际先进的航空发动机控制系统研究、环境试验、数字仿真和物理试验设备。近年来共承担国家重点型号项目近二十项,以航空动力控制系统航空科技重点实验室为开放交流平台,与高校以及行业协作单位等开展技术合作,建立了长期战略合作关系。
二、应用说明
1.应用功能描述
移动式电传装置由移动台架、滑油站、防爆调速电机、增速齿箱、ABB变频器、低压器件等组成。结构如图1、图2所示。

图1 移动电传装置一侧布局图

图2 移动电传装置另一侧布局图
功能简述:
柜内设有“本控/外控”启动方式选择开关,两种启动方式具有互锁关系,在装置控制柜柜门、主控制室设备管理计算机两处均能实现电传的启/停和转速给定控制,但柜门停止按钮及两地紧停按钮始终有效;
电传装置具有可选择外部联锁信号(包括低压泵启动、滑油正常)的功能,外部联锁信号触点全部闭合时方可允许启动主电机,运行中外部联锁触点断开后能自动停车;
电机冷却风机控制具有延时停止功能,每次电机运行时间达到T1时间设定值(时间为30min)后,电机停止后通风机延时T2时间(时间为5min)后自动关闭;
电传装置具有转速给定手动阶跃控制功能(0%~20%阶跃给定量可调),在控制柜内设置手动阶跃开关,可在任何一种转速给定方式下手工控制阶跃给定量的输入和退出,以测试调速系统动态响应时间;
对滑油站的温度具有加热和冷却功能,在温度和液位不满足设置的上、下限时,立即停止工作。
2.工艺流程说明
电传装置工作流程如图3所示。

图3 移动电传装置系统流程图
装置通电后, LOGO!控制器检测各开关量输入状态,在滑油温度低开关量符合要求时,接通滑油加热器进行工作;在油温度高开关量符合要求时,接通滑油冷却风机进行散热。
在本控状态下,按下柜门滑油启动按钮,开启滑油装置,给增速齿箱供滑油,在滑油流量、压力符合联锁条件时,输出联锁开关量给是电传装置,再按下冷却风机、电机启动按钮,冷却风机首先启动,延时0.5S后,输出开关量控制ABB变频器,启动电机,柜门电位器用于控制电机转速,在异常情况下,按下柜门紧停按钮。
3.系统需要分析
该装置要求可对滑油部分和电气传动部分进行测试和控制,保证在反复启停时能正常工作,各部分启动前的联锁条件都符合要求,在运行中,有异常或联锁条件不符合要求时,立即停止工作。主要的技术难点在于如果保证控制系统的逻辑性与可靠性,还需小型化设计,原先采用接触器-继电器回路虽造价较低,但由于接线复杂,器件寿命不高、且需要空间大等原因导致售后维护成本过高,要是采用PLC来作为控制单元未尝不可,但考虑到成本控制及应用较为简单的实际情况,希望采用西门子LOGO!作为控制单元。除其具有足够的性价比外,还看中了它比PLC更大的带载能力(触点达10A,可直接控制交流接触器),这在实际运用中可以省去很多继电器,工作可靠的同时又节约了成本,再就是对西门子产品在我所有大量使用,功能和质量都很好。
三、应用的设计与实现
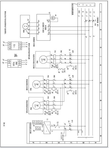
1.电气控制原理图说明
电气原理,主回路部分见图4。

图4 移动电传装置主回路图
电气部分器件主要由一块LOGO 逻辑控制器 CPU(6ED1 052-1HB00-0BA6 )、二块LOGO 逻辑控制器 数字量扩展模块(6ED1 055-1NB10-0BA0)、四个断路器、三个交流接触器、三个热继电器、一块西门子STIOP开关电源及其它按钮和开关等器件组成。
2.I/O分配表
据据方案需求和原理设计,对LOGO! 控制器的I/O点分配见表1和表2。

表1 LOGO! 控制器开关量输入点配置

表2 LOGO! 控制器开关量输出点配置
! 控制程序说明
滑油启停程序
在本控时,只能在柜门启动,反之,外控时,只能在远程启动,但本地和远程停止功能都有效,如在本控时,按下SB2启动按钮,滑油电机启动。
当滑油供电进线继电器没有合闸、滑油液位上下限不符合设置要求时,滑油启动无效。当电机过载时,热继电器保护动作,滑油电机停止。
滑油启停控制程序图见图8。
滑油加热和冷却启停程序
通电后,在滑油温度低于设置下限值时,滑油液位温度继电器输出开关量信号,控制滑油加热器工作,当加热到设置上限值时,滑油加热器停止工作。
在滑油正常工作中,滑油温度会慢慢升高,在滑油温度上升到设置上限值时,开启滑油冷却风机。
冷却风机启停程序
与滑油启动程序类似,区别主要是在外部联锁不符合要求时,冷却风机自动停止。
电机启停及延时停止程序
在检测到冷却风机启动信号后,延时0.5S后,输出启动信号给变频器控制电机按初始转速进行运转。
在检测到电机启动信号后,开始计时,当电机运行超过30分钟,此时若按下冷却风机、电机停止按钮,程序会自动控制冷却风机强行运行5分钟。
远程信号采集及点灯程序
将各状态信号给远程计算机采集;控制滑油和电机启动指示灯。
系统离线仿真与在线测试
西门子LOGO!兼具离线仿真与在线测试功能。程序在PC机里编写好后,点击左侧工具栏中的离线仿真按钮,或按下F3功能键进行离线仿真。在确认程序离线仿真无误后,还可打开工具/在线测试功能进行在线测试。在执行在线测试前需首先将在PC机里编写好的程序下载到LOGO!,随后将下载到LOGO!的程序上传至PC机里,当然只有这个上传至PC机里的程序才可以进行在线测试的。
四、应用体会
在使用西门子LOGO!的过程中,总体感觉是麻雀虽小,五脏具全,其器件选型、配置一目了然,程序编写方便,可离线仿真,电气柜布置空间可节省,可以替代从时间继电器一直到接触器的开关设备,对一般的电气设计人员更容易上手,只是希望能在输入输出点上再增加一些;
其类装置在2011年投入2套,2012年投入6套,2013年准备再投入5套,前8套一直在使用中,至今没有出现有关LOGO!控制器的问题;
在调试和使用中,我们对其LOGO!控制器非常满意,准备在其它小型装置上推广使用。
如需了解更多信息,请访问
(转载)



